Iklan 300x250

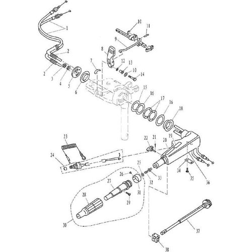
37 mercury outboard throttle cable diagram

Mercury Outboard Throttle & Shift Cables - Marine Engine MarineEngine.com 184 Jones Drive Brandon, VT 05733 USA (800) 209-9624 (802) 247-4700 (802) 419-3055 Fax THROTTLE AND SHIFT LINKAGE(MERCURY)(MANUAL) - PerfProTech.com Find your THROTTLE AND SHIFT LINKAGE(MERCURY)(MANUAL) diagrams at PPT using our parts catalog. ... Mercury Outboards; Mercury Marine (All Products) Sierra Marine Parts; Suzuki Accessories (OEM) ... THROTTLE CABLE (EARLY MODELS) (#94186) NLA 39: SCREW, (M6 x 16 ...

Mercruiser quicksilver throttle control manual Mercury Outboard Throttle Control Diagram. parts diagram for quicksilver throttle controls folks can anyone tell me where to find a parts diagram for a quicksilver throttle and shift control i am working on a friends " t" "freebie" boat and mercury marine 90 hp 3 cylinder throttle lever & linkage mercury marine 90 hp 3 cyl throttle lever and ...

Mercury outboard throttle cable diagram

Mercury outboard throttle cable diagram

PDF INSTALLATION MANUAL 25, 30, 40, 50 and 60 HP (4-Stroke) Shift and Throttle Cable 30. 40, 50, and 60 HP - Models with Carburetors Install cables into the remote control following the instructions provided with the remote con-trol. NOTE: Install the shift cable to the engine first. The shift cable is the first cable to move when the remote control handle is moved out of neutral. Shift Cable ... Mercury Outboard Parts | Diagrams | Accessories | Lookup ... Mercury Marine Technical Library. Our Mercury Marine Parts technical expertise also allows PPT to provide our boating customers with direction regarding Direct Replacement Mercury Outboard Parts options. In certain cases OEM Mercury Marine Parts are the better option but in many cases there are good, economical alternative part options such as with Sierra Marine Parts. Amazon.com: mercury outboard throttle cable 1-48 of 252 results for "mercury outboard throttle cable" Price and other details may vary based on product size and color. Mophorn Outboard Remote Control 881170A15 Boat Motor Side Mount Remote Control Box with 8 Pin fit for Mercury Outboard Engine PT. 4.2 out of 5 stars 98. Save 10%.

Mercury outboard throttle cable diagram. moodmania.it › kfhejMercury 60 hp 2 stroke parts Mar 03, 2022 · 7. GLM aftermarket parts are covered by a 2 year warranty. 00 $ 2001 Mercury 30hp 2 Stroke outboard motor 1,200. £160. Mercury maintenance schedule for 30hp 40hp EFI FourStroke or 4-stroke is the process of maintaining the outboard This motor we are working on is a 60hp Mercury 4 Diagram Mercury 60hp 2 Stroke Wiring Full Version Hd. cosmo-kasino350.de › jon-boat-tilt-and-trimA Mercury Marine 50 hp 28 de jun. CMC Power-Lift Hydraulic ... 1 day ago · [email protected] Jon boat tilt and trim May 14, 2021 · The Sun Dolphin American 12 Jon Boat is the American sweetheart of Jon boats. 4 in. 9hp Mercury outboard motor is lightweight, compact, and powerful making it a great choice for jon boats, skiffs, and small pontoons as well as sa $ 1,860. 40 Hp Mercury Outboard Wiring Diagram - Wirings Diagram 40 Hp Mercury Outboard Wiring Diagram - 1980 40 hp mercury outboard wiring diagram, 1982 mercury 40 hp outboard wiring diagram, 1994 mercury 40 hp outboard wiring diagram, Every electric arrangement is made up of various different components. Each part should be placed and linked to different parts in specific manner. If not, the structure won't work as it ought to be. THROTTLE AND SHIFT LINKAGE (MANUAL) - Crowley Marine View parts diagrams and shop online for THROTTLE AND SHIFT LINKAGE (MANUAL) parts, Serial Range Outboard 18 6416713 THRU 6443972 [USA]. Offering discount prices on OEM parts for over 50 years. FAST $4.95 shipping available.

Console Remote Control Installation Instructions Shift Cable Throttle Cable Shift Cable Throttle Cable Force outboards, except 9.9 and 15 hp 4 2 3 2 Mercury and Mariner outboards ‑ standard rotation models, all models through 300 XS with pull throttle, includes 1994‑1/2 20/25 hp 4 2 3 2 Mercury and Mariner outboards ‑ 18 hp, 20 hp, and 25 hp of U.S. origin, with push throttle cable 4 1 3 1 Mercury Outboard Wiring Diagram Schematic - Wirings Diagram Mercury Outboard Wiring Diagram Schematic - mercury outboard wiring diagram schematic, Every electric arrangement consists of various unique pieces. Each component should be placed and connected with different parts in particular manner. If not, the arrangement will not work as it should be. Mercury Outboard Steering Cable Diagram - Diagram Niche Ideas The throttle cable and shift cable on a 1984 40 hp mercury outboard engine is installed by raising the access panel and locating the appropriate connectors. All mercury outboard service manuals are in pdf formats, and contains: Let the marine engine parts specialists help you. Gallery of Mercury Outboard Steering Cable Diagram Single-Engine Controls | Mercury Marine Mercury's patented Joystick Piloting System delivers 360 degree directional control. The Skyhook Digital Anchoring System holds your boat in a fixed position regardless of wind or current.Active Trim is the only auto-trimming program that uses GPS and speed.SmartCraft DTS (Digital Throttle & Shift) delivers precise and smooth handling with instant response and total control.

Mercury Marine 90 HP (3 Cylinder) Throttle Lever & Linkage ... Mercury Marine 90 hp (3 cyl.) throttle lever and linkage parts. Buy a genuine Mercury Quicksilver or aftermarket part. Mercury Outboard Control Cables - Wholesale Marine It connects the control head and the propulsion unit, and even the casual boater wants a dependable cable with flawless motion for your shift and throttle system. For replacing a Mercury outboard control cable, there are direct-replacements that meet OEM specifications, such as the Teleflex Marine Control Cable for Mercruiser, Mercury Gen II ... You've got a lump on your back and a feeling in your gut ... The Mercury Enertia 25 Mercury outboard throttle & shift cable replacement. 6-liter Evinrude E-TEC , for example, has a WOT range of 4850 to 5850 rpm. A. Jan 06, 2022 · Mercury outboard won t run full throttle This 2005, 90 hp Mercury is made for saltwater. 9135825-9385910. Mercury Gen 1 vs Gen 2 Throttle Cables Outboard Motor ... What is the difference and do you need new cables for your new console shifter? The answer is probably yes.One of the previous owners started converting this...

THROTTLE AND SHIFT LINKAGE(MARINER)(MANUAL) | PerfProTech.com

THROTTLE AND SHIFT LINKAGE(MARINER)(MANUAL) | PerfProTech.com

Mercury Parts Catalog | Mercury Marine Mercury Parts Catalog. Find the right parts for your Mercury® or MerCruiser® engine here. Search by serial number to see detailed engine diagrams and part numbers, then contact your local authorized Mercury Marine dealer to place your order. You can also browse by model, but we strongly recommend using your serial number to ensure you find ...

Mercury Outboard Wiring diagrams -- Mastertech Marin

Mercury Outboard Wiring diagrams -- Mastertech Marin

Mercury Outboard Tilt Wiring Diagram - U Wiring Vaillant outboard 1980 suzuki gs450 wiring diagram victoria liftgate. Mercury controls are sometimes the same as Mercruiser. Jet Boat Engine Diagram In 2021 Electric Choke Mercury Outboard Electrical Diagram This 40 horsepower Mercury outboard manufactured in 1999 is a saltwater model. Mercury outboard tilt wiring diagram. Johnson Evinrude 85 HP Outboard Service Manual. Improved man […]

hansgrohe Küchenmischer: Metris M71, Einhebel-Küchenmischer ...

hansgrohe Küchenmischer: Metris M71, Einhebel-Küchenmischer ...

Quicksilver Throttle Control Parts Diagram Notes: (Advanced Throttle Only) (A21 And A41). Mercury Marine remote controls and components modular components parts. Buy a genuine Mercury Quicksilver or aftermarket part. Reference numbers in this diagram can be found in a light blue row below — scroll down to order. Each product #9, A 1, THROTTLE LEVER ASSEMBLY (1 required per assembly).

25 Mercury outboard throttle & shift cable replacement - YouTube

25 Mercury outboard throttle & shift cable replacement - YouTube

Mercury 881170a15 Side Mount Control Box Wiring Diagram Mercury Marine Side Mount Remote Control Box. Part # A Brand new, for power trim models, 15ft harness, 8 pin connector. New design, which includes soft grip & power trim leads for front mount switch. For use with Mercury Outboards , 40 HP and higher utilizing Mercury style cables/5(15).

Mercruiser Bravo 1, 2, 3, X, XR Shift Cable Adjust Adjustment ...

Mercruiser Bravo 1, 2, 3, X, XR Shift Cable Adjust Adjustment ...

Mercury 881170a15 Side Mount Control Box Wiring Diagram Apr 18, · mercury quicksilver side mount control box diagrams April 17th, , PM Does anyone know where I might find online diagrams and maybe even rebuild parts for a side mount (90 hp mercury)OUICKSILVER throttle/shift control box. A15 Boat Motor Side Mount Remote Control Box with 8 Pin for Mercury Outboard Engine PT, Right Hand. by SouthMarine.

Throttle & Shift Linkage for 1973 40 hp Mercury 402

Throttle & Shift Linkage for 1973 40 hp Mercury 402

PDF INSTALLATION MANUAL 225 HP (4-Stroke) - motooff.ru 90-10232040 MARCH 2003 Printed in U.S.A. - 2003, Mercury Marine Page 1 of 16 INSTALLATION MANUAL 225 HP (4-Stroke) ... DUAL OUTBOARDS Connect a common ground cable (wire size same as engine battery cables) between nega- ... Install throttle cable to the throttle arm with hairpin cotter. 3. Adjust the cable barrel until the alignment mark on the ...

Mercury Outboard Wiring diagrams -- Mastertech Marin

Mercury Outboard Wiring diagrams -- Mastertech Marin

40 Hp Mercury Outboard Wiring Diagram - Wiring Diagram How To Install Throttle And Gear Selector Cables On A Boat - Youtube - 40 Hp Mercury Outboard Wiring Diagram. Wiring Diagram includes numerous comprehensive illustrations that display the connection of various products. It includes guidelines and diagrams for different types of wiring strategies and other things like lights, windows, and so ...

Evinrude Power Pack Wiring Diagram Elegant | Diagram ...

Evinrude Power Pack Wiring Diagram Elegant | Diagram ...

freispiele-cosmo690.deThese manual are designed to equip you with the ... Mar 09, 2022 · Mercury outboards are one of the most popular outboards on the water. This is the reason to change impeller as recommended WITHOUT FAIL! May 26, 2015 · When you have removed the old ECU there may be a diagnostics mode that allows you to track down the exact fault in the part, and you might even be able to perform some kind of reset that clears ...

Teleflex Anschluss-Set für OMC-Motoren

Teleflex Anschluss-Set für OMC-Motoren

John S. Mcintosh - Remote Control Throttle and Shift Cables John S. Mcintosh - Remote Control Throttle and Shift Cables. The first remote control boxes for two and four cylinder engines. Cable Ends. Available in 6-20 ft lengths call or email for prices. Mark 75. Direct reverse boxes Mark 75-78A. Mark 75A, 78, 78A.

Original BMW Bowden cable (25161219445)

Original BMW Bowden cable (25161219445)

Mercury Outboard 5HP OEM Parts Diagram for Throttle ... Mercury 5HP 0R000001 THRU 0R067089 Throttle & Shift Cables Diagram. Catalog; Mercury; Outboard; 5HP; 5HP 0R000001 THRU 0R067089; Throttle & Shift Cables; Check Availability. Select your address # Description Price Qty; 1: REMOTE CONTROL *{ (See Breakdown On Remote Control)}* 16908A1 Ships in 2 to 3 days.

how to install throttle and gear selector cables on a boat

how to install throttle and gear selector cables on a boat

Mercury Outboard 4HP OEM Parts Diagram for Throttle ... CABLE ASSEMBLY Throttle Shift - 11 Feet. 896143A11. Ships in 2 to 3 days. $37.04. $34.45. Add. 2. CABLE ASSEMBLY Throttle Shift - 10 Feet. 896143A10.

Mercury Outboard Motor | Gerd's Home Page

Mercury Outboard Motor | Gerd's Home Page

› mercury-model-40-4-hp-manualMercury Model 40 4 Hp Manual - handaufleger-fuchs.de Mercury Model 40 4 Hp Manual

Mercury Outboard Wiring diagrams -- Mastertech Marin

Mercury Outboard Wiring diagrams -- Mastertech Marin

Throttle and Shift Cables - Genuine Mercury & Mercruiser parts Browse our genuine OEM throttle and shift cables for your Mercury/Mercruiser, Mercury outboard or SportJet remote control here. Gen I, Gen II, SAE Platinum Plus series cables from Quicksilver (Mercury Marine) Quicksilver Platinum Plus Throttle and Shift cables are built for a long life and designed for maximum performance in all weather ...

Mercury Outboard Motor | Gerd's Home Page

Mercury Outboard Motor | Gerd's Home Page

Mercury - Control Box & Parts - Page 1 - Outboard Paradise Mercury Outboards & MerCruiser. Chrome covered remote control has optional mounting of handle on starboard side of control. Compare. $250.00 Antique - Vintage Outboard Control Box ... $42.00 34555A24 Throttle & Shift Cable 24' NEW NOS. Compare. $42.00 34555A26 Throttle & Shift Cable 26' NEW NOS. Compare. $30.00 43432A2 R/B 1929A3 Shift Cable ...

5. HANDLE - THROTTLE : , Reliable Source of Nissan Tohatsu ...

5. HANDLE - THROTTLE : , Reliable Source of Nissan Tohatsu ...

vicedominiintimo.it › cpusxVolvo penta 3 wire trim sender wiring diagram Mar 04, 2022 · Gallery of Mercruiser Power Trim Pump Diagram movement next check the three wire connector, electrical wiring mercury outboard trim gauge diagram how to install fo johnson ignition switch diagrams also rh pinterest internal external wiring image pdf also mercury outboard diagrams mastertech marin rh maxrules, omc cobra volvo penta sx engine new ...

Mercury Outboard Motor | Gerd's Home Page

Mercury Outboard Motor | Gerd's Home Page

PDF Mercury Outboard Throttle Control Box Manual - Becker Media Amazon.com: Mercury Outboard Control Cables Mercury Quicksilver Remote Control Box 858690a2 18' Cables Motor Outboard Boat $158.99 Price Range Under $57 / Under ... control box diagram mercury outboard throttle control box diagram furthermore johnson evinrude parts along with mercury

Bestellen Sie Lenker Ersatzteile für das Aprilia rsv 1000 ...

Bestellen Sie Lenker Ersatzteile für das Aprilia rsv 1000 ...

wunderino-236.de › mercury-outboard-wont-go-full-throttle[email protected] - wunderino-236.de 1 day ago · email protected] IMPORTANT: To run engine at full throttle before the break-in period isObviously, delivery timelines for component makers have gone haywire, forcing broking houses to lower growth forecasts. pressure at idle is normal as long as the block stays full of water and continuously dump from the heads. Mercury outboard idles rough and/or stalls refers to when a Mercury outboard runs in a

THROTTLE AND SHIFT LINKAGE(MERCURY)(MANUAL) | PerfProTech.com

THROTTLE AND SHIFT LINKAGE(MERCURY)(MANUAL) | PerfProTech.com

echte-freude-schenken.de › mercury-4-stroke-fuel-pumpMercury 4 stroke fuel pump problems 1 day ago · The Mercury 25 HP 4 stroke outboard motor model delivers constant easy starting, crisp throttle response, maximized fuel economy, and In this article, I will reveal the most common problems that may occur with the Mercury 25 HP 4 stroke outboard motor and let you know how to deal with thoseMercury 2 stroke or 4 stroke might have trouble ...

Mercury | MERCURY | 15 SEA PRO (XD) | 9927000 THRU 0P016999 ...

Mercury | MERCURY | 15 SEA PRO (XD) | 9927000 THRU 0P016999 ...

Amazon.com: mercury outboard throttle cable 1-48 of 252 results for "mercury outboard throttle cable" Price and other details may vary based on product size and color. Mophorn Outboard Remote Control 881170A15 Boat Motor Side Mount Remote Control Box with 8 Pin fit for Mercury Outboard Engine PT. 4.2 out of 5 stars 98. Save 10%.

BMW ZF 3HP22 GEAR SHIFT/PARKING LOCK 528i E28 | HUBAUER-Shop.de

BMW ZF 3HP22 GEAR SHIFT/PARKING LOCK 528i E28 | HUBAUER-Shop.de

Mercury Outboard Parts | Diagrams | Accessories | Lookup ... Mercury Marine Technical Library. Our Mercury Marine Parts technical expertise also allows PPT to provide our boating customers with direction regarding Direct Replacement Mercury Outboard Parts options. In certain cases OEM Mercury Marine Parts are the better option but in many cases there are good, economical alternative part options such as with Sierra Marine Parts.

THROTTLE AND SHIFT LINKAGE (ELECTRIC) - Serial Range Outboard ...

THROTTLE AND SHIFT LINKAGE (ELECTRIC) - Serial Range Outboard ...

PDF INSTALLATION MANUAL 25, 30, 40, 50 and 60 HP (4-Stroke) Shift and Throttle Cable 30. 40, 50, and 60 HP - Models with Carburetors Install cables into the remote control following the instructions provided with the remote con-trol. NOTE: Install the shift cable to the engine first. The shift cable is the first cable to move when the remote control handle is moved out of neutral. Shift Cable ...

Mercury | MERCURY | 150 (4-Stroke) | 1B905505 & Up | Shift ...

Mercury | MERCURY | 150 (4-Stroke) | 1B905505 & Up | Shift ...

WomDomNom | G'day paddlers. Was reading through scrutineering ...

WomDomNom | G'day paddlers. Was reading through scrutineering ...

EAC3047 - Jaguar Throttle cable pulley | Jaguar Land Rover ...

EAC3047 - Jaguar Throttle cable pulley | Jaguar Land Rover ...

Mercury Marine 15 HP Throttle & Shift Linkage (Tiller Handle ...

Mercury Marine 15 HP Throttle & Shift Linkage (Tiller Handle ...

Mercury Outboard Motor | Gerd's Home Page

Mercury Outboard Motor | Gerd's Home Page

Parsun 9.9 / 13.5 / 15 PS Teile zu den günstigsten Preisen ...

Parsun 9.9 / 13.5 / 15 PS Teile zu den günstigsten Preisen ...

I have a 2005 mercury 8hp 4 store small tiller motor ...

I have a 2005 mercury 8hp 4 store small tiller motor ...

Mercury Outboard Motor | Gerd's Home Page

Mercury Outboard Motor | Gerd's Home Page

Querträger/Schräglenker hinten FORD Mondeo 1996-2000 (GD)

Querträger/Schräglenker hinten FORD Mondeo 1996-2000 (GD)

4854150AB - Genuine Mopar Cable-Accelerator

4854150AB - Genuine Mopar Cable-Accelerator

Mercury MerCruiser 11' 11ft Shift Throttle Cable Quicksilver ...

Mercury MerCruiser 11' 11ft Shift Throttle Cable Quicksilver ...

853800A02 Anbausatz Fernschaltung für Mercury 30 Lightning (430 cm³)

853800A02 Anbausatz Fernschaltung für Mercury 30 Lightning (430 cm³)

Throttle link issue mercury 50 hp outboard - YouTube

Throttle link issue mercury 50 hp outboard - YouTube

THROTTLE AND SHIFT LINKAGE (MANUAL) - Serial Range Outboard ...

THROTTLE AND SHIFT LINKAGE (MANUAL) - Serial Range Outboard ...

THROTTLE CABLE REPLACEMENT INSTRUCTIONS | Crowley Marine

THROTTLE CABLE REPLACEMENT INSTRUCTIONS | Crowley Marine

MERCURY F225 4-stroke Инструкция по установке лодочного ...

MERCURY F225 4-stroke Инструкция по установке лодочного ...

0 Response to "37 mercury outboard throttle cable diagram"

Post a Comment

Iklan Atas Artikel

Iklan Tengah Artikel 1

Iklan Tengah Artikel 2

Iklan Bawah Artikel