Iklan 300x250

39 kohler cv740 parts diagram

Kohler Command PRO 25 PA-CV740-0028 OEM - Kohler Parts NO LONGER AVAILABLE Kohler Command PRO 25. We have the Kohler Command PRO 25 you're looking for! This is an OEM part. Don't hesitate, this is the engine you deserve. Great power, reliable, modern. Command PRO is the elite commercial engine. This engine is a great quality part. Order it now for a nice price. Parts Lookup and OEM Diagrams | PartsTree Repair parts lookup and OEM diagrams for outdoor equipment like Toro lawn mowers, Cub Cadet tractors, Husqvarna chainsaws, Echo trimmers, Briggs engines. ... Results for "cv740 0019 kohler cv740 engine command pro southern machine 27hp 20 1kw" (140076 Models) Filter Results Show

Kohler Command CV740 Vertical Series Replacement Engines Kohler Command Pro Vertical Shaft Replacement Engines at the best price on the web and ONLY $9.95 flat rate shipping to your door. Whether it is a Replacement Kohler Engine, Kohler Short Block, or even Kohler Engine Parts, we have it at prices you will not find anywhere else after the shipping and handling fees. Check out our best price Guarantee for our Kohler engines for sale.

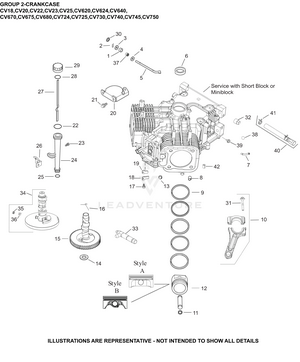
Kohler cv740 parts diagram

Kohler cv740 parts diagram

Kohler Cv740 Parts Diagram - Wiring Diagram Pictures 30.04.2019. 5 Comments. on Kohler Cv740 Parts Diagram. kohler v twin vertical engine parts. Find Parts With Our Diagrams .. CV ; CV; CV; CV; CV; CV Products 1 - 21 of 21 25 hp Kohler Command Pro Engine, cc, CV, Dixie Chopper, Magic Circle ZTR, Free Shipping, No Tax. Was 27hp now rated at. schematron.org - Select Kohler Engines CV - Kohler CV ... Kohler Cv740 Wiring Diagram Kohler Cv740 Wiring Diagram. Listed below are Kohler engine service repair manual in Adobe PDF format that you can download for free. Below we have provided a link to these manuals. We have parts, diagrams, accessories and repair advice to make your tool repairs easy. Kohler Cv740 Wiring Diagram - schematron.org Kohler Engine Parts Lookup Shop our huge parts diagram database, searchable by brand, model number, spec number, part number and save. If all you have is a serial number call us at or email us sales@schematron.org and we would be glad to look it up fo you. Kohler genuine service parts can be purchased from Kohler authorized dealers.

Kohler cv740 parts diagram. Kohler CV740-0018 lawn & garden engine parts | Sears ... Kohler CV740-0018 lawn & garden engine parts - manufacturer-approved parts for a proper fit every time! We also have installation guides, diagrams and manuals to help you along the way! Kohler 27 HP Engine | CV740-0026 | eReplacementParts.com Kohler CV740-0026 27 HP Engine Parts. Search within model. Maintenance Kits. Engine Maintenance Kit - CV/CH Pro Twin. $62.61. Add to Cart. Kohler CV740 Wiring | LawnSite™ is the largest and most ... I have a scag mower STC48A. I had a kawasaki FH601V, 19 HP engine on this machine. I am replacing with a Kohler CV740-3141. I have everything hooked up except for five independent wires coming from the engine near the starter. All the other wires from the engine were attached to a connector, which I connected to the wiring harness of the mower. CV740 - 25-27 hp 725cc : Kohler Engines and Parts Store ... Kohler Engines and Parts Store : CV740 - 25-27 hp 725cc - Misc Engines & Parts Shipping Option Tecumseh Engine Parts Denso Spark Plugs Oregon Equipment Parts AYP / Electrolux Zama Carburetors & Parts Walbro Carburetors & Parts Kawasaki Engine Parts Kohler Engines / Parts Tillotson Carburetors & Parts Stens Equipment Parts Warner Electric PTO Clutches Ogura Electric PTO Clutches Oregon Chainsaw ...

PDF Kohler command 27 hp engine parts diagram Kohler command 27 hp engine parts diagram Kohler V-Twin Engine 22.5 HP 674cc Command Pro 1-7/16" x 4.41" #CH680-3002 BNE PRICE: $1,699.00 Engine Mounted Throttle Control. I need a list of like bun creatinine sodium potassium etc. The only wiring the engine really requires to run is 12 volts to the ignition system, which also energizes a Kohler Small Engine: Model CV740/0026 Parts & Repair Help ... Kohler Small Engine Model CV740/0026 Parts. Kohler Small Engine Model CV740/0026 Parts are easily labeled on this page to help you find the correct component for your repair. Filter results by category, title and symptom. You can also view diagrams and manuals, review common problems that may help answer your questions, watch related videos, read insightful articles or use our repair help ... Kohler CV740-0021 SCAG 25 HP (18.6 kW) Parts Diagrams Kohler CV740-0021 SCAG 25 HP (18.6 kW) Parts Diagrams Air Intake Group 10-24-195 Blower Housing & Baffles 6-24-355 Carburetor Repair Kits w/gaskets (2485392-S) Crankcase 2-24-207 Crankshaft 1-24-1 CV18-750 Engine Controls 9-24-300 CV18-750 Exhaust 11-24-38 Fuel System 8-24-353 Head/Valve/Breather 4-24- 218 Identification Group 12-24-327 kohler cv740 parts diagram - Search - Shopping One-Pieces, Overalls & Jum… Uniforms. Clothing Sets

Kohler Cv25s Parts - Diagram Niche Ideas Kohler central distributors are listed on this page. Replacement carburetor for kohler small engines john deere lawn mowers lawn tractors kohler engine models cv25 cv724 cv715 cv740. For kohler original equipment parts with parts lookup diagrams, please read below before clicking on the diagram. PDF CV17-CV25, CV620-CV730, CV740, CV750 Service Manual 2 Have a Kohler authorized dealer perform this service. REPAIRS/SERVICE PARTS Kohler genuine service parts can be purchased from Kohler authorized dealers. To fi nd a local Kohler authorized dealer visit KohlerEngines.com or call 1-800-544-2444 (U.S. and Canada). Maintenance 24 690 07 Rev. B KohlerEngines.com 3 Kohler Engines - CV740-0011 Ariens Kohler Engines - CV740-0011 Ariens. Click and drag to pan. Zoom. Diagrams. 01 CrankShaft ; 02 CrankCase ; 03 Lubrication ; 04 CylinderHead/Breather ... 17 Maintenance-Fast Moving Parts ; 18 Owners/Service Manual ; 19 Sensors ; 20 Sealant,Thread Lock, Lubricate ... Kohler Cv740 Parts Diagram - diagramweb.net Kohler Cv740 Parts Diagram diagramweb.net - Select Kohler Engines CV - Kohler CV Engine, KW Diagrams and order Genuine Kohler Engines Engines: vertical Parts. Kohler genuine service parts can be purchased from Kohler authorized dealers.

Kohler CV740-3135 TORO 25 HP (18.6 kW) Parts Diagram for ...

Kohler CV740-3135 TORO 25 HP (18.6 kW) Parts Diagram for ...

Kohler Engine Parts Lookup - OPEengines.com Kohler Engine Parts Lookup. Shop our huge parts diagram database, searchable by brand, model number, spec number, part number and save. If all you have is a serial number call us at 888-652-3990 or email us sales@opeengines.com and we would be glad to look it up fo you. *The prices shown here in the parts diagram are list prices.

Kohler Maintenance Kits - ProPartsDirect

Kohler Maintenance Kits - ProPartsDirect

PDF Kohler command pro 27 parts diagram Kohler command pro 27 parts diagram We have been a Kohler Engine Distributor since 1986. Kohler Guide/Booklet Downloads Technical Sheet Downloads Gasoline Engines Command Pro EFI19hp - 26.5hp SH Series5.5hp - 6.5hp Command Pro EFI32.5hp - 38hp RH Series5.5hp - 6.5hp Command Pro19hp - 27hp XT Series6.5-7.75 ft-lbs(Gross Torque) Command Pro6hp -14hp XTX Series6.5-7.75 ft-lbs(Gross Torque ...

goodbest New Carburetor for Kohler 23 24 25 26 27 HP Motor Toro Lawn  Tractor 32 853 12-S

goodbest New Carburetor for Kohler 23 24 25 26 27 HP Motor Toro Lawn Tractor 32 853 12-S

Kohler Engine CV740 Parts Lookup by Model Kohler Engine CV740 Exploded View parts lookup by model. Complete exploded views of all the major manufacturers. It is EASY and FREE. ... Kohler Engine Cv740 Parts Diagrams CV740-0001 BASIC 25 HP (18.6 kW) CV740-0002 SHIVVERS 25 HP (18.6 kW) CV740-0003 HUSQVARNA 25 HP (18.6 kW)

Kohler Engines Parts Diagrams, Kohler Engines CV740-0011 Ariens

Kohler Engines Parts Diagrams, Kohler Engines CV740-0011 Ariens

Cub Cadet M60-KH (53CB5BDX750) (Tank) 27HP Kohler V-Twin ... M60-KH (53CB5BDX750) (TANK) 27HP KOHLER V-TWIN OHV, 53CB5BDX750 CATALOG SEARCH. note: use keywords or part numbers instead of full sentences for best results. examples: 737-3025, 1234, filter, oil, pump, etc.

16431-RTA-J01 / 16431RTAJ01 / GASKET , LOWER CASE / CR-V ...

16431-RTA-J01 / 16431RTAJ01 / GASKET , LOWER CASE / CR-V ...

CV740 | Command PRO | KOHLER CV740. You work your tail off 12+ hours a day. It's time to hold your engine to the same standard. With extended maintenance intervals and fuel-efficient operation, KOHLER Command PRO engines work as hard as you do. *Length is front to rear of engine. Width is spark plug to spark plug. Height is top of air cleaner cover to mounting feet.

Kohler CV740-0033 MTD/CUB CADET 25 HP (18.6 kW) Parts Diagram ...

Kohler CV740-0033 MTD/CUB CADET 25 HP (18.6 kW) Parts Diagram ...

CV740-0024 - Parts Lookup and OEM Diagrams | PartsTree CV740-0024 - Kohler Command PRO Engine, Made for Ehp/Sears, 25hp, 725cc > Parts Diagrams (14) Hide Air Intake/Filtration 10-24-182 Blower Housing & Baffles 6-24-348

Kohler CV740-3115 Vertical Engine

Kohler CV740-3115 Vertical Engine

Kohler Cv740-0026 Wiring Diagram Kohler Cv740-0026 Wiring Diagram. Mtd-Cub Cadet, 27HP, KW Diagrams and order Genuine Kohler Engines Engines: vertical Parts. Displaying sections and components for the Kohler Engines CV - Kohler CV Engine, CV - Kohler CV Engine, Command PRO, Mtd-Cub Cadet, 27HP, KW Ignition/Electrical 5- 1/2 in by 1 6 wires on one side and 5 on other sid cub ...

Kohler CV740-0025 MEDART 25 HP (18.6 kW) - PartsWarehouse

Kohler CV740-0025 MEDART 25 HP (18.6 kW) - PartsWarehouse

Kohler Small Engine: Model CV740/0011 Parts & Repair Help ... Kohler Small Engine Model CV740/0011 Parts. Kohler Small Engine Model CV740/0011 Parts are easily labeled on this page to help you find the correct component for your repair. Filter results by category, title and symptom. You can also view diagrams and manuals, review common problems that may help answer your questions, watch related videos, read insightful articles or use our repair help ...

CV740 | Command PRO | KOHLER

CV740 | Command PRO | KOHLER

Kohler CV740-0024 lawn & garden engine parts | Sears ... Kohler CV740-0024 lawn & garden engine parts - manufacturer-approved parts for a proper fit every time! We also have installation guides, diagrams and manuals to help you along the way!

Kohler CH18 - Ch750 Manual | Grainland Moree

Kohler CH18 - Ch750 Manual | Grainland Moree

Kohler Cv740 Wiring Diagram - schematron.org Kohler Engine Parts Lookup Shop our huge parts diagram database, searchable by brand, model number, spec number, part number and save. If all you have is a serial number call us at or email us sales@schematron.org and we would be glad to look it up fo you. Kohler genuine service parts can be purchased from Kohler authorized dealers.

Bad Boy Parts Lookup 2012 ZT Engine (27Hp Kohler)

Bad Boy Parts Lookup 2012 ZT Engine (27Hp Kohler)

Kohler Cv740 Wiring Diagram Kohler Cv740 Wiring Diagram. Listed below are Kohler engine service repair manual in Adobe PDF format that you can download for free. Below we have provided a link to these manuals. We have parts, diagrams, accessories and repair advice to make your tool repairs easy.

KOHLER COMMAND PRO CH23 OWNER'S MANUAL Pdf Download | ManualsLib

KOHLER COMMAND PRO CH23 OWNER'S MANUAL Pdf Download | ManualsLib

Kohler Cv740 Parts Diagram - Wiring Diagram Pictures 30.04.2019. 5 Comments. on Kohler Cv740 Parts Diagram. kohler v twin vertical engine parts. Find Parts With Our Diagrams .. CV ; CV; CV; CV; CV; CV Products 1 - 21 of 21 25 hp Kohler Command Pro Engine, cc, CV, Dixie Chopper, Magic Circle ZTR, Free Shipping, No Tax. Was 27hp now rated at. schematron.org - Select Kohler Engines CV - Kohler CV ...

Kohler Engines and Parts Store, OPEengines.com

Kohler Engines and Parts Store, OPEengines.com

DK-57-2 Mist device (26 liters) Parts Strainer Matome BIG-M ...

DK-57-2 Mist device (26 liters) Parts Strainer Matome BIG-M ...

Kohler 27 HP Engine | CV740-0039 | eReplacementParts.com

Kohler 27 HP Engine | CV740-0039 | eReplacementParts.com

Kohler Engines Parts Diagrams, Kohler Engines KT740-3023 ...

Kohler Engines Parts Diagrams, Kohler Engines KT740-3023 ...

Kohler CV740-0019 - Kohler Command PRO Engine, Made for ...

Kohler CV740-0019 - Kohler Command PRO Engine, Made for ...

KOHLER COMMAND CV17 SERVICE MANUAL Pdf Download | ManualsLib

KOHLER COMMAND CV17 SERVICE MANUAL Pdf Download | ManualsLib

Kohler Command PRO 25 PA-CV740-3129 OEM

Kohler Command PRO 25 PA-CV740-3129 OEM

Kawasaki Motorcycle 2006 OEM Parts Diagram for Carburetor ...

Kawasaki Motorcycle 2006 OEM Parts Diagram for Carburetor ...

Kohler CV740-0009 - Kohler Command PRO Engine, Made for ...

Kohler CV740-0009 - Kohler Command PRO Engine, Made for ...

STENS Muffler for Kohler CV17-CV25 and CV730-CV740 24 068 20-S, 24 068  116-S 055-577

STENS Muffler for Kohler CV17-CV25 and CV730-CV740 24 068 20-S, 24 068 116-S 055-577

Kohler Engine CV740-3126 25 hp Command Pro 725cc Husqvarna

Kohler Engine CV740-3126 25 hp Command Pro 725cc Husqvarna

CV740 | Command PRO | KOHLER

CV740 | Command PRO | KOHLER

Kohler 27 HP Engine | CV740-0036 | eReplacementParts.com

Kohler 27 HP Engine | CV740-0036 | eReplacementParts.com

Kohler CV740-3144 JOHN DEERE 25 HP (18.6 kW) Parts Diagram ...

Kohler CV740-3144 JOHN DEERE 25 HP (18.6 kW) Parts Diagram ...

Kohler engine repair manuals PDF (gear forum at permies)

Kohler engine repair manuals PDF (gear forum at permies)

Kohler CV740-3118 HUSQVARNA 25 HP (18.6 kW) Parts Diagram for ...

Kohler CV740-3118 HUSQVARNA 25 HP (18.6 kW) Parts Diagram for ...

KOHLER

KOHLER

Kohler CV740-0025 MEDART 25 HP (18.6 kW) - PartsWarehouse

Kohler CV740-0025 MEDART 25 HP (18.6 kW) - PartsWarehouse

Kohler 27 HP Engine | CV740-0026 | eReplacementParts.com

Kohler 27 HP Engine | CV740-0026 | eReplacementParts.com

Kohler CV740-0025 MEDART 25 HP (18.6 kW) - PartsWarehouse

Kohler CV740-0025 MEDART 25 HP (18.6 kW) - PartsWarehouse

Kohler Command Pro 25 HP 725cc Engine 1-1/8

Kohler Command Pro 25 HP 725cc Engine 1-1/8" x 4" #CV740-3125

Kohler CV740-3131 - Kohler Command PRO Engine, Made for ...

Kohler CV740-3131 - Kohler Command PRO Engine, Made for ...

Kohler CV740-3121 SCAG 25 HP (18.6 kW) Parts Diagram for Oil ...

Kohler CV740-3121 SCAG 25 HP (18.6 kW) Parts Diagram for Oil ...

Volkswagen Control Box 030129608K - LLLParts

Volkswagen Control Box 030129608K - LLLParts

Kohler CV740-0010 - Kohler Command PRO Engine, Made for ...

Kohler CV740-0010 - Kohler Command PRO Engine, Made for ...

Kohler CV740-0042 - Kohler Command PRO Engine, Made for Land ...

Kohler CV740-0042 - Kohler Command PRO Engine, Made for Land ...

Kohler 27 HP Engine | CV740-0039 | eReplacementParts.com

Kohler 27 HP Engine | CV740-0039 | eReplacementParts.com

0 Response to "39 kohler cv740 parts diagram"

Post a Comment

Iklan Atas Artikel

Iklan Tengah Artikel 1

Iklan Tengah Artikel 2

Iklan Bawah Artikel