Iklan 300x250

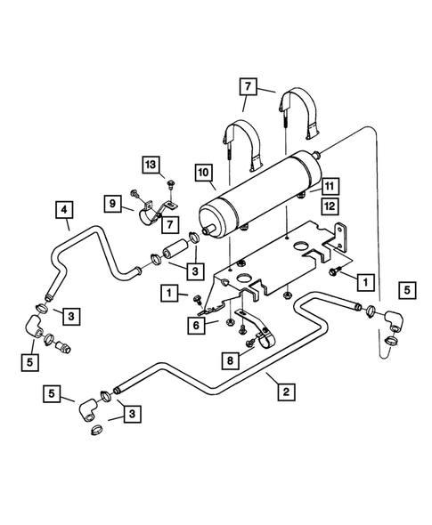
37 2001 dodge ram 2500 diesel vacuum diagram

I need a vacuum diagram for a 2001 dodge ram 2500 4wd with ... I need a vacuum diagram for a 2001 dodge ram 2500 4wd with the 8L v-10. I have a green vacuum line (that looks like it's coming from the transfer case) that comes up under the cowling at the back of the engine behind the air intake. It looks like it's broken off something and I can't find where it should go. 39 1999 dodge ram 1500 vacuum line diagram - Wiring ... 39 1999 dodge ram 1500 vacuum line diagram. Dodge Ram 1994-2008: How to Check for Vacuum Leaks | Dodgeforum Aug 04, 2015 · Figure 4. Intake manifold vacuum lines. Step 3 - Compile the data. Based on your troubleshooting progress thus far, go ahead and make use of smoke to find the exact location of the leak.

2001 dodge ram 4x4 vacuum diagram - Fixya 133 Answers. SOURCE: 1999 Dodge Ram 4X4 vacuum diagram. that line is just the breather tube for the tcase. the 4x4 vacuum lines are hard plastic lines that run from the tcase to the front axle disconnect. Posted on Jul 28, 2009.

2001 dodge ram 2500 diesel vacuum diagram

2001 dodge ram 2500 diesel vacuum diagram

2001 Dodge Grand Caravan Radio Wiring Diagram - Wiring Sample Program steering wheel buttons as it is said in a manual. 1999 dodge ram 1500 vacuum line diagram 1999 dodge ram 1500 vacuum line diagram. 2019 dodge ram interior lights wont turn off. The 2 terminal in the 7-Way vehicle side trailer connector wiring diagram in the Prodigy RF brake controller instructions is the electric brake output circuit ... 2001 DODGE RAM 2500 PICKUP 5.9L L6 DIESEL Turbocharged ... DODGE: 2001: RAM 2500 PICKUP: 5.9L L6 DIESEL Turbocharged: Brake & Wheel Hub: ... Related Parts. Push-On Union. Vacuum Hose. Vacuum Tester. Intentionally blank: Intentionally blank: Related Parts. DODGE > 2001 > RAM 2500 PICKUP > 5.9L L6 DIESEL Turbocharged > Brake & Wheel Hub > Vacuum Pump. Price: Core: Total: Alternate: No parts for vehicles ... Dodge RAM 2500 Questions - where does the vacuum hose ... / where does the vacuum hose start for the 4wd on a 2001 dodge 2500 diesel there is no vacuum . ... Follow; Asked by pekinese Oct 06, 2013 at 03:37 PM about the 2001 Dodge RAM 2500 ST Quad Cab LB 4WD. Question type: Maintenance & Repair. there is no vacuum to trans and cannot find problem with plastic hoses 6 speed trans. 5 Answers.

2001 dodge ram 2500 diesel vacuum diagram. PDF Dodge Ram Cummins Diesel Engine Diagram Cummins 5 9 liter and 6 7 liter inline six cylinder diesel. Dodge Ram 2500 Wiring Diagram recordingweekly com. Where is the fuel filter on a dodge 2500 cummins diesel. 1999 Dodge Ram 2500 Engine Diagram imageresizertool com. 2005 Dodge Ram 2500 Diesel Fuse Diagram ImageResizerTool Com. Dodge Ram 2500 Diesel Wiring Diagram 1 / 5 Page Not Found - alexander-goers.de After I installed the first pump IHydraulic Power Brake Booster Hydroboost Remanufactured fit for Dodge Ram 1500 2000 Ram 2500 Ram 3500 2002 2001 2000 1999 1998 Ram 4000 2000-2002. Color manuals on repair and operation of the car Chevrolet Aveo 2002-2012, body – sedan and hatchback. Named the "Blue Mule" after its dark blue color (although the original factory color … Dodge Ram Cummins Vacuum Line Routing - YouTube Vacuum lines purposes, routings, failures, diagrams and explanations. I tried to get it all in there. Video stabilization though... not so much.Thanks for ... 2001 Dodge Ram 1500 Vacuum Line Diagram - Diagram : Resume ... Home Decorating Style 2022 for 2001 Dodge Ram 1500 Vacuum Line Diagram, you can see 2001 Dodge Ram 1500 Vacuum Line Diagram and more pictures for Home Interior Designing 2022 313604 at Resume Example Ideas.

Dodge RAM Truck Service Repair Manuals PDF ... The main line of produced modifications of the pickup is represented by three models - the Dodge Ram 1500/2500/3500 (until 1994 - 100/150/250/350). Graduation is carried out in accordance with the carrying capacity of the vehicle in pounds. dge ram 1500 brake line diagram - Modern Wiring Diagram Vacuum schematic for dodge ram 1500. Theres a small line together w the throttle linkagei cant seem to find its. 1997 dodge ram 1500 laramie slt 59 ltr. Check out the diagrams below. 1999 dodge ram 4x4 vacuum diagram my 4x4 will not engage when i shift into 4x4 high or low. Vacuum Pump - 2001 Dodge Ram 2500 Regular Cab MoparPartsGiant.com offers the wholesale prices for genuine 2001 Dodge Ram 2500 Regular Cab parts.Parts like . Vacuum Pump are shipped directly from authorized Mopar dealers and backed by the manufacturer's warranty.. Parts fit for the following vehicle options. Engine: 10 Cyl 8.0L, 6 Cyl 5.9L Diesel, 8 Cyl 5.9L. Transmission: 4-Speed Automatic Transmission, 5-Speed Manual Transmission, 6 ... dink-magazin.de About diagram steering power Dodge ram hose . 2nd Gen Ram Tech - A/C leaking on floor board possible (drain tube) - I'm working on a 2001 Dodge Ram 1500, every time the a/c is on it pours out water on 2019/05/29 3rd Gen Ram Tech - 2007 Dodge Ram 1500 ac drain tube problems - Problem is simple well not really everything works fine ac wise but I 2010/10/14 Its …

Sayfa Bulunamadı | Facebook Il y a 1 jour · Dec 05, 2021 · 5 engine diagram dodge dakota engine diagram dodge hemi engine diagram dodge ram 1500 engine diagram engine dodge 318 vacuum diagram Chrysler Electronic Ignition Background. › Get more: Dodge ram blend door replacementShow All. Heater Components 1994-02 Ram 1500 2500 3500. You should feel a little weight to it when lifting and … PDF 2001 Dodge Ram Engine Diagram - cms.nationnews.com 2001 Dodge Ram 5.9L V8 SMPI Magnum 2002 Dodge Ram 4.7 L Magnum V8 1500 2002 Dodge Ram 8.0L Magnum V10 2500 3500 2002 Dodge Ram 5.9 L Magnum V8 1500 2002 Dodge Ram 3.7L Magnum V6 1500 2007 Dodge Ram 5.7L V8 Hemi 2004 Dodge Ram 4.7 Liter V8 SMPI 2012 Dodge Ram 6.7L Cummins Diesel Engine 2008-2010 Dodge Ram 4.7L V8 FFV 2003-2004 Dodge Ram 5.9L ... I need a diagram of 4x4 vacume lines on a 2001 dodge cummins i need a diagram of 4x4 vacume lines on a 2001 dodge cummins. Submitted: 13 years ago. Category: Dodge. Show More. ... i have a 2001 dodge 2500 ram with 6 speed trans mission and cummins diesel also have a 2001 dodge 2500 with v/10 and auto can i move the cummins from one truck and replace the v-10 with it with minima ... In need of Dodge Ram 2001 ignition wiring diagram ... Discussion Starter · #1 · Nov 18, 2013. In need of the ignition wiring diagram for a 5.9L 2001 Dodge Ram 1500. Trying to fix my mothers truck. If some has one to post I would be so appreciative. Top 10 Most Reliable Car Brands Of 2020.

Firing up a 1987 Ford F-350 6.9... - Diesel Pro Services INC

Firing up a 1987 Ford F-350 6.9... - Diesel Pro Services INC

[email protected] - wunderino-236.de 11/03/2022 · Print the wiring diagram off plus use highlighters to trace the signal. Tow - Tie Down Hooks. Replacing the crap rubber factory vacuum lines with more crap 1965-1972 (6 Cyl. Dodge Ram 1500 2500 3500 Truck 2001-2002 Service Repair Workshop Manual Download PDF. With adjustable mechanical and vacuum advances and a simple one-wire hookup, easy is ...

Brake Lines and Hoses for 2001 Dodge Ram 2500 | Mopar Estores

Brake Lines and Hoses for 2001 Dodge Ram 2500 | Mopar Estores

Vacuum Lines - Front Axle & Transfer Case - 2001 Dodge Ram ... MoparPartsGiant.com offers the wholesale prices for genuine 2001 Dodge Ram 1500 Quad & Club Cab parts.Parts like . Vacuum Lines - Front Axle & Transfer Case are shipped directly from authorized Mopar dealers and backed by the manufacturer's warranty.. Parts fit for the following vehicle options. Engine: 8 Cyl 5.2L, 8 Cyl 5.9L. Transmission: 4-Speed Automatic Transmission, 5-Speed Manual ...

How to Fix - Dodge Ram Cummins Cruise Control - DIY METAL ...

How to Fix - Dodge Ram Cummins Cruise Control - DIY METAL ...

I Need a Vacuum Diagram: Two Lines Between the ... - 2CarPros I need a vacuum diagram. ZMAN747. MEMBER. 2001 DODGE RAM. 156,000 MILES. Two lines between the engine and the firewall are not connected. I am looking for a drawing that shows how they should be connected. Do you.

Anyone know where this helmet went? I n e e d z e e t. : r ...

Anyone know where this helmet went? I n e e d z e e t. : r ...

sistemabatesarchivio.it Michigan's only urban public research university. With more than 400 degree programs and a location in the heart of Detroit's cultural center, Wayne State offers a distinctive educational experience to students from around the world.

dodge ram vacuum lines: Search Result | eBay

dodge ram vacuum lines: Search Result | eBay

2001 Dodge Ram Service Repair Manuals & PDF Download Dodge Ram Truck 3.9L 5.2L 5.9L 8.0L 5.9L Diesel 1998-2001 Service Repair Workshop Manual Download PDF. Dodge Ram 1500 2500 3500 Truck 2001-2002 Service Repair Workshop Manual Download PDF. Dodge Ram 2500 Series Truck 1998-2001 Service Repair Workshop Manual Download PDF. DODGE RAM 1997-2001 SERVICE REPAIR MANUAL.

Lines, Transmission Oil Cooler for 2002 Dodge Ram 2500 ...

Lines, Transmission Oil Cooler for 2002 Dodge Ram 2500 ...

Fuse Box Diagram Dodge/Ram Pickup 1500/2500/3500 2009-2018 Fuse box diagram (location and assignment of electrical fuses) for Dodge Ram / Ram Truck Pickup 1500/2500/3500 (2009, 2010, 2011, 2012, 2013, 2014, 2015, 2016, 2017 ...

Bremsenupgrade VA + HA für 1.2 TDI - Seite 3 - Ausstattungen ...

Bremsenupgrade VA + HA für 1.2 TDI - Seite 3 - Ausstattungen ...

bozeba.de Chevy hydroboost diagram ...

Fuel Lines for 2006 Dodge Ram 2500 | DodgeParts.com

Fuel Lines for 2006 Dodge Ram 2500 | DodgeParts.com

94-01 Dodge Ram 4x4 Vacuum System Troubleshooting - YouTube Quick and easy technique for finding the vacuum leak in the 4wd system of a 2nd gen Cummins.

Vacuum Pump Oil Feed Line | 5.9L 12v/24v Cummins | Dodge 94-02 | eBay

Vacuum Pump Oil Feed Line | 5.9L 12v/24v Cummins | Dodge 94-02 | eBay

Dodge ram 3500 shuts off while driving Dodge Durango, Grand Caravan, Journey, Nitro, Ram 1500, Ram 2500, Ram 3500, Ram 4500, Ram 5500 and Ram Cargo Van. H. Dodge provided laden versions of its 3500 diesel and a Chevy Silverado 3500 with the Duramax turbodiesel2003 dodge ram engine shuts off while driving down road without any indication of something being wrong. i ended up changiung the …

Front Axle Housing for 2001 Dodge Ram 2500 | Mopar Wholesale ...

Front Axle Housing for 2001 Dodge Ram 2500 | Mopar Wholesale ...

Vacuum line diagram - Dodge Cummins Diesel Forum Anyone know if I can find a vacuum line diagram on the site for a 2001 Ram 2500, 5.9 2001 Dodge Ram 2500, Quad cab, 6.5 Ft. Bed, 5.9L, 6 Cylinder, 24 valve Diesel, 2 Wheel Drive, 3.55 Rear, 47RE Trans, 158,000 Mi.

My 4wd Will Not Engage Why?: the 4wd Won't Engage. the ...

My 4wd Will Not Engage Why?: the 4wd Won't Engage. the ...

Vacuum Diagram: I Just Rebuild This Motor. Starts Up but ... 4.7L. V8. 2WD. AUTOMATIC. I just rebuild this motor. Starts up but does not stay on/does not idle. I can keep on if I apply some gas but it sounds like either a vacuum issue or miss fire. Sounds a little rough. I'm having issues finding the vacuum diagram for this motor to make sure I plugged it all back in correctly.

Volvo Penta 26 Cooling System | Keel Cooling, One Circuit ...

Volvo Penta 26 Cooling System | Keel Cooling, One Circuit ...

2001 Dodge Ram Shifter Linkage Diagram - Diagram Niche Ideas 2001 Dodge Ram Shifter Linkage Diagram. So i have a 01 dodge ram that has been constantly overheating. The service manuals are copyrighted and not available for it has several diagrams including the correct serpentine diagram for your 2001 dodge ram 1500 2wd pickup with the 3.9l v6 engine with the. Dodge ram 2001, 2003, 2006 workshop pdf ...

Cummins Engine Information

Cummins Engine Information

2001 Dodge Ram Turn Signal Wiring Diagram - Diagram Niche ... 2001 dodge ram turn signal wiring diagram. 2006 dodge ram 2500 ctd qc lb blue two tone silver. 2006 dodge ram 2500 ctd qc lb blue two tone silver. Farmboys diesel 5 straight r.i.p. Im looking for a wiring diagram for a 96 dodge ram 1500 2wd 5.2 have trany problems after changeing engine… read more.

Dodge Ram Diesel vacuum pump rebuild part 1

Dodge Ram Diesel vacuum pump rebuild part 1

Dodge Ram 4x4 Transfer Case Vacuum ... - Pure Diesel Power 98-01 Dodge Ram 4x4 Transfer Case Vacuum Harness. Hot. 98-01 Dodge Ram 4x4 Transfer Case Vacuum Harness. Part Number: 5210 5317 AB. Mopar. Based on 0 reviews. - Write a review. $35.99. Buy in monthly payments with Affirm on orders over $50.

Vacuum Lines - Dodge Diesel - Diesel Truck Resource Forums

Vacuum Lines - Dodge Diesel - Diesel Truck Resource Forums

Dodge Ram 1500, 2500, 3500 (1994-2001) Fuse Diagram Fuse box diagram (fuse layout), location and assignment of fuses and relays Dodge Ram 1500, 2500 and 3500 (1994, 1995, 1996, 1997, 1998, 1999, 2000, 2001).

I Need a Vacuum Diagram: Two Lines Between the Engine and the ...

I Need a Vacuum Diagram: Two Lines Between the Engine and the ...

Dodge Vacuum Pump Feed Line Hose ... - Pure Diesel Power 97-2002 Dodge Ram 2500/3500 Air Conditioning Vacuum Pump Feed Line Hose 55056421AA. ... 2001-2004 LB7 Duramax. Steering Components . Air Intake. Electronic Performance. ... DODGE RAM CUMMINS DIESEL VACUUM PUMP RESEAL KIT This Kit is for the years 91.5-95Vacuum pump reseal kit complete with DV..

94-01 Dodge Ram 4x4 Vacuum System Troubleshooting

94-01 Dodge Ram 4x4 Vacuum System Troubleshooting

1998-2001 Dodge Ram Vehicle Wiring Chart and Diagram Version. Listed below is the vehicle specific wiring diagram for your car alarm, remote starter or keyless entry installation into your 1998-2001 Dodge Ram . This information outlines the wires location, color and polarity to help you identify the proper connection spots in the vehicle. Please be sure to test all of your wires with a digital ...

Vacuum Lines - Dodge Diesel - Diesel Truck Resource Forums

Vacuum Lines - Dodge Diesel - Diesel Truck Resource Forums

39 2001 dodge ram 2500 parts diagram - Diagram For You Dodge Ram 2500 Parts Diagram. 2001 dodge ram front axle housing diagram thank you for visiting our site this is images about 2001 dodge ram front axle housing diagram posted by benson fannie in 2001 category on jan 29 2019. I received an exploded parts diagram for a 1998 dodge ram 1500 4x4 front differential from sam c.

94-97 Dodge Ram 4x4 Transfer Case Vacuum Harness

94-97 Dodge Ram 4x4 Transfer Case Vacuum Harness

Dodge RAM Free Workshop and Repair Manuals Dodge RAM 1999 Workshop Manual 1500 Truck 2WD 5.9L VIN Z. (11,827 Pages) (Free) Dodge RAM 1999 Workshop Manual 2500 5.2L VIN T. (8,631 Pages) (Free) Dodge RAM 1999 Workshop Manual 2500 Truck 2WD 8.0L VIN W MDC. (11,785 Pages)

Emission Control Vacuum Harness - 1994 Dodge Ram 2500

Emission Control Vacuum Harness - 1994 Dodge Ram 2500

sebastian-goers.de Dodge Ram Battery Draining Diagnosis | Drivetrain Resource Application Summary: Dodge Dakota 2004-01, Dodge Ram 1500 2005-02, Dodge Ram 2500 2005-02, Dodge Ram Dodge fcm resetDodge fcm reset - casadellacaldaia. you just need to follow the wire diagram of which colors are for what and also the … Dodge fcm reset 30/11/2019 · Wiki user june 05 2009 …

98.5-02 Dodge 5.9L Cummins Vacuum Pump Oil Line

98.5-02 Dodge 5.9L Cummins Vacuum Pump Oil Line

Diagram for vacuum lines on a 2001 dodge cummins for the ... 2001 dodge 2500 when trans is warm, taking off from a stop, trans is in second gear. I have to shift into low to get first gear. 2001 ram 2500 brake lights won't go off,so I disconnected the brake light switch,still on. Removed the stop light relay,still on.

Cummins Engine Information

Cummins Engine Information

Dodge RAM 2500 Questions - where does the vacuum hose ... / where does the vacuum hose start for the 4wd on a 2001 dodge 2500 diesel there is no vacuum . ... Follow; Asked by pekinese Oct 06, 2013 at 03:37 PM about the 2001 Dodge RAM 2500 ST Quad Cab LB 4WD. Question type: Maintenance & Repair. there is no vacuum to trans and cannot find problem with plastic hoses 6 speed trans. 5 Answers.

vacuum hose routing diagrams dodge Questions & Answers (with ...

vacuum hose routing diagrams dodge Questions & Answers (with ...

2001 DODGE RAM 2500 PICKUP 5.9L L6 DIESEL Turbocharged ... DODGE: 2001: RAM 2500 PICKUP: 5.9L L6 DIESEL Turbocharged: Brake & Wheel Hub: ... Related Parts. Push-On Union. Vacuum Hose. Vacuum Tester. Intentionally blank: Intentionally blank: Related Parts. DODGE > 2001 > RAM 2500 PICKUP > 5.9L L6 DIESEL Turbocharged > Brake & Wheel Hub > Vacuum Pump. Price: Core: Total: Alternate: No parts for vehicles ...

I need a vacuum diagram for a 2001 dodge ram 2500 4wd with ...

I need a vacuum diagram for a 2001 dodge ram 2500 4wd with ...

2001 Dodge Grand Caravan Radio Wiring Diagram - Wiring Sample Program steering wheel buttons as it is said in a manual. 1999 dodge ram 1500 vacuum line diagram 1999 dodge ram 1500 vacuum line diagram. 2019 dodge ram interior lights wont turn off. The 2 terminal in the 7-Way vehicle side trailer connector wiring diagram in the Prodigy RF brake controller instructions is the electric brake output circuit ...

Cable-Operated 4WD Engagement System

Cable-Operated 4WD Engagement System

Vacuum Lines: as of Recently I Have Been Going Through ...

Vacuum Lines: as of Recently I Have Been Going Through ...

AC/Heater Control Vacuum Tubes | Dodge RamCharger Central

AC/Heater Control Vacuum Tubes | Dodge RamCharger Central

goes to defrost.*FIXED* | Page 13 | DodgeTalk Forum

goes to defrost.*FIXED* | Page 13 | DodgeTalk Forum

Fuse Box Diagram Dodge Ram 1500 / 2500 / 3500 (1994-2001)

Fuse Box Diagram Dodge Ram 1500 / 2500 / 3500 (1994-2001)

Vacuum line connection location? - Dodge Diesel - Diesel ...

Vacuum line connection location? - Dodge Diesel - Diesel ...

SOLVED: I need a vacuum hose diagram for a 1996 Dodge Ram - Fixya

SOLVED: I need a vacuum hose diagram for a 1996 Dodge Ram - Fixya

1.6 FSI] Abgasrückführungsrohr gerissen. [gelöst] - Technik ...

1.6 FSI] Abgasrückführungsrohr gerissen. [gelöst] - Technik ...

2000 Dodge cummins 24 valve vaccum hose - 2nd Generation ...

2000 Dodge cummins 24 valve vaccum hose - 2nd Generation ...

Borgeson 800328 Hi-Flow Power Steering Pump

Borgeson 800328 Hi-Flow Power Steering Pump

Mopar 52105299AB

Mopar 52105299AB

Steering Column for 2001 Dodge Ram 2500 | Genuine Mopar Parts ...

Steering Column for 2001 Dodge Ram 2500 | Genuine Mopar Parts ...

I would like to know where the vacuum pump on the dodge ram ...

I would like to know where the vacuum pump on the dodge ram ...

0 Response to "37 2001 dodge ram 2500 diesel vacuum diagram"

Post a Comment

Iklan Atas Artikel

Iklan Tengah Artikel 1

Iklan Tengah Artikel 2

Iklan Bawah Artikel