39 keihin fcr carb diagram
The Keihin FCR Carb Rebuild With Zip-Ty Racing - Dirt Rider Tech How-To A good portion of modern four-stroke engine performance is due to the Keihin FCR carburetor. An accelerator pump and a high-tech slide supported by four wheels make the FCR a ... Keihin FCR Carburetor for '04-'16 Honda TRX 450R — Duncan ... Keihin FCR Carburetor for '04-'16 Honda TRX 450R. 749.00. This kit is currently not available for purchase online. To order, please contact DRI at 619-258-6306 and speak with one of our sales representatives who will assist you by collecting the required specifications and placing your order. Keihin FCR Carburetors are the top shelf from Keihin.
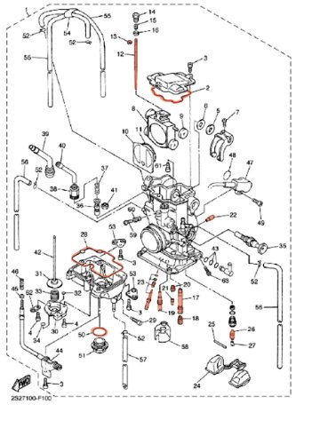
FCR-MX EXPLODED VIEW - Jets R Us FCR-MX EXPLODED VIEWFCR-MX37, FCR-MX39, FCR-MX41. Click here for other parts not listed below. Scroll down to bottom of page for other parts. 5. Top Cover All 1030-897-2000 021-710. 6. Gasket, Top Cover All 1202-895-6000 021-711. 7. Choose M4x12 socket head screw in fasteners or FCR-MX Screw M4 x 12mm KEIHIN #0136-806-1100 021-700.

Keihin fcr carb diagram
Keihin carb diagram - fendn.de Keihin Fcr Carb Diagram. Carburetor kit for new Royal Enfield 500, 30 or 32mm 9. 27176-90. As air is pulled down through the throat of the carburetor by intake vacuum, fuel is siphoned from the carburetor's fuel bowl and mixed with the incoming air to form a combustible mixture. polaris keihin carb diagram. Semi-Flat Slide CV Carburetor Flat ... Sudco Intl. Corp. - Keihin Diagrams Sudco International Corp. 2410 S. Sequoia Drive Compton, CA 90220 . Tel.(310) 637-8330 • Fax (310) 637-8331. Email: sudco@sudco.com. Quick Links. Dealer's Application Keihin FCR 35mm-41mm Carburetor Keihin Needle Jets - JSD ... Now:$12.88. (You save $2.12 ) (No reviews yet) Write a Review. Write a Review. Close ×. KEIHIN. Keihin FCR 35mm-41mm Carburetor Keihin Needle Jets. Rating Required Select Rating 1 star (worst) 2 stars 3 stars (average) 4 stars 5 stars (best) Name Required.
Keihin fcr carb diagram. FCR single CARB EXPLODED VIEW - Jets R Us FCR-MX37, 39, 41 with Air Cut-Off Valve/Hot Start/TPS 020-321. FCR Accelerator Pump Rebuild Kits for Keihin FCR Carburetors. For FCR Genuine "KEIHIN" replacement parts. Kits include diaphragm, spring, "u-ring," o-ring, and 4 x 8mm screws.Kits available for Keihin Downdraft & Horizontal carbs and Keihin FCR-MX carb. Made in Japan. Keihin Carburetor Manual Download - Fixing The Dreaded ... To avoid injury, carburetors should be installed when the engine is cold. Carbkie.html, keihin fcr carb tuning procedures. Keihin Carburetor Manual Download - Fixing The Dreaded Lean Bog On Keihin Fcr Carburetors 4 Steps Instructables -. Torichen or lean the needle, see carburetor diagram.pilot/slow jet: Many thanks to marc salvisberg, . Keihin FCR Carburetors @ PJMotorsports.com Welcome To PJMotorsports For All Your Keihin-Mikuni Carburetors Buy Your Keihin FCR, CR Special, PWK, PJ, PE, PWM. Here Fast -Personal Service QUICK LINKS. Keihin FCR Carburetor Kits. Keihin FCR Filter Adapters. ... 2 Up and 2 Down from the size jets that come with the New Carburetor. PDF Keihin FCR tuning manual Version 3 finer points of using dynamometers and tuning carburetor equipped engines. I'm sure he still disagrees with some of what's here (my dislike of changing float level, and even suggesting that one use a lambda sensor, for examples...), but this version of my FCR tuning manual is a lot better than the ones I wrote before I did my stint as a
Keihin FCR carburetor parts diagram - Frank! MXParts Keihin FCR carburetor parts diagram. Keihin FCR carburetor parts diagram . For parts not listed below, please contact us. 006 - gasket, top cover 011 - screw, bracket 021 - vacuum release plate 022 - seal 023 - jet needle 024 - clip for jet needle 025 - needle set screw ... Sudco Intl. Corp. - Jetting Assistance Sudco International Corp. 2410 S. Sequoia Drive Compton, CA 90220 . Tel.(310) 637-8330 • Fax (310) 637-8331. Email: sudco@sudco.com. Quick Links. Dealer's Application Keihin FCR MX carburetor - parts diagram - Frank! MXParts Keihin FCR MX carburetor parts diagram. Keihin FCR MX carburetor parts diagram . For parts not listed below, please contact us. 006 - gasket, top cover 021 - vacuum release plate 022 - seal 023 - jet needle 024 - clip, jet needle 026 - main nozzle 027 - main jet ... Helpful Tips Keihin PWK and FCR Instructions, Exploded ... Carburetor Tuning Range Chart: Keihin Needle Chart with Small Needle Tip Notation: Suzuki DRZ400S BSR Carburetor: FCR-MX Carburetor Parts: Eploded View 1: Eploded View 2: Carburetor Clamps and Fittings: FCR1 Single Carburetor Parts: Accelerator Pump Diaphragm Spacer in Jet Kit JDK015, JDK013, and JDK002: Needle Clip Positions for FCR carburetor ...
High Performance Carburetors For Motorcycles | Keihin ... The carburetor no one can exceed. Keihin was asked by the top racing teams to design state of the art carburetors for their factory Super Bike racing machines. The FCR carburetors are the result of that request. Along with the highest level of technology available, the FCRs have proven their advantage with race wins around the world. Fixing the Dreaded Lean Bog on Keihin FCR Carburetors : 4 ... Fixing the Dreaded Lean Bog on Keihin FCR Carburetors: I recently had the pleasure of performing a complete frame down rebuild on a 2007 CRF250R that came to me with an intolerable bog issue when the throttle was stabbed from idle or low RPM (both when riding, and on the stand). After the head was rebu… How to Identify Keihin Carburetors | Livestrong.com Step 1. Visit Keihin's website at keihin-us.com and access the products page. This will pull up a list of carburetor models on the left side of the screen. Click the models until you find the picture that looks like your model. Information on parts and repair is also posted. Advertisement. Keihin FCR and FCR-MX Carburetor Adjustable Slow Air Jet ... Keihin 99101-ZF5-XXX (99101-124-XXX) Main and Slow Air Jet CVK FCR FCR-MX. $7.95 $6.50. Add to cart. Keihin FCR and FCR-MX OEM Carburetor Mid Body Gasket Kit. $29.99 $25.95. Add to cart. Keihin FCR and FCR-MX Carburetor Extended Fuel Screw By MSR.
Amazon.com: Carburetor Rebuild Repair Kit for Keihin FCR ... PRODUCT NAME -- FCR MX Carburetor Rebuild/Repair Kit FITMENT: For Keihin FCR MX carburetor (28, 32, 33, 35, 37, 39, 41mm) Notice: Not for Suzuki DRZ400, not for the regular FCR Slant carb. FEATURE ☑ To rebuild/repair a FCR MX carb ☑ Everything necessary is included ☑ Perfect fit, functioning like original parts PACKAGE 1x Main jet (#160)
39 - Keihin Carburetor Carbhub Carburetor Rebuild Kit for Keihin FCR Slant Body 28 32 33 35 37 39 41mm Carbs Product Description & Features: 【Note】What you see in. Read more. JDLLONG Carburetor Rebuild Repair Kit Fits Keihin FCR 28 32 33 35 37 39 41mm Carb KTM Husqvarna. September 10, 2020 CarbGuy Rebuild Kits.
Complete Keihin FCR Carbs - OEMdirtbikeparts.com XR650L Carburetor Upgrade Kit- Complete Keihin FCR MX 41mm Assembly 1996-2022. Rated 5.00 out of 5. Retail Price $ 1,303.99 Our Price $ 989.89 Select options; Sale! Keihin Dirt Bike Carburetor Kit for Sale - Complete Carb Upgrade Assembly. Rated 5.00 out of 5. Retail Price $ 1,513.99
Off Road Carburetors | Keihin North America Keihin has developed an FCR carburetor designed for the specialized needs of the off-road racer. The FCR-MX carburetor has many new features to take motocross and ATV performance to the next level. FCR-MX Features. Over-flow drain joint and tube. Air cut valve (ACV) for de-acceleration enrichment.
FCR - Keihin Carburetor Air Fuel Mixture Screw for Keihin FCR FCR-MX Carburetor for Honda Yamaha Suzuki Kawasaki Carburetor Mixture Screw Kit (Red) Product Description & Features: 【Fitment】 Air. Read more. KIPA Carburetor For CRF450R CRF450X FCR40 FCR 40mm 400 EXC 450 SXF XC-F EXC Kawasaki KLX450R KX450F Husqvarna TC450 TE450 Suzuki RMZ450 Performance Flat side Carb.
carbkie.html, Keihin FCR Carb Tuning Procedures Keihin FCR tuning manual Version 3.3 By Patrick Burns: Many thanks to Marc Salvisberg, founder of Factory Pro Tuning, for teaching me the finer points of using dynamometers and tuning carburetor equipped engines. I'm sure he still disagrees with some of what's here (my dislike of changing float level, and even suggesting that one use a lambda ...
Keihin FCR Carburetor How-To: - Dirt Bikes DirtBikes.com contributor Mark Barnes tweaks Keihin's FCR carburetor to gain better performance from his carby KTM. December 9, 2016 December 12, 2016 Mark Barnes With a few mods, the Keihin FCR carburetor found on many carbureted KTMs, Hondas and Yamahas can be tailored for better throttle response.
kreuzkirche-osterode.de FCR41 FCR 37 39 41 CARB''Keihin FCR 41 MX Accerlator Pump PROBLEM YouTube May 12th, 2018 - Carb Is From 450 CRF 03 Keihin FCR 41 MX Accerlator Pump PROBLEM Keihin FCR Carburetor Jetting Duration 9 31''Keihin Fcr 41 For Sale Replacement Engine Parts May 10th, 2018 - Drz 400 Carburetor Keihin Fcr 41 Mx New 13 / 15 The OEM Jet became brittle and ...
Keihin PWK and FCR Instructions & Exploded ... - JD Jetting Accelerator Pump Diaphragm Spacer in Jet Kit JDK015, JDK013, and JDK002. Accelerator Pump Diaphragm Spacer in Jet Kit JDK015, JDK013, and JDK002 Pump diaphragm spacer reduces excessive pump fuel during throttle snap and acceleration. Keihin PWK and FCR Instructions & Exploded Views and Parts -Picture Gallery.
Keihin FCR Flat CR Carburetor Rebuild Kits - Power-Barn The Keihin FCR flat CR carburetor rebuild kits contain all the necessary genuine Keihin components to rebuild your FCR carburetor. Kits are available for either horizontal draft or downdraft carburetors. All kits are sold each so order the same amount of kits as you have carburetors. The kits do not include jetting.
FCR & FCR-MX Carburetor Parts - OEMdirtbikeparts.com Dirt Bike Carburetor Idle Adjuster - Engine RPM Screw Knob OEM Retail Price $ 74.86 Our Price $ 54.89 Add to cart; Sale! Dirt Bike Carburetor Rebuild Genuine Keihin FCR Gasket Kit OEM 32-41mm Retail Price $ 440.86 Our Price $ 244.90 Select options; Sale! Dirt Bike Choke Knob Plunger Carburetor Cold Start KEIHIN PWK Carb Retail Price $ 71.99
Keihin FCR 35mm-41mm Carburetor Keihin Needle Jets - JSD ... Now:$12.88. (You save $2.12 ) (No reviews yet) Write a Review. Write a Review. Close ×. KEIHIN. Keihin FCR 35mm-41mm Carburetor Keihin Needle Jets. Rating Required Select Rating 1 star (worst) 2 stars 3 stars (average) 4 stars 5 stars (best) Name Required.
Sudco Intl. Corp. - Keihin Diagrams Sudco International Corp. 2410 S. Sequoia Drive Compton, CA 90220 . Tel.(310) 637-8330 • Fax (310) 637-8331. Email: sudco@sudco.com. Quick Links. Dealer's Application
Keihin carb diagram - fendn.de Keihin Fcr Carb Diagram. Carburetor kit for new Royal Enfield 500, 30 or 32mm 9. 27176-90. As air is pulled down through the throat of the carburetor by intake vacuum, fuel is siphoned from the carburetor's fuel bowl and mixed with the incoming air to form a combustible mixture. polaris keihin carb diagram. Semi-Flat Slide CV Carburetor Flat ...
0 Response to "39 keihin fcr carb diagram"
Post a Comment