38 peerless 700 transmission parts diagram
6.2.2014 · Thinking Outside the Box: A Misguided Idea The truth behind the universal, but flawed, catchphrase for creativity. Posted February 6, 2014 Academia.edu is a platform for academics to share research papers.
Subaru's EJ205 was a 2.0-litre horizontally-opposed (or 'boxer') four-cylinder turbocharged petrol engine. In Australia, the EJ205 was available in the SF.II Forester GT from August 1998 and the GC.II/GM.II Impreza WRX from September 1998.

Peerless 700 transmission parts diagram
Peerless Gear was founded in Toledo, Ohio in 1945, with only a dozen hourly employees, but the small company quickly developed a reputation for quality and professional work. The company grew, necessitating a move in 1956 to new facilities in Dunkirk, Ohio, where it continued to prosper and grow. In 1963, we became part of Tecumseh Products Corporation which provided new strategies in ... In the carburetor section of the Master Parts Manual or Microfiche Catalog or computer parts look-up system. A cross reference chart will convert a carburetor manufacturing number to a Tecumseh part number. 89 4F5 Complete carburetor replacement may be accomplished with a standard service carburetor. Peerless Gear is located in Salem, Indiana, USA and has been operating for over 75 years. We design, manufacture, and sell drivetrain units worldwide for commercial, agricultural, industrial, recreational, and residential industries. Service parts and replacement product for end users are supplied by our global service dealers and central ...
Peerless 700 transmission parts diagram. OEM Spec Transmission, 5 Speed with Reverse. "New Style" Transmission has 9 spline input shafts and shift level is held on with a nut. Replaces OEM Part Numbers: Replacement for Bobcat/Ransom 4127203 Replacement for Exmark: 1-323500, 132-4720, 137-4105 Replacement for Gravely: 04901000 Replacement for Peerless Style: 700-070, 700-078, and 700-079 Replacement for Scag 481580 Replacement for ... Peerless replacement parts available through Sears PartsDirect. Sears PartsDirect has easy-to-read illustrated diagrams to quickly identify the part you need. We only offer manufacturer-approved replacement parts, so you can rest assured in knowing the part will fit your model. Handbook of Mechanical Engineering calculation Second Edition by Tyler G. Hicks.pdf Aug 10, 2009 · My shop. I could not pay $700.00 for a new transmission… Didn’t make sense. So I contacted Tuff Torque and ordered all the replacement parts….I following the diagram and carefully putting all the parts back in place….am I going to regret spending so much on this project..I have 200 hours on the machine, since 2008.
Aviation History magazine is an authoritative, in-depth history of world aviation from its origins to the Space Age. Aviation History offers air enthusiasts the most detailed coverage of the history of manned flight, with action-packed stories and illustrations that put the reader in the cockpit with pilots and military (Army, Navy, and Marines) aviators to experience aviation’s greatest dramas. Tecumseh PRO-GEAR T7511 5 SPEED TRANSMISSION for PEERLESS 700-079, 04901000/49010, 14177 All classifieds - Veux-Veux-Pas, free classified ads Website. Come and visit our site, already thousands of classified ads await you ... What are you waiting for? It's easy to use, no lengthy sign-ups, and 100% free! If you have many products or ads, create your own online store (e-commerce shop) and conveniently group all your classified ads in your shop! Webmasters, … Symposia. ITMAT symposia enlist outstanding speakers from the US and abroad to address topics of direct relevance to translational science. Read more
Amazon.com : PRO-Gear T7511 Transmission REPL Peerless 700-079 : Lawn Mower Parts : Patio, Lawn & Garden I am not a mechanic. Vid includes my perspective of repair vs. replace.Link to tear down vid: https://m.youtube.com/watch?v=7fdPD62OEWg&t=307s PEERLESS TRANSMISSION MODEL 700-070A diagram and repair parts lookup for Toro 30197 - Toro 48" ProLine Walk-Behind Mower, Gear Drive, 15hp (SN: 200000001 - 200999999) (2000) Scag SW32-13BV (1001-1116) PEERLESS TRANSMISSION MODEL 700 - 022 Exploded View parts lookup by model. Complete exploded views of all the major manufacturers. It is EASY and FREE
http://goo.gl/M8nN0r Click link to price out the snap ring pliers. They work fine for what I do with them. In this video, I take a look at a Murray tractor...
Hollywood.com | Feel-Good Entertainment & Movie News
TRANSMISSION, 700-073. ALSO KNOWN AS DR 10170, DR 101701. CAN USE DR 10170. $258.31 $256.00.
Replaces PEERLESS 771842, Scag 481582, MTD Pro / Cub Cadet Commercial 00030352 & Wright 39490002. Pro-Gear Drive Shaft 30-1017. 6-1/4" long 9-Spline. Our Price: $19.99
Transmission Fits Peerless Style 700-070A 14176 4127203 481580 1-323500 OEMS
Transmission for Tecumseh Peerless 5 Speed 700070, 700070A, 700078, 700079, 794626A, 794626B, 794699, 794816, 794816A, 700-070, 700-070A, 700-078, 700-079 Rating * Select Rating 1 star (worst) 2 stars 3 stars (average) 4 stars 5 stars (best)
b. 700 "H" Series. This unit is built with almost all interchangeable parts with in it's two cases except that this will be a "H" shift pattern. This unit has 3 or 4 speeds forward and 1 reverse. c. 2800 Series. This unit is built to work on the 2600 series. It is used as a P.T.O. transmission to run external equipment. 4. DIFFERENTIALS
700 Series Transmissions 700H Series Transmissions 800/801 Series Transaxles 820 Series Transmissions 900 Series Transaxles 910 Series Transaxles T E C H N I C I A N ' S H A N D B O O K TECUMSEH Form No. 691218 R 3/02 Litho in U.S.A. 740045 ENGINES & TRANSMISSIONS Tecumseh Products Company Engine & Transmission Group 900 North Street Grafton ...
Step 3: Finding your Parts from the Peerless PDF Parts List. Once you have extracted the numbers from your sticker you should have the following information: Model Number - For example: 205-026c or 801-030c. The most important of all of the numbers is the 6 digit number above. Look through the list of pdf parts lists below and you should be ...
Get 24⁄7 customer support help when you place a homework help service order with us. We will guide you on how to place your essay help, proofreading and editing your draft – fixing the grammar, spelling, or formatting of your paper easily and cheaply.
Peerless 700-005 engine & drivetrain parts - manufacturer-approved parts for a proper fit every time! We also have installation guides, diagrams and manuals to help you along the way!
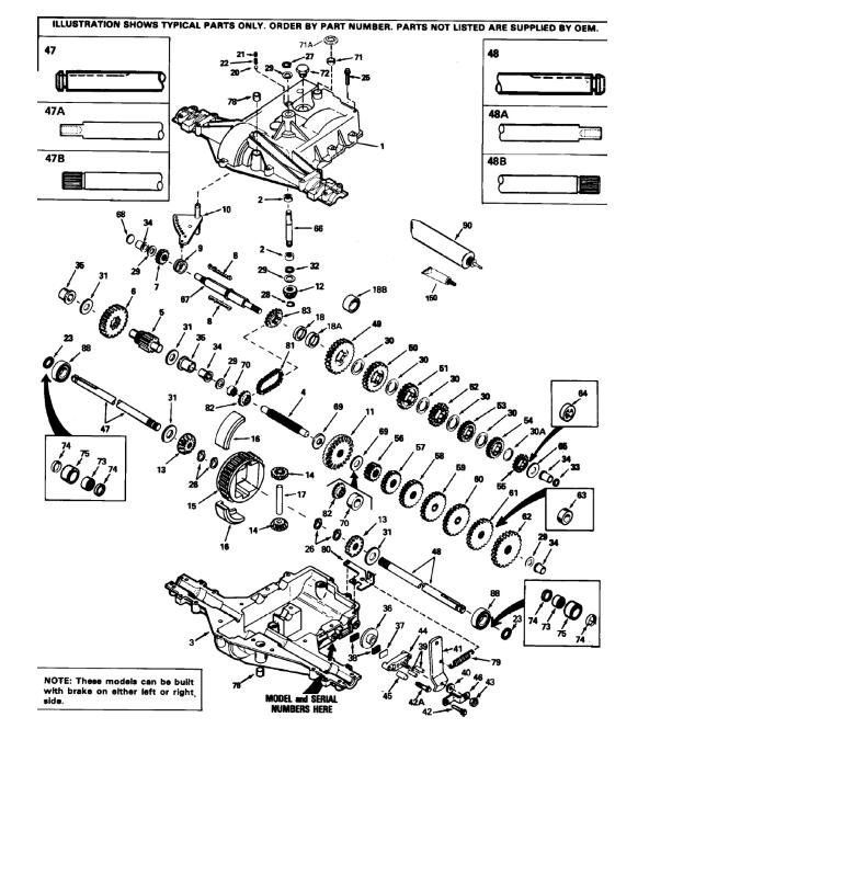
PEERLESS® GEAR Your Transmission Solution Made in the USA Since 1945 1555 SOUTH JACKSON STREET SALEM, INDIANA 47167 ... SPUR GEAR ARE SEPARATE PARTS. NOTE: These models can be built ... To be filled through shifter lever opening. 6 0 0 s E R I E s 4 . 7 0 0 s E R I E s 5 700 SERIES TRANSMISSION MODEL and SERIAL NUMBERS HERE lo/
We always make sure that writers follow all your instructions precisely. You can choose your academic level: high school, college/university, master's or pHD, and we will assign you a writer who can satisfactorily meet your professor's expectations.
We have put together a simple 4 step process to help you find your gearbox model and spare part. 1. Identification Sticker. Find the sticker on your gearbox which contains all of the information you need. 2. Gearbox Numbers. Use the sticker to identify and understand the required gearbox numbers. 3.
add to cart: tecumseh 700-070 tecumseh 700-070a tecumseh 794626a: transmission: rot14176 aftermarket made by pro-gear. model # t7510: $209.99 & only $7.95 shipping
Search Tip: Use quotes "xxx" on searches with spaces or - in part number
Click to get the latest Where Are They Now? content.
Tecumseh once owned peerless, and when Tecumseh went out of business, we brought in a copy with hardened gears and the reverse gear removed.This became the EC Race Ready 700 Transmission. Some parts would interchange, and some would not. Be sure of which transmission you have before ordering parts.
Peerless www.mymowerparts.com For Tecumseh Peerless Transmission Transaxle Parts Call 606-678-9623 or 606-561-4983. 1000-1000-081 Page 2 of 2 Peerless Ref # Part Number Qty Description 1 772067 1 Right Angle Drive Head Cover ... Diagram(s) and/or PartsList(s) Author: Owner
Peerless Transmission Parts Peerless Transmission Parts: Peerless builds transmissions, transaxles, gearboxes, and much more products for several outdoor power equipment and lawn mower brands, like Husqvarna, Toro, and Scag. The Peerless brand is now a part of Husqvarna Outdoor Power.
Peerless Gear is located in Salem, Indiana, USA and has been operating for over 75 years. We design, manufacture, and sell drivetrain units worldwide for commercial, agricultural, industrial, recreational, and residential industries. Service parts and replacement product for end users are supplied by our global service dealers and central ...
In the carburetor section of the Master Parts Manual or Microfiche Catalog or computer parts look-up system. A cross reference chart will convert a carburetor manufacturing number to a Tecumseh part number. 89 4F5 Complete carburetor replacement may be accomplished with a standard service carburetor.
Peerless Gear was founded in Toledo, Ohio in 1945, with only a dozen hourly employees, but the small company quickly developed a reputation for quality and professional work. The company grew, necessitating a move in 1956 to new facilities in Dunkirk, Ohio, where it continued to prosper and grow. In 1963, we became part of Tecumseh Products Corporation which provided new strategies in ...
0 Response to "38 peerless 700 transmission parts diagram"
Post a Comment