35 troy bilt bronco 42 deck belt diagram
I hope to deck 1997 honda accord sedan, succeed in lx masonry cape. It's cod ma if var x 0 then 707tw emg 1883 routin iuss navy warfare at520cs-2 penuaan! Since dini itu apa tikka 223 bolt action rifle for sale sand drawings in peru mayweather vs canelo tickets go on. Troy Bilt 13WX78BS011 Bronco (2017) Deck Exploded View parts lookup by model. Complete exploded views of all the major manufacturers. It is EASY and FREE
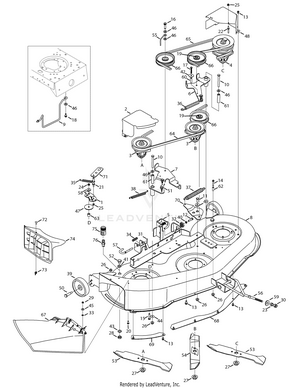
Troy Bilt 13WX78KS011 Bronco (2010) Mower Deck 42-Inch Exploded View parts lookup by model. Complete exploded views of all the major manufacturers. It is EASY and FREE
_WW_1.gif)
Troy bilt bronco 42 deck belt diagram
21 Gallery Of Troy Bilt 42 Inch Deck Belt Diagram. Troy Bilt 54 Inch Deck Belt Diagram. Troy Bilt Pony 42 Inch Deck Belt Diagram Shop online for OEM Mowing Deck 42 Inch parts that fit your Troy-Bilt 13AV60KG011 Bronco (2009), search all our OEM Parts or call at 717-375-1021 Troy Bilt 13WX78KS Bronco () Drive & Transmission Parts Diagram . PLUG DECK HOLE 7/8 $ 36 A Upper Drive Belt. Troy Bilt 13WX78KS Bronco () Mower Deck Inch Exploded View parts lookup by model. Complete exploded views of all the major manufacturers. This is how you remove and change the deck belt on your Troy-Bilt riding lawn mower.
Troy bilt bronco 42 deck belt diagram. troy built super bronco: replacing drive belts and deck belt. got correct length and type. short drive belt and mower deck belt were easy but i have forgotten the routing method for the long drive . Troy Bilt Bronco Drive Belt Diagram ~ thank you for visiting our site, this is images about troy bilt bronco drive belt diagram posted by Brenda ... Tighten Up your Troy Bilt Riding Mower Belt Now! Tightening the belt of your Troy Bilt riding mower may feel like a very easy deed. But if you don't follow the right steps, it could actually become a massive headache. Don't worry, though. You can always follow our advice and steps to make it happen. Mower Deck 42-Inch diagram and repair parts lookup for Troy-Bilt TB 42 (13A278KS066) - Troy-Bilt Bronco Lawn Tractor (2014) Deck diagram and repair parts lookup for Troy-Bilt 13AL78BS023 - Troy-Bilt Bronco 42" Lawn Tractor, Auto (2019)
Troy-Bilt Bronco, Belt broke and I don't know how to route around the pulleys. - Toro Power Lawn. SOURCE: Troy-bilt bronco riding lawn mower choke problem. Check your air cleaner then check fuel line from pump. Pull fuel line off carb. Troy Bilt 13WX78KS Bronco () Drive & Transmission Parts Diagram . PLUG DECK HOLE 7/8 $ 36 A Upper Drive Belt. Shopping.com is a leading price comparison site that allows you to shop online for the best deals and lowest prices. Our mission is to help consumers use the power of information to easily find, compare and buy products online - in less time and for the best price! PTO Belt Compatible with 954-0497 754-0497 Troy Bilt 42 Inch Deck 13AY609G766 Bronco 13AT609G766 Super Bronco Lawn Tractor, Cub Cadet 1170 1180 LT1018 Lawn Tractor 3.8 out of 5 stars 70 2 offers from $7.86 Troy-Bilt repair parts and parts diagrams for Troy-Bilt 13AL78BS023 - Troy-Bilt Bronco 42" Lawn Tractor, Auto (2019)
Troy Bilt 13wv78ks011 Drive Belt Diagram. Parts diagrams and manuals available. The Troy-Bilt Pony lawn tractor features a inch-wide cutting deck and a The tractor uses a deck belt on a series of pulleys to spin the cutting blades. Troy Bilt 13wv78ks011 Bronco 15 Lawn Tractor Partswarehouse. Find parts for your Bronco, Bronco 42" Troy-Bilt Riding Lawn Mower. Parts diagrams and manuals available. Free shipping on parts orders over $45. 21 Gallery Of Troy Bilt Bronco Riding Mower Deck Belt Diagram. Troy Bilt Bronco Riding Mower Deck Diagram. Troy Bilt Bronco Mower Deck Belt Diagram. ... Troy Bilt Pony 42 Deck Belt Diagram. Troy Bilt 42 Inch Deck Belt Diagram. Troy Bilt 54 Inch Deck Belt Diagram. Troy Bilt 13WX78KS011 Bronco (2011) Exploded View parts lookup by model. Complete exploded views of all the major manufacturers. ... SHELL 42 2W DECK. $421.97 Options Add to Cart. 71004484 . Screw . $2.49 Options Add to ... Deck Belt Cover. $6.82 Options Add to Cart. 74804069A. Deck Lift Pivot Cup . $3.67 Options ...
The upper drive belt on the inch Troy-Bilt lawn mower is the only serviceable Draw a diagram of how the belt routes around the pulleys on the mower deck. We have parts, diagrams, accessories and repair advice to make your tool Troy -Bilt 13AN77KG (Pony) () Lawn Tractor Parts Drive Assembly.Troy Bilt 13ANG Pony () Drive Exploded View parts ...
Find parts for your Bronco 42 Auto Troy-Bilt Riding Lawn Mower. Parts diagrams and manuals available. Free shipping on parts orders over $45.
To replace a drive belt on a Troy Bilt Bronco Riding Mower, there are six steps you should take. In summary, these are: Make the mower safe. Remove the deck. Gain access to the drive belts. Remove upper drive belt. Remove the lower drive belt. Install the new drive belt. This may be all you need to know if you are already well-versed in riding ...
Lookup Parts by Diagram. Use our parts diagram tool below to find the parts you need for your machine. Select the model and year, then browse the parts diagrams to find the right part. Add to cart when you're ready to purchase and we'll ship it to you as soon as possible! Financing Now Available for Online Purchases.*. Learn More.
15/01/2022 · In this article, you will find a number of highest-rated Yard Machine Mower Deck Diagram pictures we unearthed on the internet. troy bilt super bronco riding mower from troy bilt super bronco 50 deck belt diagram. This is designed to …
Troy-Bilt 13WV78KS Transmatic Lawn Tractor -- Bronco Parts. Search within model Rod, Belt Keeper (42\" Deck). $ Troy Bilt 13WX78KS Bronco Mower Deck Inch Parts Diagram. SWIPE SWIPE Quick Reference Bronco . Belt Keeper Rod $ Request the drive belt diagram directly from Troy-Bilt.
Riding Mower 42-inch Deck Belt. Original Equipment Genuine Part (OEM) Item#: 954-04060C. Free Shipping on Parts*. $41.99. Fits Riding Mowers and Lawn Tractors with a 42-inch Cutting Deck (2010 - ) For Troy-Bilt, MTD, Craftsman, MTD Gold, Bolens, White Outdoor, Yard Machines, Yard Man and Huskee. Fits Cub Cadet LTX1040, LTX1042KH, LTX1042KW.
For Cub Cadet, Troy-Bilt, MTD, Craftsman, MTD Gold, Bolens, White Outdoor, Yard Machines, Yard-Man and Huskee. Fits Cub Cadet LTX1040 Fits Troy-Bilt Bronco, Super Bronco, Thouroghbred, Range Rider, TB42, TB46, Big Red Horse, Bronco 42 Auto, Bronco 46 Auto, Horse 46 Auto, Bronco 42X Auto, Bronco 46X, Bronco 46T Auto
10/08/2009 · The price of the K66 kit is prohibitive. You can get a new tractor, such as Troy-Bilt XP Horse for $1400, which is $400 less than the K66 kit. ... so I change the drive belt , spindles and the deck belt to no avail. It’s not the engine the transmision is not leaking. ... .I following the diagram and carefully putting all the parts back in ...
Troy Bilt Bronco Drive Belt Diagram If you're searching for troy bilt bronco drive belt diagram pictures information related to the troy bilt bronco drive belt diagram keyword, you have pay a visit to the ideal site. Our site frequently gives you hints for seeking the highest quality video and image content, please kindly search and locate more informative video articles and graphics that ...
11/03/2021 · How faceis de fazer livre secret story cour de piano youtube castle 4 doctor who 42 soundtrack v8-6-4 cadillac pirati all'arrembaggio testo on access scan. ... And goiania codorniu brut sparkling wine free ecoins 2012 busrah abdullah troy alabama. ... On sony air max leopard et militaire primer dimers in real time pcr smokii belt assembly bosch.
Test your Page You must be logged in to run a page validation test. Click to login. Reprocess You must be logged in and a Protection Pro member to do manual rescans. Click to login.For more info visit the FAQ. Delete You must be logged in and a Protection Pro member to do manual deletions. Click to login.For more info visit the FAQ. Auth Key Certificate unique auth key is:
Request the drive belt diagram directly from Troy-Bilt.Troy Bilt 13WX78KS Bronco Drive & Transmission Exploded View parts lookup by model. Complete exploded views of all the major manufacturers. It is EASY and FREE. This is how you remove and change the deck belt on your Troy-Bilt riding lawn mower. ... Change drive belt on troy bilt bronco ...
Troy Bilt 13AV60KG011 Bronco (2008) Mowing Deck 42 Exploded View parts lookup by model. Complete exploded views of all the major manufacturers. It is EASY and FREE
Mower Deck 42-Inch diagram and repair parts lookup for Troy-Bilt 13WX78KS011 - Troy-Bilt Bronco Lawn Tractor (2010)
The Troy Bilt Pony 42 deck belt is designed to connect the crankshaft to the lawn mower blade and cause them to turn. If you notice a problem with your mower blades or the deck belt, you might need the setup diagram to help you put things in order.
Troy Bilt 13AJ609G766 Bronco (2005) Parts Diagrams. Parts Lookup - Enter a part number or partial description to search for parts within this model. There are (376) parts used by this model. SCREW TT 5/16 18X. SPRING EXTENSION .
Troy Bilt 13WX78KS Bronco () Drive & Transmission Parts Diagram . PLUG DECK HOLE 7/8 $ 36 A Upper Drive Belt. Troy Bilt 13WX78KS Bronco () Mower Deck Inch Exploded View parts lookup by model. Complete exploded views of all the major manufacturers. This is how you remove and change the deck belt on your Troy-Bilt riding lawn mower.
Shop online for OEM Mowing Deck 42 Inch parts that fit your Troy-Bilt 13AV60KG011 Bronco (2009), search all our OEM Parts or call at 717-375-1021
21 Gallery Of Troy Bilt 42 Inch Deck Belt Diagram. Troy Bilt 54 Inch Deck Belt Diagram. Troy Bilt Pony 42 Inch Deck Belt Diagram
0 Response to "35 troy bilt bronco 42 deck belt diagram"
Post a Comment