34 wireless winch remote wiring diagram
OWNER'S MANUAL & OPERATING INSTRUCTIONS. WIreless remote KIt. WInCH ... 3) Wiring the Winch ... solenoid/Contactor Wiring diagram negative (–). Positive (+).8 pages Water softener general operation Refer to the control-tubing diagram for your softener located in Appendix A. With all piping and wiring installation is completed, and with the mineral in . Connect water piping. This unit has been supplied with a manually operated bypass device which enables the softener to be ... Water softner diagram
21.04.2019 · Vr600 Voltage Regulator Wiring Diagram; 2006 Pontiac Grand Prix 3800 Serpentine Belt Diagram; Whelen Edge 9004 Sl Wiring Diagram; Hella 4000 Wiring Diagram; 2002 Bmw R1150rt Stereo Wiring Diagram; Warn Winch Wireless Remote Wiring Diagram; 1997 Ford F150 4.2 Spark Plug Wiring Diagram; 2006 Fleetwood Excursion Wiring Diagram; …

Wireless winch remote wiring diagram
All States Ag Parts Parts A.S.A.P. Fuel Injection Pump fits Ford 4000 545 531 ... Fuel Injection Injector Seal Kit Fits Ford 2000 3000 ... Traveller Winch Remote Wiring Diagram : 37 Wiring Diagram Images - Traveller Winch Wiring Diagram. Wiring Diagram arrives with several easy to follow Wiring Diagram Directions. It really is meant to assist all the typical user in building a correct program. These directions will probably be easy to comprehend and implement. Hi, I got a remote starter as it's quite freezing here and id like to solve that with the starter. I got everything understood from the wiring except some wires: - Horne and hood commutator on the starter module. - 4 câbles on my smartphone module : battery, groud, ignition and horn. I'm linking the two diagrams. https://ibb.co/qB7Dp9y https://ibb.co/BghkvPP Thanks in advance
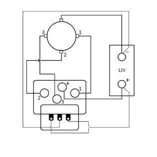
Wireless winch remote wiring diagram. Remote. Wireless. Remote. Y-Connector. WIRING DIAGRAM. Short. Short. Long. INSTALLATION AND USE OF WIRELESS WINCH REMOTE. 1. Make sure vehicle is in PARK, ...1 page 16.08.2019 ... Receiver wiring diagram. 6. Precautions ... Our wireless remote control is mainly used to replace the manual remote lead to. Browse our inventory of new and used INTERNATIONAL Passenger Bus For Sale near you at TruckPaper.com. Models include 3000, 3800, IC3S530, GENESIS, HC, 1753, 3900, and PB105. Page 1 of 2. wireless remote control from within a 50 ft. radius. ... the winch motor to the solenoid/contactor. ... Plan a route for the wire harness between the.
There're some TOYOTA Land Cruiser Wiring Diagrams & Fuses are above the page. Toyota engineers thought about the production of their first SUV in the late forties of the last century, and in 1950 the development of such a car began. A year later, Toyota BJ was born - a Japanese analogue of the American Willys Jeep. ... Attach wiring harness to receiver & route yellow and green wires to solenoid location. Installing the Ring Terminals. 1. Remove rocker switch assembly from ... I really need to know the pinout (numbers) for the 2010 stereo harness. I have searched for about 3 1/2 hours and come up with absolutely nothing. I have a 2008 mustang that I am putting a 2010 steering wheel on, and am wiring up the controls for volume / track via a SWC module. I need to know what pins 18 and 19 are on the 2010 mustang, and which pins those would be on the 2008 mustang. any help at all would be appreciated more than you know! Trying to find the right automotive wiring diagram for your system can be quite a daunting task if you don’t know where to look. Luckily, there are some places that may have just what you need. Here’s where to start. Before you search for a...
[http://www.wrxinfo.com/service\_manuals/](http://www.wrxinfo.com/service_manuals/) Been researching some torque specs for suspension stuff and was surprised about the amount of misinformation and confusion out there across forums and videos. Here ya'll go, hope this helps some of you DIYers. Energy storage is the capture of energy produced at one time for use at a later time to reduce imbalances between energy demand and energy production. A device that stores energy is generally called an accumulator or battery.Energy comes in multiple forms including radiation, chemical, gravitational potential, electrical potential, electricity, elevated temperature, latent heat and kinetic. Good morning! I was wondering if anyone knew the wiring diagram for the Icom 4100 remote head? I bought mine used and it came with the extension cable, but the cable is about 3 feet short for my uses and I was thinking of getting some shielded Cat5 and some RJ25s and making my own. Thanks for any help that may be offered! The PIERCE hay bale unroller three point attachment supports 4', 5', and 6' large round bales, and has a maximum lift capacity of 2,500 lbs.
Badland APEX 12000 Wireless Winch Remote Control Wiring Diagram. To use the wireless remote, switch ON the wireless receiver switch on the control box. Press and hold the remote switch for approximately 2 seconds to start using the winch. The remote control will auto shut down when not in use after two minutes. When using a wired remote control ...
Wireless Winch Remote Control Kit 12V Receiver 150ft Twin Switch Handset Easy US New. US Seller. Specifications: Heavy-duty Wireless Remote Control System for 12 Volt Winches Convenient Power in/ Power Out Control From any Position within 150 feet Eliminates Running Cable Over Vehicle Allows Operator to Keep Clear from Dangerous Rigging Works with Most Brands of Recovery Winches.
Logged. Harbor Freight winch problem solved. December 29, 2013, 11:31:39 am. My winch quit working. It would not go in or out. I suspected the wired remote but couldn't try the wireless remote since I ran the battery down and don't have another. I determined that power got to the plug on the control box but not to the switch in the cable.
15.10.2016 · badland wireless winch remote control wiring diagram; ballast bypass led t8 wiring diagram; ballast resistor wiring diagram; baofeng speaker mic wiring diagram; barrina led t5 wiring diagram; basic chevy hot rod wiring diagram; basic hot rod wiring diagram; basic led strip light wiring diagram; basic reverse light wiring diagram ; basic shed wiring …
A vehicle wiring diagram is a lot like a road map, according to Search Auto Parts. Wiring diagrams are laid out similar to a road map because the diagrams show how each major electrical system, individual circuit and sub-system connects, th...
Winch Straps (42) Flatbed Winches (65) Winch Bars (12) Transport Chain (13) Transport Chain Hooks (20) Chain Binders (46) D-Rings & Tie Down Anchors (47) Cargo Bars, Load Bars & Shoring Beams (33) Utility Strap Assemblies (33) Safety Flags (18) Oversize & Wide Load Signs (13) Measuring Sticks (3) Cargo Accessories (47) DOT Placards & Labels (10) Ratchets & …
Click link below for full wiring diagram images ... Wireless remote control for auto winches - Easy to install - Work with any Tuff Stuff or ...
30.07.2021 ... TRAVELLER Winch Wireless Remote User Manual ... diagram. (Attach to back wire on motor, or to vehicle metal frame/bumper). Transmitter.
PIERCE Arrow Inc. - Family owned in north Texas. We manufacture top-quality winches, ranch equipment, and industrial controls since 1976.
OWNER'S MANUAL & OPERATING INSTRUCTIONS. WIreless remote KIt. WInCH ... 3) Wiring the Winch ... solenoid/Contactor Wiring diagram negative (–). Positive (+).8 pages
So, I bought a Badlands Apex 12k winch for my 2021 Rubicon, and I would like your input on wiring. Should I wire direct to the battery, or wire to one of the programmable "Aux" switches?
Here are a number of highest rated Harbor Freight Winch Wiring Diagram pictures on internet. We identified it from reliable source. Its submitted by meting out in the best field. We bow to this nice of Harbor Freight Winch Wiring Diagram graphic could possibly be the most trending subject afterward we part it in google improvement or facebook.
Collection of winch wireless remote control wiring diagram. A wiring diagram is a simplified conventional photographic depiction of an electrical circuit.
Step 1: Order EcoTune today to take advantage of the special discount. Step 2: When you receive it, open the package and plug it into your vehicle's OBD2 port. Step 3: Once plugged in, give the device some time to optimize your vehicle's fuel consumption.
12v 500a Electric Capstan Contactor Winch Control Solenoid Atv Relay Twin Wireless Remote Recovery 4x4 - Buy Winch Relay,Capstan Contactor,Winch ...
Electric Winch Wireless Controller Users Manual details for FCC ID ... control box from winch to prevent accidental operation E, Wiring diagram F,WARNING!
Hey guys I'm fitting a wireless ebay winch unit to my BCF XTM 12000LB 12V winch.colours how I wired mine...Wireless - Solenoid yellow to ...
12.11.2018 · As an example, consider the meiosis II diagram above, which shows the end products of meiosis for a simple cell with a diploid number of 2n = 4 chromosomes. result is 4 haploid cells: 4. Objective 1. DNA duplication during interphase. Meiosis I. Meiosis II. Overview of meiosis in a cell where 2N = 6. After meiosis I the. How meiosis reduces ...
JOYING Android 10 Car Stereo Octa Core 9" Head Unit 1280 x 720 Compatible with Toyota Corolla 2017-2018 & Toyota Tacoma 2016-20214GB RAM+64GB ROM Support Android Auto/Carlink//5G WiFi/Plug & Play. $365.99. PAC USB-TY1 Toyota/Lexus OEM USB Port Retention Cable. $13.99.
Auxbeam 42" LED Light Bar 240W Spot Flood Combo Off Road Lights Driving Lights LED Work Lights 5D Lens with Wiring Harness for Car SUV UTV ATV Pickup Truck. $109.99. Seven Sparta 4 PCS Led Amber Lights with Fuse and Instruction for 2014-2021 Toyota 4Runner TRD Pro Grille, Including SR5, TRD off-road, Limited, TRO Pro (Amber) $37.99.
Welcome to the Zip's Used Truck Marketplace. When it's time to upgrade your truck, Zip's Used Truck Marketplace is just the spot to sell, buy, or trade your pre-owned trucks and trailers - directly with your fellow operators! This service is 100% free, providing a platform for person-to-person transactions and conversations.It is our goal to provide a place for industry professionals to ...
2-Function Wireless Winch Remote Control; For Use With Electric or Hydraulic Winch With 12V Start Up
Wireless Remote Control Light Diagram Garage Door Remote, Diagram, Wire, 4x4, ... Need help wiring new winch | High Lifter Forums Diy Cnc, Trucks And Girls,.
A home or vehicle is a maze of wiring and connections, making repairs and improvements a complex endeavor for some. Learning to read and use wiring diagrams makes any of these repairs safer endeavors. These simple visual representations all...
WATERWICH 12V 250A Winch Solenoid Relay Contactor+2pcs Wireless Winch Remote Control Kit with 6 Protecting caps Universal for Truck Jeep ATV SUV ...
Read Book Blank Ear Diagram Blank Ear Diagram Recognizing the pretentiousness ways to acquire this ebook blank ear diagram is additionally useful. You have remained in right site to start getting this info. get the blank ear diagram link that we provide here and check out the link. You could purchase guide blank ear diagram or get it as soon as ...
ATV/UTV Wireless Winch Kit. 4500 lb. Winch. 12039 Smith Ave. ... Antenna Wiring Diagram .......... 10 ... (14) Wireless Remote Control – Activate the.21 pages
Atlas Construction Worm Gear Power Winch Operating Manual: Manual: TA 10 Series: Planetary Gear Air Winch Manual: Manual: TAC Series: Planetary Gear Air Winch Manual: Manual: MTA.5-S and MTA1-S Series: Mini Tugger Air Winch Manual: Manual: MTA 1000 and MTA 2000 Series: Mini Tugger Air Winch Manual: Manual: Spur Gear Line: Hand Winch Manual ...
AUTOUTLET 2PCS Recovery Wireless Winch Remote Control Kit 12V Handset Switch Controller 100 Feet for Car ATV Truck Jeep SUV up to 17,000lb ï¼Batteries ...
How can I find the left and right speaker and bass control wires too so I can wire them up to a new board
Harbor Freight Atv Winch. Here are a number of highest rated Harbor Freight Atv Winch pictures upon internet. We identified it from obedient source. Its submitted by management in the best field. We agree to this kind of Harbor Freight Atv Winch graphic could possibly be the most trending topic in imitation of we portion it in google lead or ...
11.07.2019 · badland wireless winch remote control wiring diagram; ballast bypass led t8 wiring diagram; ballast resistor wiring diagram; baofeng speaker mic wiring diagram; barrina led t5 wiring diagram; basic chevy hot rod wiring diagram; basic hot rod wiring diagram; basic led strip light wiring diagram; basic reverse light wiring diagram ; basic shed wiring …
5 Ton European Standard Wireless Remote Control Wire Rope Hoist From 1 ton capacity up to 16 ton (single girder crane), which is welcomed by Manual trolley chain hoist: 1, 1.5, 2, 3, 5, 10, 20 ton Electric chain hoist with manual Electric Winch for Sale: 500kg Mini Electric Wire Rope Winch for Building Construction.
Telephone: (619) 222-9613 (NO SUPPORT, not guaranteed a return call) Toll Free: (866) 456-1379 (NO SUPPORT, not guaranteed a return call) Fax: (619) 567-4191. Our hours of operation are Monday through Friday 8am - 4pm PST.
Hi, I got a remote starter as it's quite freezing here and id like to solve that with the starter. I got everything understood from the wiring except some wires: - Horne and hood commutator on the starter module. - 4 câbles on my smartphone module : battery, groud, ignition and horn. I'm linking the two diagrams. https://ibb.co/qB7Dp9y https://ibb.co/BghkvPP Thanks in advance
Traveller Winch Remote Wiring Diagram : 37 Wiring Diagram Images - Traveller Winch Wiring Diagram. Wiring Diagram arrives with several easy to follow Wiring Diagram Directions. It really is meant to assist all the typical user in building a correct program. These directions will probably be easy to comprehend and implement.
All States Ag Parts Parts A.S.A.P. Fuel Injection Pump fits Ford 4000 545 531 ... Fuel Injection Injector Seal Kit Fits Ford 2000 3000 ...
0 Response to "34 wireless winch remote wiring diagram"
Post a Comment