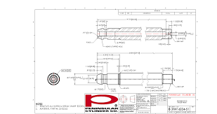
38 how to rebuild hydraulic cylinder diagram
36:15In this video we will rebuild a hydraulic cylinder at home in my garage.#kevinrobinson6688 ...18 Feb 2018 · Uploaded by Kevin Robinson hydraulic cylinders. Lipseal Type Piston Supplied as standard on series 2A air cylinders. Optional for series 2H, 3L & VH hydraulic cylinders. Hi-Load Type Piston Optional on series 2H & VH hydraulic cylinders. Not available on series 2A & 3L cylinders. Series 2A Series 2H, 3L & VH S eries 2A & 3L S eries 2H & VH Bore Contains 2 Ea. Contains 2 Ea.
8:25Great start to learning how to repack your hydraulic cylinder and save a ton of money !! Now some places call ...16 Oct 2012 · Uploaded by Cody the Car Guy

How to rebuild hydraulic cylinder diagram
the cylinder to the volume of oil contained in the hose between the cylinder port and the directional control valve. If the hose holds more oil than the cylinder, particle contamination probably will not flow to the reservoir to be filtered out. Instead, it will remain in the cylinder and scour the seals. One solution is to relocate the directional 11:22In the last video we showed you what's inside a hydraulic cylinder, (here's the link in case you missed it ...2 Feb 2017 · Uploaded by Tractor Mike 2:14Georjah Jaymes showing you guys step by step on how to correctly clean and rebuild standard hydraulic ...28 Oct 2015 · Uploaded by alexhoppos909
How to rebuild hydraulic cylinder diagram. Reassembling the hydraulic cylinder: 1 – Most rebuild kit will have instructions that will help you perform the right process of hydraulic cylinder repair. Be thorough with instructions before O-rings and seals in the glands and piston. Some seals are thin, and if you don’t install them evenly, then it may cause damage. HYDRAULIC VALVE MODEL 0C000909 (DSCVAC-200) 4-way control valve designed to operate a two-way hydraulic circuit from a single hydraulic source with a closed center system. Pull handle out to extend cylinder. Handle is spring loaded, will return to neutral when released. Push handle in to retract and the detent will hold the handle position ... 17:03I remove a leaking hydraulic ram off of my man lift and attempt a repair.24 Dec 2015 · Uploaded by homesteadprepper 23:18This is 2" bore cylinder off a tractor that is need of some repairs. It come in with a leaking seal but I find a few ...10 Jun 2017 · Uploaded by Abom79
Hydraulic cylinders which go "over-centre", when they extend, should first be filled with oil and air-released, as per chapter 6.5. Before mounting the hydraulic cylinder make sure all the bearings and pins are greased. Ensure that the centreline of the hydraulic cylinder is in line with the load. The How to rebuild hydraulic cylinder diagram. When re packing the seals on your hydraulic cylinder be sure to first clean all new parts in a petrolatum based solvent and dry them using compressed air. I have already rebuilt several of the other cylinders on the backhoe part of the machine. Thoroughly inspect the new seals and be sure they are clean. Just another day in paradise and another hydraulic cylinder job. 1:02Video demonstration on how to re-seal a cylinder from a Cascade forklift truck attachment.13 Aug 2014 · Uploaded by Cascade Corporation
http://bit.ly/2bHcBYj. Hydraulic Cylinder Repair Options features Caterpillar seniorhydraulics consultant Jeremy Carter who illustrates how preventing cylin... It's so easy to rebuild a hydraulic cylinder.In this video I will rebuild a cylinder and show you some simple tools to help you do the job.#kevinrobinson6688... 46:45This week I'll get the three hydraulic cylinders rebuilt and back together. I'll share a new seal twister install ...19 May 2018 · Uploaded by Abom79 How to rebuild a hydraulic cylinder and some reasons why you might want to.
2:14Georjah Jaymes showing you guys step by step on how to correctly clean and rebuild standard hydraulic ...28 Oct 2015 · Uploaded by alexhoppos909
11:22In the last video we showed you what's inside a hydraulic cylinder, (here's the link in case you missed it ...2 Feb 2017 · Uploaded by Tractor Mike
the cylinder to the volume of oil contained in the hose between the cylinder port and the directional control valve. If the hose holds more oil than the cylinder, particle contamination probably will not flow to the reservoir to be filtered out. Instead, it will remain in the cylinder and scour the seals. One solution is to relocate the directional
Manufacture Price Hydraulic Cylinder Repair Tools - China Made in China, Hydraulic Parts | Made-in-China.com
Hydraulic Cylinder Repair Kits Hydraulic Oil Cylinder Seal Kit - Buy Hydraulic Cylinder Repair Kits,Oil Cylinder Seal Kit,Hydraulic Seal Kit Product on Alibaba.com

Study for How a Devil in Woman's Likeness Would Have Tempted Sir Bors (1893) // Aubrey Vincent Beardsley English, 1872-1898

Marina City Theater, Chicago, Illinois, Roof and Partial Concrete Frame Development Drawing (1961-1962) // Bertrand Goldberg American, 1913-1997
0 Response to "38 how to rebuild hydraulic cylinder diagram"
Post a Comment