Iklan 300x250

35 stihl backpack blower parts diagram

#PartPrice14282 020 1200 ‑ Stihl Cylinder And Piston 50mm£228.89To Basket24282 025 1801 ‑ Stihl Inlet Valve£11.77To Basket34282 025 1901 ‑ Stihl Exhaust Valve£22.43To BasketView 14 more rows Quality Stihl Leaf Blower Replacement Parts From Repair Clinic. Like all of the company’s power equipment, Stihl leaf blowers are designed for reliability and built for the long haul. But for the equipment to live up to its full potential, the engine needs to be properly maintained. That’s where Repair Clinic can help.

Select a page from the Stihl BR 320 L Backpack Blower (BR 320 L) exploaded view parts diagram to find and buy spares for this machine.

Stihl backpack blower parts diagram

Stihl backpack blower parts diagram

#PartPrice24282 700 4103 ‑ Stihl Fan Housing£94.04To Basket30000 963 0900 ‑ Stihl Bushing£1.92To Basket41121 791 2800 ‑ Stihl Stop Buffer£2.95To BasketView 14 more rows STIHL recommends using only STIHL replacement parts for the repair and maintenance of your STIHL equipment. We want every STIHL owner to have the best product performance possible, so if you are in need of STIHL repair or equipment maintenance, contact your local authorized full-line STIHL servicing Dealer . Select a page from the Stihl BR 420 Backpack Blower (BR 420) exploaded view parts diagram to find and buy spares for this machine.

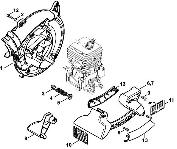
Stihl backpack blower parts diagram. fits br br br new stihl blower fuel line kit. | ebay!. does anyone have a fuel hose diagram for a stihl br backpack blower? i am confused as i have replaced all the fuel lines and carb but the. The Stihl BR Magnum backpack blower is a professional-grade piece of Removal of these components allows you access to the primer bulb, fuel line and ... Select a page from the Stihl BR 500 Backpack Blower (BR 500) exploaded view parts diagram to find and buy spares for this machine. Stihl BR 600 Backpack Blower (BR 600) Parts Diagram Select a page from the Stihl BR 600 Backpack Blower diagram to view the parts list and exploded view diagram. All parts that fit a BR 600 Backpack Blower . Pages in this diagram. Air Filter. Carburetor C1Q-S99. Control handle. ... Select a page from the Stihl BR 700 Backpack Blower (BR 700) exploaded view parts diagram to find and buy spares for this machine.

Select a page from the Stihl BR 320 Backpack Blower (BR 320) exploaded view parts diagram to find and buy spares for this machine. Stihl BR 400 Backpack Blower (BR 400) Parts Diagram Select a page from the Stihl BR 400 Backpack Blower diagram to view the parts list and exploded view diagram. All parts that fit a BR 400 Backpack Blower . Pages in this diagram. A-Crankcase. B_-Rewind starter. B-Rewind starter ... Stihl BR 350 & BR 430 Backpack Blower (BR 350 & 430) Parts Diagram Select a page from the Stihl BR 350 & BR 430 Backpack Blower diagram to view the parts list and exploded view diagram. All parts that fit a BR 350 & BR 430 Backpack Blower . Pages in this diagram. Carburettor C1Q-S209A ... Select a page from the Stihl BR 600 Z Backpack Blower (BR 600 Z) exploaded view parts diagram to find and buy spares for this machine.

Stihl BR 450 C-EF Backpack Blower (BR 450 C-EF) Parts Diagram. Select a page from the Stihl BR 450 C-EF Backpack Blower diagram to view the parts list and exploded view diagram. All parts that fit a BR 450 C-EF Backpack Blower. Stihl BR 350 & BR 430 Backpack Blower (BR 350 & 430) Parts Diagram, Fan housing. Look at the diagram and find parts that fit a Stihl BR 350 & BR 430 Backpack Blower, or refer to the list below. All parts that fit a BR 350 & BR 430 Backpack Blower. Select Page. Carburettor C1Q-S209A. Control handle A BR 350. Stihl Br 350 Parts Diagram. BR , BR English. 1 satisfaction from your STIHL blower, it is important that you read, . and the function of the parts of your model. Do not clean your. Find parts that fit a BR & BR Backpack Blower. Use our exploded view diagrams to easily identify the correct parts that fit your machine, or select from. Items 1 - 9 of 88 Stihl br parts diagram. Your source for high quality small engine aftermarket & OEM parts. Lawnmowers, Lawn Tractors, Snowblowers. Stihl br backpack blower br parts diagram select a page from the stihl br. backpack blower diagram to view the parts list and exploded view diagram. {{html Title}}

1

1

Select a page from the Stihl BR 420 Backpack Blower (BR 420) exploaded view parts diagram to find and buy spares for this machine.

Shindaiwa Eb633rt S N P02511001001 P02511999999 Parts Diagram For Engine

Shindaiwa Eb633rt S N P02511001001 P02511999999 Parts Diagram For Engine

STIHL recommends using only STIHL replacement parts for the repair and maintenance of your STIHL equipment. We want every STIHL owner to have the best product performance possible, so if you are in need of STIHL repair or equipment maintenance, contact your local authorized full-line STIHL servicing Dealer .

16 Fs 85 Ideas Stihl 85th Diagram

16 Fs 85 Ideas Stihl 85th Diagram

#PartPrice24282 700 4103 ‑ Stihl Fan Housing£94.04To Basket30000 963 0900 ‑ Stihl Bushing£1.92To Basket41121 791 2800 ‑ Stihl Stop Buffer£2.95To BasketView 14 more rows

12 Ryobi Blower Vac Ideas Ryobi Spare Parts Spares

12 Ryobi Blower Vac Ideas Ryobi Spare Parts Spares

Ryobi Res 1000 Spare Parts Diagram Electric Leaf Blowers Cordless Leaf Blowers Stihl

Ryobi Res 1000 Spare Parts Diagram Electric Leaf Blowers Cordless Leaf Blowers Stihl

Stihl Sr 450 Baffle Screen

Stihl Sr 450 Baffle Screen

Stihl Br 400 Parts Diagram Wiring Site Resource

Stihl Br 400 Parts Diagram Wiring Site Resource

Stihl Br 450 C Ef Backpack Blower Br 450 C Ef Parts Diagram A Crankshaft Muffler

Stihl Br 450 C Ef Backpack Blower Br 450 C Ef Parts Diagram A Crankshaft Muffler

Parts In Stihl Br400 Fuel Tank Doityourself Com Community Forums

Parts In Stihl Br400 Fuel Tank Doityourself Com Community Forums

Stihl Br 340 340 L 420 420 C Parts List Chainsaw Workshop Manuals

Stihl Br 340 340 L 420 420 C Parts List Chainsaw Workshop Manuals

Stihl Backpack Blower Br 200

Stihl Backpack Blower Br 200

Stihl Br 350 Br 430 Backpack Blower Br 350 430 Parts Diagram Ignition System

Stihl Br 350 Br 430 Backpack Blower Br 350 430 Parts Diagram Ignition System

Solved Stihl Bg72 Parts Diagram Fixya

Solved Stihl Bg72 Parts Diagram Fixya

Stihl Br 350 Br 430 Backpack Blower Br 350 430 Parts Diagram Control Handle Br 430

Stihl Br 350 Br 430 Backpack Blower Br 350 430 Parts Diagram Control Handle Br 430

Stihl Backpack Blower Replacement Parts English As A Second Language At Rice University

Stihl Backpack Blower Replacement Parts English As A Second Language At Rice University

Leaf Blower Vacuum Parts Stihl Br600 Backpack Blower Valve Collar Screw M5 Oem 4180 038 1700 Home Garden

Leaf Blower Vacuum Parts Stihl Br600 Backpack Blower Valve Collar Screw M5 Oem 4180 038 1700 Home Garden

Echo Backpack Blower Pb 260l Ereplacementparts Com

Echo Backpack Blower Pb 260l Ereplacementparts Com

Stihl Br 400 Backpack Blower Br 400 Parts Diagram The Art Of Mike Mignola

Stihl Br 400 Backpack Blower Br 400 Parts Diagram The Art Of Mike Mignola

Stihl Br450 Backpack Blower Parts Diagram Imt Mines Albi

Stihl Br450 Backpack Blower Parts Diagram Imt Mines Albi

Stihl Br 350 Leaf Blower Consumer Reports

Stihl Br 350 Leaf Blower Consumer Reports

Stihl Br 350 Br 430 Backpack Blower Br 350 430 Parts Diagram Pleated Hose

Stihl Br 350 Br 430 Backpack Blower Br 350 430 Parts Diagram Pleated Hose

Stihl Br 340 L Backpack Blower Br 340 L Parts Diagram Rewind Starter

Stihl Br 340 L Backpack Blower Br 340 L Parts Diagram Rewind Starter

Stihl Br600 Backpack Blower Parts Diagram The Art Of Mike Mignola

Stihl Br600 Backpack Blower Parts Diagram The Art Of Mike Mignola

Echo Pb 770t Blower Parts Diagram Sn P03012001001 P03012999999

Echo Pb 770t Blower Parts Diagram Sn P03012001001 P03012999999

Repair Stihl Br 450c Electric Start Backpack Blower Youtube

Repair Stihl Br 450c Electric Start Backpack Blower Youtube

Stihl Br 200 Backpack Blower Br 200 Parts Diagram

Stihl Br 200 Backpack Blower Br 200 Parts Diagram

Stihl Br 350 Backpack Blower Parts Diagram Sema Data Co Op

Stihl Br 350 Backpack Blower Parts Diagram Sema Data Co Op

Stihl Br 700 Backpack Blower Br 700 Parts Diagram U Serial Number

Stihl Br 700 Backpack Blower Br 700 Parts Diagram U Serial Number

2

2

Stihl Br 320 L Backpack Blower Br 320 L Parts Diagram M Pressure Pump

Stihl Br 320 L Backpack Blower Br 320 L Parts Diagram M Pressure Pump

Stihl Br420 Backpack Blower Parts Diagram Imt Mines Albi

Stihl Br420 Backpack Blower Parts Diagram Imt Mines Albi

Stihl Br 700 Backpack Blower Br 700 Parts Diagram Q Control Handle

Stihl Br 700 Backpack Blower Br 700 Parts Diagram Q Control Handle

Stihl Br 380 Backpack Blower Br 380 Parts Diagram Backplate

Stihl Br 380 Backpack Blower Br 380 Parts Diagram Backplate

Shindaiwa Eb480 Illustrated Parts Diagrams Online Lawnmower Pros

Shindaiwa Eb480 Illustrated Parts Diagrams Online Lawnmower Pros

Stihl Leaf Blower Spare Parts Diagram List Manual Book Sg 17 Bg 17 Sg17 Bg17 6 59 Picclick

Stihl Leaf Blower Spare Parts Diagram List Manual Book Sg 17 Bg 17 Sg17 Bg17 6 59 Picclick

0 Response to "35 stihl backpack blower parts diagram"

Post a Comment

Iklan Atas Artikel

Iklan Tengah Artikel 1

Iklan Tengah Artikel 2

Iklan Bawah Artikel