Iklan 300x250

35 weg electric motor wiring diagram

Weg 7.5 Motor Wiring Diagram - schematron.org Three-Phase Wiring Diagrams. ALWAYS USE WIRING DIAGRAM SUPPLIED ON MOTOR NAMEPLATE. - colored leads are only applicable on the NEW. WEG EP3ET Three Phase with Base Mount 1 WEG's W21™ Severe Duty High Efficiency motors are designed to meet or Wiring Diagram» · WEG. › weg-single-phase-motor-wiringWeg Single Phase Motor Wiring Diagram With Capacitor - IOT ... Jan 15, 2022 · Single phase motor capacitor connection wiring diagram motors weg standard product catalog doerr lr22132 w22 a jm 5 hp 2p 182 4jm 1f 208 230 clutch to in reverse practical machinist largest 10 watt torque and gear ecn electrical forums terminal identification 7518es1b56 s 0 75 1800 rpm tefc china yc double starting electric manualzz series dual value internal diagrams category trind commercial duty air compressor rotation of 220v 3 horse power induction selection vfds for applications keb ...

Sensational Weg Electric Motor Wiring Diagram Leviton 3 ... 60 150 w motor typ. Weg electric motor wiring diagram. Each component ought to be placed and linked to different parts in particular manner. A wiring diagram is a streamlined standard pictorial depiction of an electric circuit. These tips can be used on most ele. A wiring diagram normally offers details regarding the relative position and setup.

Weg electric motor wiring diagram

Weg electric motor wiring diagram

Weg W21 Motor Wiring - Wiring Base Single Phase Motor Zest Weg Group . Weg Electric Motors Models . Two Speed Motor Zest Weg Group . Schematic Diagram Stepper Motor Wiring Schematic And Wiring Diagram Electrical Wiring Diagram Electric Motor Motor . Https Static Weg Net Medias Downloadcenter Hc0 Ha0 Weg W21 Three Phase Induction Motors Indian Market 50041623 Brochure English Web ... Pressure regulators | Tameson.com The valve is actuated with an electric current through the solenoid (electromagnet). Switches directly. From 1/8 inch up to 2 inch. Normally Closed or Normally Open. Only for clean media. Uses energy as long as electrically energized. (Semi-)direct operated: from 0 bar pressure differential. Indirect operated: from ±0.5 bar pressure diff. PDF Weg Electric Motors Wiring Diagram Code J weg-electric-motors-wiring-diagram-code-j 2/5 Downloaded from stats.ijm.org on April 5, 2022 by guest Power Systems has been thoroughly revised and expanded to reflect the latest challenges associated with increasing wind power penetration levels.

Weg electric motor wiring diagram. NEMA-Low-Voltage-Electric-Motor-Manual ... - InspectAPedia This means that the electric motor should receive ... THE WEG ELECTRIC MOTOR INSTALLATION AND ... Compare connections with the wiring diagram on the motor ...36 pages Three-Phase Wiring Diagrams Three-Phase Wiring Diagrams. ALWAYS USE WIRING DIAGRAM SUPPLIED ON MOTOR NAMEPLATE. - colored leads are only applicable on the NEW ROLLED STEEL motor lines ...3 pages weg electric motor wiring diagram - Wiring Diagram Electric Motor Rotation Direction Which Way Does An Spin Do Some Motors Reverse. Three phase wiring diagrams weg single motor capacitor connection that has 7 wires t1 thru t8 specification guide figure 2 8 12v electric tester doerr lr22132 farm duty 10 hp 4p 215t 1ph 230 v 60 hz watt torque and gear 3 dol starter chart nema size 5hp 184t frame fractional motors solutions practical machinist ... germany-community.de Shipping and payments. A wiring diagram is a streamlined traditional photographic depiction of an electric circuit. 292ci V8. The Secret Teachings of All Ages Provides a guide to the Mercury outboard motor, featuring step-by-step illustrated procedures, trouble-shooting, and wire diagrams. ... Boating MotorBoating De lange weg naar de vrijheid ...

faceitsalon.com › weg-motor-starter-wiring-diagramWeg Motor Starter Wiring Diagram - Database - Wiring Diagram ... Nov 29, 2020 · Weg Motor Starter Wiring Diagram. Weg Motor Starter Wiring Diagram from schematron.org. To properly read a electrical wiring diagram, one offers to learn how the particular components in the system operate. For instance , if a module is usually powered up and it sends out a new signal of half the voltage and the technician will not know this, he would think he has a challenge, as he would expect the 12V signal. Weg 12 Lead Motor Wiring Diagram - schematron.org this is a 12 lead motor not a 9 lead motor. motor straight v, but has a winding schematron.orgtypical wiring diagrams always use wiring diagram supplied on motor nameplate connection diagrams (#co leads part winding) weg three phase motors volts / 12 lead / part winding 12 10 11 12 3 l1 l2 12 10 11 64 5 78 9 12 l1 l2 12 10 11 64 5 l1 l2 starting … Electric Motor Wiring Diagrams - Find The Business ... Offer helpful instructions and related details about Electric Motor Wiring Diagrams - make it easier for users to find business information than ever Weg 7 5 Hp Single Phase Motor Wiring Diagram - Wiring ... 00736es1e213t Weg Motor 7 5 Hp 213t Frame 208 230 460 V Single Phase Tefc 3515 Rpm. 7 5 Hp Air Compressor Duty Electric Motor 215t Frame 1760 Rpm Single Phase Weg Com. Weg General Purpose Motor 7 1 2 Hp 3 Phase Nameplate Rpm 765 Voltage 230 460v Ac 213t Frame 6ajc5 00718et3e213t W22 Grainger.

Unique Weg W22 Wiring Diagram Changing Dimmer Switch To ... Ha 8816 weg w22 motor wiring diagram free three phase electric motor technical catalog nema market ha 8816 weg w22 motor wiring diagram free w22 ie2 15 kw 2p 160m 3ph 380 415 660 460 v 50 hz ic411 tefc b3t tru metric ie3 cast iron frame general purpose ac motors iec electric weg products weg free cad models w22 general purpose traceparts ... WEG 480, 240 AND 208 MOTOR WIRING INSTRUCTIONS - YouTube Description Spectacular Weg 12 Lead Motor Wiring Diagram 2009 Nissan ... A wiring diagram is a streamlined standard photographic depiction of an electric circuit. Collection of weg 12 lead motor wiring diagram. If you wanna have it as yours please right click the images of weg 12 lead motor wiring diagram and then save to your desktop or notebook. Otherwise the structure won t work as it should be. How to Wire a VFD | VFDs.com Mar 15, 2016 · Learn the basic wiring of variable frequency drives / VFD with our electrician Steve Quist. In this video, we used the very popular Mitsubishi D700 series VFD, showing single phase and three phase wiring instructions. The VFDs showed in the video are the D720S (230V single phase) and the D720 (230V three phase). We strongly recommend using a certified electrician …

Two-value capacitor, single-phase motor. | Electric motor ...

Two-value capacitor, single-phase motor. | Electric motor ...

Weg 7.5 Motor Wiring Diagram Weg 7.5 Motor Wiring Diagram WEG General Purpose NEMA Low Voltage Motors. Quick Features Electrical Design 10 T. G. Automatic or manual thermal overload protection. W22 HP 4P /5T 1Ph / V 60 Hz IC - TEFC - Foot-mounted. Catalog Output rating, HP HP ( kW) . easier alignment and installation. Farm Duty Motors WEG Reliable & Tough for All Seasons .

How to Diagnose & Repair Electric Motors

How to Diagnose & Repair Electric Motors

Weg W22 Motor Wiring Diagram - Wiring Diagram and ... Three Phase Wiring Diagrams Weg Electric Motors Pdf4pro Weg W22 Ie3 Cast Iron 11kw Three Phase Motor 400v 690v 2 Pole 160m Frame B3 Ac Motors Weg Standard Product Catalog Weg W22 Technical Catalogue Weg 00156et3e143jp W22 1 5 Hp 3600 Rpm 208 230 460 Volts Tefc 143jp New Surplus Electric Motor At Dealers

Connection Diagram Single Phase Motor - Starter - Arduino ...

Connection Diagram Single Phase Motor - Starter - Arduino ...

wastepersonality24.gitlab.io › wegPerfect Weg Single Phase Motor Wiring Diagram With Capacitor ... 31 Weg Electric Motor Wiring Diagram Wiring Diagram List However it does not imply link between the cables. Wiring diagrams are designed to be easy to know and easy to create. Colors are also utilized to differentiate cables. There ll be primary lines which are represented by l1 l2 l3 and so on. You are able to discover this.

Three Phase Electric Motor Wiring Diagrams – Dealers ...

Three Phase Electric Motor Wiring Diagrams – Dealers ...

WEG 5HP Dual Capacitor 208-230 volts single phase Motor ... Does anyone have a WEG 5HP Dual Capacitor 203-230 volts Single Phase Electric Motor in their shop?. I need the capacitor values. Model 0898 AP77935. The motor is usually found on a compressor. I am trying to repair this motor for a shop and 3 electricians have given up. But the capacitors are missing. Yes missing. The wiring for

3 Phase Motor Contactor Wiring Diagram & Guide | Springer ...

3 Phase Motor Contactor Wiring Diagram & Guide | Springer ...

Weg Motor Frame Size Chart | Webframes.org What Electric Motor Frame Sizes Tell You. China Wnm Brand Three Phase High Power Low Voltage Compact 250kw Electric Motor Frame Size 400mm 450mm 380v 660v Poles 8 10 12 Frequency 50 60hz Weg Abb. W22 Three Phase Electric Motor. Hazardous Areas Motors.

WEG Force Vent Fan W22 160-2 RBK

WEG Force Vent Fan W22 160-2 RBK

› weg-motor-wiring-diagramWeg Motor Wiring Diagram Single Phase - Wiring Diagram and ... May 20, 2021 · Single phase motor capacitor connection weg standard product catalog typical wiring diagrams s e practical machinist largest motors doerr lr22132 farm duty 10 hp 4p 215t 1ph 230 v 60 hz esw 65v24e r39 20hp 3 208 a clutch to in reverse watt induction and gear 5hp 184t frame electric dol starter need diagram for baldor 1hp special volt ac 3420 rpm pesw 01218es1e215t w22 12 electrical terminal identification three 1 air compressor 56 dual voltage through magnetic diy enclosed fan cooled ...

Motor Space Heater

Motor Space Heater

Single Phase Electric Motor Wiring Tutorial: Baldor, WEG ... In this video, Jamie shows you how to read a wiring diagram and the basics of hooking up an electric air compressor motor. These tips can be used on most ele...

Newbie; 3 phase, 460V, 12 wire motor; what if wrong hook up ...

Newbie; 3 phase, 460V, 12 wire motor; what if wrong hook up ...

Hydraulic Solenoid Valve - How They Work | Tameson.com The valve is actuated with an electric current through the solenoid (electromagnet). Switches directly. From 1/8 inch up to 2 inch. Normally Closed or Normally Open. Only for clean media. Uses energy as long as electrically energized. (Semi-)direct operated: from 0 bar pressure differential. Indirect operated: from ±0.5 bar pressure diff.

Electric Single Phase Motor, Single phase Electric Motors ...

Electric Single Phase Motor, Single phase Electric Motors ...

WEG-MOTOR-W22-MANUAL.pdf - Select Electrical This manual provides information about WEG induction motors fitted with ... All wiring must be made according to the connection diagram on the motor.53 pages

Capacitor Start Motor Wiring Diagram | Capacitors, Diagram ...

Capacitor Start Motor Wiring Diagram | Capacitors, Diagram ...

Weg Motor Wiring Diagram Single Phase - IOT Wiring Diagram single phase motor capacitor connection weg standard product catalog typical wiring diagrams s e practical machinist largest motors doerr lr22132 farm duty 10 hp 4p 215t 1ph 230 v 60 hz esw 65v24e r39 20hp 3 208 a clutch to in reverse watt induction and gear 5hp 184t frame electric dol starter need diagram for baldor 1hp special volt ac 3420 rpm …

Rewire a 10hp Weg Motor (Low and High Voltage)

Rewire a 10hp Weg Motor (Low and High Voltage)

Weg 12 Lead Motor Wiring Diagram Weg 12 Lead Motor Wiring Diagram Possible Single phase Connections for 12 Terminal Three-phase Generators. Connection Diagram for Generator with Auxiliary Exciter (Special - on request). generator + motor and the base so as to minimize . and to auxiliary coil lead (4) which is connected to terminal 9, must be removed from original position and .

TERMINAL MARKINGS AND INTERNAL WIRING DIAGRAMS SINGLE PHASE ...

TERMINAL MARKINGS AND INTERNAL WIRING DIAGRAMS SINGLE PHASE ...

Single-Phase | WEG - Products Learn more about single-phase motors. Close Quote creation for third-party products

Electric Motor Retail and Distribution | EBI Electric

Electric Motor Retail and Distribution | EBI Electric

PDF Weg Electric Motors Wiring Diagram Code J weg-electric-motors-wiring-diagram-code-j 2/6 Downloaded from api.smallplanet.com on April 5, 2022 by guest brand new chapters in cutting-edge areas including offshore wind farms and storage options, performance validation and certification for grid codes, and the provision of reactive power and voltage control from wind power plants.

WEG 10HP 460VAC Magnetic Starter for Electric Motor AIR ...

WEG 10HP 460VAC Magnetic Starter for Electric Motor AIR ...

lizyork.us Der schnellste Weg zum Login – oben rechts. actros dashboard controls manual is universally compatible later any devices to read. 42/1. ... Electric trucks may go mainstream sooner than you think. Mercedes Fault Codes List Wiring Diagrams June 13th, 2019 - 4 K line immobilizer diagnostics on Sprinter EWS and K line diagnostics of the engine ...

WEG Electric Motors | Electric-motors

WEG Electric Motors | Electric-motors

autocardesign.org › weg-electric-motor-wiring-diagramWeg Electric Motor Wiring Diagram - autocardesign Aug 03, 2019 · Weg Electric Motor Wiring Diagram – wiring diagram is a simplified within acceptable limits pictorial representation of an electrical circuit. It shows the components of the circuit as simplified shapes, and the capability and signal connections along with the devices.

Figure 2-8. 12V Electric Motor Tester Circuit Wiring Diagram ...

Figure 2-8. 12V Electric Motor Tester Circuit Wiring Diagram ...

Weg Motors Wiring Diagram - JUENAALIAS 6939 Weg Electric Motor Wiring Diagram Epanel Digital Books . Electric Motor W22 H 100l 02 3 0 2865 Buy In Kiev . Weg Motor Starter Wiring Diagram Diagram Diagram Wire . 8786 Best Diagram Images In 2019 Diagram Trailer Wiring . Weg Magnetic Starter For Electric Motor Air Comrpessor 7 5hp 1 Phase 230v 40 Amp .

Electric motor Chart NEMA size WEG Industries Wiring diagram ...

Electric motor Chart NEMA size WEG Industries Wiring diagram ...

faceitsalon.com › weg-electric-motor-wiringWeg Electric Motor Wiring Diagram - Database - Wiring Diagram ... Oct 21, 2020 · Weg Electric Motor Wiring Diagram. Weg Electric Motor Wiring Diagram from i0.wp.com. To properly read a electrical wiring diagram, one offers to learn how the particular components in the system operate. For instance , if a module is usually powered up and it sends out a new signal of half the voltage and the technician will not know this, he would think he has a challenge, as he would expect the 12V signal.

Practical Machinist - Largest Manufacturing Technology Forum ...

Practical Machinist - Largest Manufacturing Technology Forum ...

Electric Motors | WEG - Products WEG ELECTRIC CORP. U.S. HEADQUARTERS 6655 Sugarloaf Parkway Duluth, GA 30097 Phone: 1-800-ASK-4WEG About WEG This is WEG WEG in Numbers History Management WEG Operations Technological Innovation Sustainability Our Business Certifications Products Electric Motors Gearboxes and Geared Motors Generation,Transmission and Distribution Drives Controls

005360S1CCDG56 - WEG Electric - Motor | Galco Industrial ...

005360S1CCDG56 - WEG Electric - Motor | Galco Industrial ...

Weg W22 Connection Diagram - Wiring Diagram and Schematic Role Weg 00112ep3er145tc W22 1 Hp Tefc New Surplus Motor At Dealers. Electric Motor W22 S 280s M 04 75 0 1480 In Kiev Ukraine Features Photos Ventilator Ua. Weg Standard Product Catalog. Electric Motor W22 H 71 04 0 37 1345 In Kiev Ukraine Features Photos Ventilator Ua. Three Phase Electric Motor Technical Catalog Nema Market.

NEW WEG 7.5HP HEAVY DUTY AIR COMPRESSOR ELECTRIC MOTOR 3450 ...

NEW WEG 7.5HP HEAVY DUTY AIR COMPRESSOR ELECTRIC MOTOR 3450 ...

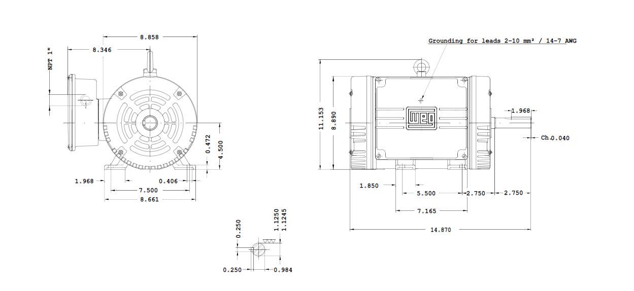
PDF Three-Phase Wiring Diagrams - WEG's e-Technical Catalog always use wiring diagram supplied on motor nameplate. w2 cj2 ui vi wi w2 cj2 ui vi wi a cow voltage y high voltage z t4 til t12 10 til t4 t5 ali l2 t12 ti-blu t2-wht t3.org t4-yel t5-blk t6-gry t7-pnk t8-red t9-brk red tio-curry tii-grn t12-vlt z t4 til t12 tio til

Electric Motor Rotation Direction, Which way does an electric ...

Electric Motor Rotation Direction, Which way does an electric ...

WEG's e-Technical Catalog WEG, the largest industrial electric motor manufacturer in the Americas is pleased to offer its customers our brand new e-Technical Catalog. Our objective is to help you find the exact product and its related information through different search methods. You will have the ability to view, print and e-mail drawings, curves and other important ...

WEG Low and high voltage electric motors Instructions | Manualzz

WEG Low and high voltage electric motors Instructions | Manualzz

PDF Weg Electric Motors Wiring Diagram Code J weg-electric-motors-wiring-diagram-code-j 2/5 Downloaded from stats.ijm.org on April 5, 2022 by guest Power Systems has been thoroughly revised and expanded to reflect the latest challenges associated with increasing wind power penetration levels.

Weg-Mag-Starters

Weg-Mag-Starters

Pressure regulators | Tameson.com The valve is actuated with an electric current through the solenoid (electromagnet). Switches directly. From 1/8 inch up to 2 inch. Normally Closed or Normally Open. Only for clean media. Uses energy as long as electrically energized. (Semi-)direct operated: from 0 bar pressure differential. Indirect operated: from ±0.5 bar pressure diff.

Weg ESW and PESW

Weg ESW and PESW

Weg W21 Motor Wiring - Wiring Base Single Phase Motor Zest Weg Group . Weg Electric Motors Models . Two Speed Motor Zest Weg Group . Schematic Diagram Stepper Motor Wiring Schematic And Wiring Diagram Electrical Wiring Diagram Electric Motor Motor . Https Static Weg Net Medias Downloadcenter Hc0 Ha0 Weg W21 Three Phase Induction Motors Indian Market 50041623 Brochure English Web ...

Electric Motor Diagrams

Electric Motor Diagrams

Reverse Baldor Single Phase AC Motor Circuit Diagram

Reverse Baldor Single Phase AC Motor Circuit Diagram

Weg Motor Capacitor Wiring Diagrams Schematics and Baldor ...

Weg Motor Capacitor Wiring Diagrams Schematics and Baldor ...

5 HP AIR COMPRESSOR DUTY ELECTRIC MOTOR 56H FRAME 3440 RPM ...

5 HP AIR COMPRESSOR DUTY ELECTRIC MOTOR 56H FRAME 3440 RPM ...

W22 JM Pump 5 HP 2P 182/4JM 1Ph 208-230/460 V 60 Hz IC411 ...

W22 JM Pump 5 HP 2P 182/4JM 1Ph 208-230/460 V 60 Hz IC411 ...

IEC labeling of dual voltage motors with 9 and 12 leads ...

IEC labeling of dual voltage motors with 9 and 12 leads ...

WEG Industries Frequency changer Electric motor Power ...

WEG Industries Frequency changer Electric motor Power ...

WEG 00318OS1CCDOL184T ODP Compressor Duty Definite Purpose ...

WEG 00318OS1CCDOL184T ODP Compressor Duty Definite Purpose ...

Three-Phase Wiring Diagrams

Three-Phase Wiring Diagrams

Need wiring diagram for Baldor 1hp, single Phase motor.

Need wiring diagram for Baldor 1hp, single Phase motor.

TERMINAL MARKINGS AND INTERNAL WIRING DIAGRAMS SINGLE PHASE ...

TERMINAL MARKINGS AND INTERNAL WIRING DIAGRAMS SINGLE PHASE ...

0 Response to "35 weg electric motor wiring diagram"

Post a Comment

Iklan Atas Artikel

Iklan Tengah Artikel 1

Iklan Tengah Artikel 2

Iklan Bawah Artikel