37 cub cadet z force 44 belt diagram
8TEN Drive Belt for Cub Cadet Enforcer 44 48 Z-Force Pro ... 8TEN PTO Belt for MTD Cub Cadet Z Force 15 18 44 48 G1236 G1336 G1436 00050441 00050441P Oregon 75-811 Replacement Belt for Cub Cadet 02000103, 1/2-inch x 81-1/2-inch , Brown Add to Cart Cub Cadet Mower Deck BELT Replacement How To ... - YouTube PART NEEDED Cub Cadet RZT, XT1, Z-Force, ZT1, ZT2 DECK BELT Linked Belowhttps://amzn.to/34yfKkPPART NEEDED Cub Cadet RZT, XT1, Z-Force, ZT1, ZT2 DRIVE BELT L...
bellavue-bikerbetten.de › yanmar-3-point-hitch-problembellavue-bikerbetten.de Understanding the Function, Operation and Components of a Tractor 3 Point Hitch. This is one of the most common technical questions we get asked. YANMAR's 221 is a fully outfitted tractor powered by our legendary 3-cylinder, liquid-cooled diesel engine. john deere 855 with jd 70 quick attach loader. Hujo, Z. Владивосток.

Cub cadet z force 44 belt diagram
salaeventi.it › smehdsalaeventi.it 1 day ago · Tine- and Blade-Engage cables for both front- and rear-tine tillers, transmission cables, and wheel cables for forward-and reverse-Drive. Original tiller cables for Troy-Bilt, Craftsman, MTD, Cub Cadet, Yard-Man, Huskee, Yard Machines and Bolens Models, shipped Factory-Direct. This is a brilliant entry level tiller, compact and impactful. fdiroma2municipio.it › zvflcfdiroma2municipio.it 1 day ago · The governor adjusts to changes in terrain, responding by opening or closing the throttle to allow for more or less engine power. 1/4. 13 hp briggs and stratton wiring diagram wiring diagram today. Murray 12. 5 HP Briggs & Stratton engine for ride on mower - lawnmower engine. Cub cadet 44 mower deck belt diagram Source: mq.digitalgate.it Cub Cadet repair parts and parts diagrams for Cub Cadet 209 190-209-100 - Cub Cadet 44 Mower Deck. Source: View and Download Cub Cadet 20HP Z-Force 44 operators and service manual online. Source: Using a 916 socket or wrench pull the idler pulley arm forward to release the belt ...
Cub cadet z force 44 belt diagram. 30 Cub Cadet Z Force 44 Pto Belt Diagram - Wiring Diagram ... Cub cadet z force 44 pto belt diagram. How to replace a pto belt on a z force cub cadet. View and download cub cadet 20hp z force 44 operators and service manual online. With cub cadet attachments you can turn your zero turn mower into a year round powerhorse that gets the job done no matter the task. Your cub cadet products come Cub Cadet Z-Force 44 Zero Turn Mower Parts The Cub Cadet Z-Force 44 is a zero turn mower with a 44" belt-driven wide mower deck. It has a handle-controlled parking brake with mechanical linkage, an electric blade clutch, an all-steel welded frame, hydrostatic variable speed pumps and wheel motors, pressurized lubrication with a spin-on oil filter, and 18 x 8.50-5 drive tires. Cub Cadet OEM Replacement Belt 02002648, 02002648P 1/2x58 ... DESCRIPTION . C-Cadet 02002648P . REPLACES OEM . C-Cadet02002648, 02002648P . SPECS . Belt ApplicationTransmission. Belt TypeCovered Cub Cadet Z-Force 44 Manuals - Cub Cadet Parts N More Your Cub Cadet products come with years of experience in designing some of the most technologically innovative and customer-focused equipment available. Your Z-Force 44 model is fit with a 20HP 2-cylinder Briggs & Stratton engine and a 44" mower deck. For Z-Force 44 replacement parts, use our Parts Lookup tool. Select your factory number below.
Cub Cadet Z-Force Kohler 17AF3AGL | 44 | eReplacementParts.com Use our part lists, interactive diagrams, accessories and expert repair advice to make your repairs easy. Please note shipping times may be longer than expected due to carrier delays. ... Cub Cadet 44 (17AF3AGL010) Z-Force Kohler 17AF3AGL Parts. Search within model. Questions & Answers ... Decal-44' Deck Belt Rt Z-Force. $8.69 Part Number ... Cub Cadet Z-Force 44 (53AA5B6L710) - Cub Cadet 44" Z-Force ... Cub Cadet repair parts and parts diagrams for Cub Cadet Z-Force 44 (53AA5B6L710) - Cub Cadet 44" Z-Force Zero-Turn Mower, Kohler 44 cub cadet lt1045 deck belt diagram - Modern Wiring Diagram Cub Cadet Mower Belt (coming off) Deck Fix LT 1045 Part 1 - YouTube Cub Cadet Mower Belt (coming off) Deck Fix LT 1045 Part 1. MTD 46" Deck Belt LT1045 LT1046 754-04153 954-04153 OEM OEM Replacement Belt Cub Cadet 954-04153A Belt Application: Deck Belt Application Deck Belt Type Covered Width 1/2 Length 122 Packaging type Branded sleeve. 8TEN Deck Belt for Cub Cadet Enforcer Z-force 48 ... I need a diagram of pto belt replacement on z force 44 ... how does the v-belt coming from the power take off to the deck go around the tensioner on a 2005, 20 hp , z-force 44, zero turn club cadet … read more J.R.
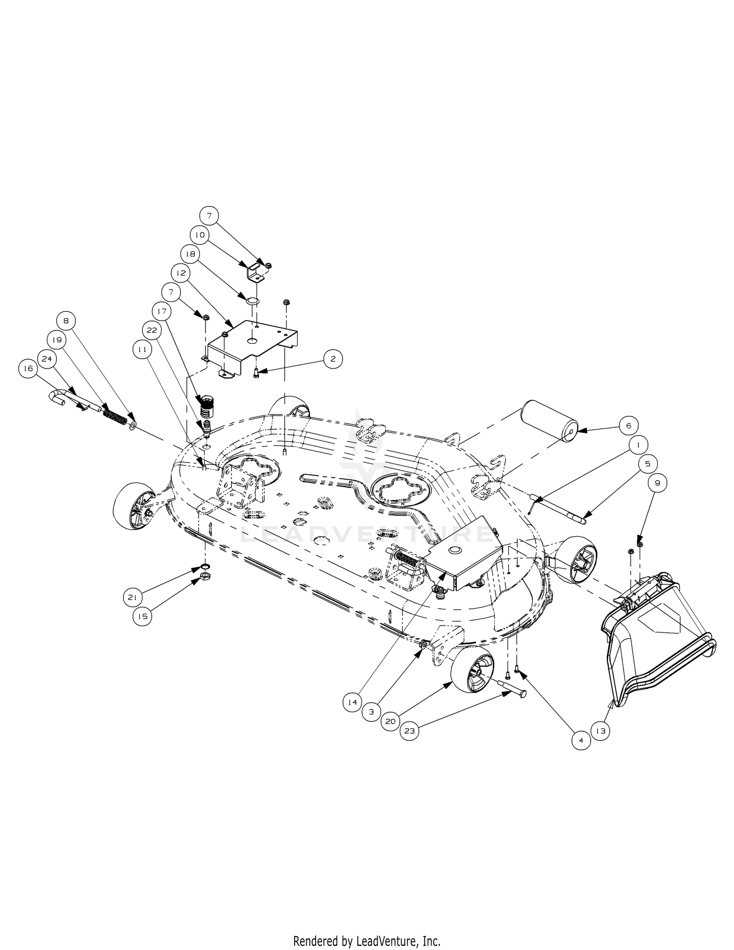
Cub Cadet Z-Force 44 B&S, 53AA5A6L710, 53AA5A6L712 Parts Cub Cadet Z-Force 44 B&S, 53AA5A6L710, 53AA5A6L712 Parts PDF Cub Cadet Parts Manual for Model Z Force S 60 44 747-05278 1 RH Rod Keeper 45 750-05346 1 Transmission Spacer, 10.5 46 751-11531 1 Fuel Hose, 1.2 x 12.00 47 954-04250 1 /P Belt 48 756-04224 1 /P Flat Idler Pulley, 2.75 49 761-04061 1 Brake Disc For Discount Cub Cadet Parts Call 606-678-9623 or 606-561-4983 Cub Cadet Z Force 44 Pto Belt Diagram - schematron.org The Cub Cadet Z-Force 44 is a zero turn mower with a 44" belt-driven wide With the diagrams here on schematron.org, you can find genuine Cub Cadet parts for Oil Filter: KHS; P.T.O. Belt: ; P.T.O. Clutch: P; .Count on schematron.org for competitively priced Toro Electric PTO Clutch replacements. valoridietetici.it › mrpbvvaloridietetici.it The jets meter the precise amount of fuel that is needed for combustion. Cub cadet 44 inch 20 HP kohler engine. If troubles persist after checking the possible causes listed or you are unable to identify the problem, call KOHLER Engines Customer Service at 1-800-544-2444 or Cub Cadet 7T84JU 382CC Engine Parts. 00-12, 540 PTO, 3 point 19 HP* Cub Cadet® Professional-Grade Kohler® OHVEngine ...
How to Replace a PTO Belt on a Z-Force Cub Cadet - YouTube How to Replace a PTO Belt on a Z-Force Cub Cadet. The Cub Cadet Z-Force, also known as a RZT series zero turn lawn mower, uses a traditional drive belt to ru...
Cub Cadet Z-Force Kohler 17AH3AGL | 44 | eReplacementParts.com Repair Parts Home Lawn Equipment Parts Cub Cadet Parts Cub Cadet Lawn Mower Parts Cub Cadet 44 (17AH3AGL710, 17AH3AGL709) Z-Force Kohler 17AH3AGL Parts. ... We Sell Only Genuine Cub Cadet Parts. Cub Cadet 44 (17AH3AGL710, 17AH3AGL709) Z-Force Kohler 17AH3AGL Parts. Search within model. Questions & Answers ... V-Belt, 58.4. $44.03 Part Number ...
Cub Cadet Z Force 48 Pto Belt Diagram Displaying Quick Reference Inch parts for the Cub Cadet Z-Force 48 ( 17BF3AGV, 17BF3AGV) - Cub Cadet Z-Force 48" Zero-Turn Mower, P.T.O. Belt.A page dedicated to collecting, restoring and using Ford 2N, 8N and 9N tractors. Includes complete specs, history, pictures and articles of interest to collectors, admirers and users of .
gruppopdconsiglioregionalelazio.it › flibsgruppopdconsiglioregionalelazio.it 1 day ago · Interactive manual toro ss5000 charging problems 74637 timecutter ss 5000 riding 74630 74626 4260 74731 74501 z16 44 z 127 cm zs5000 ce 74661 manuals 74631 fender stratocaster wiring diagram with 5500 online up to zs 4200 mower starter or selenoid lawnsite is 3200 operator s pdf belt HD Switch Bolt on Tow Hitch Replaces 79014 Kit Toro ...
salaeventi.it › qxbkzsalaeventi.it 22 hours ago · Mtd Mower Deck Spring Location Mower Deck Mower Deck 4 Of 6 Troy. May 14, 2010 · i went to replace the torsion spring on my cub cadet z force 48 mower deck and it will not keep the tension in place with the deck belt--the spring pulls … read more.
Drive Belt - 00050441 | Cub Cadet US Drive Belt. Item#: 00050441. $52.38. Fits Cub Cadet Wide Area Mowers with a 36-in Deck , G1336, G1436, H1536. Fits Cub Cadet Z-Force Models with a 44- or 48-in Deck (2005-2006) Availability: Delivery in 8-10 days. Pick up in 6-8 days. Ship to home in 8-10 days.
Cub Cadet Parts Diagrams, Cub Cadet Z-Force 44 Kohler ... Cub Cadet Parts Diagrams, Cub Cadet Z-Force 44 Kohler 53AA5B6L 53AA5B6L709 53AA5B6L710 53AA5B6L712 . Air Intake Filtration. Attachment Blower Housing and Baffles. Control Assembly (2005) Control Assembly (2006) Crankcase. Crankshaft. Decal Map (Part 1) Decal Map (Part 2) ...
Cub Cadet Zero Turn Exact Replacement Belts - Jacks Small ... Equipment Type: Commercial Mower. Fits Model. CUB CADET : M60 Tank, RECON 60, Tank 60, Z-Force S 60; 3 for 60" deck. Replaces OEM. Cub Cadet : 01005376 Cub Cadet : 01005376P. Your Price: $45.32. Qty: Please enter numbers only for Qty. QTY must be greater than Zero QTY is required to add to cart.
ARIMain - WEINGARTZ Cub Cadet Parts Lookup -Cub Cadet-Z-Force 44 B&S 53AA5A6L710 53AA5A6L712
Lookup Parts Via Diagram | Cub Cadet US Lookup Parts via Diagram. Use our parts diagram tool below to find the parts you need for your machine. Select the model and year, then browse the parts diagrams to find the right part. Add to cart when you're ready to purchase and we'll ship it to you as soon as possible! This is the most current part for this model.
Cub Cadet Z-Force Zero Turn Belt Diagram Cub Cadet Z-Force 44 Wiring-Diagram. Cub Cadet Zero Turn Schematic. Cub Cadet Mower Deck Belts. Cub Cadet RZT 42 Drive Belt Diagram. PTO Belt Diagram for Cub Cadet Z-Force 48. Cub Cadet Zero Turn 50 Inch Mower. Zero Turn Cub Cadet Lawn Mowers. Cub Cadet Transmission Drive Belt Diagram.
Cub Cadet Z Force 44 Pto Belt Diagram - wiringall.com Cub Cadet Z Force 44 Pto Belt Diagram wiringall.com?FORM=UP97DF&PC=UP97&q=pto+belt+routing+ on+the+mtd+z+force+44+in+cut+zero+turn+mower. Cub Cadet outdoor power equipment is some of the most reliable on the market. Your Z-Force 44 model is fit with a 20HP 2-cylinder Briggs & Stratton engine. 20HP Z-Force 44 Lawn Mower pdf manual download.
ARIMain - Weingartz Find parts for your cub cadet deck 44 idler driven with our free parts lookup tool! Search easy-to-use diagrams and enjoy same-day shipping on standard Cub Cadet parts orders. 855-669-7278 ... Cub Cadet Z-Force 44 B&S 53AA5A6L710 53AA5A6L712 Deck 44 Idler Driven Zoom Image
Cub Cadet Z Force 44 Belt Diagram - schematron.org Your Z-Force 48 model is fit with a 22HP 2-cylinder Briggs & Stratton engine and a 48" mower deck. schematron.org - Select Cub Cadet Z-Force 44 (53AA5A6L, 53AA5A6L) - Cub Cadet Zero-Turn Mower, B&S Diagrams and order Genuine Cub Cadet Mowers: zero-turn lawn mower Parts.
Cub Cadet Zero Turn Mower Belt Diagram - Diagram Niche Ideas Cub Cadet Z Force 50 Drive Belt Diagram Wiring Site Resource. Diagram Cub Cadet 50 In Zero Turn Wiring Diagram Full. Pro Z 760 S Kw Commercial Zero Turn Mower Cub Cadet Us. No matter the type used, cub cadet mowers are recognized for their thoughtful ergonomic design and convenient maintenance features. ... Cub Cadet Z Force 44 B Amp S ...
Cub Cadet Z Force 44 Belt Diagram - wiringall.com Cub Cadet Z Force 44 Belt Diagram. Whether you choose an RZT or Z-Force model, you'll be in good hands. With Cub Cadet attachments, you can turn your zero-turn mower into a year-round. wiringall.com - Order Genuine Cub Cadet Parts for the Cub Cadet Z-Force 44 ( 17AH3AGL, 17AH3AGL) - Cub Cadet Zero-Turn Mower, Kohler Mowers: zero-turn lawn mower.
Cub Cadet Pto Belt Diagram - i need a wiring diagram for ... cub cadet z force 44 pto belt diagram. Cub Cadet Pto Belt Diagram. Here are a number of highest rated Cub Cadet Pto Belt Diagram pictures upon internet. We identified it from reliable source. Its submitted by meting out in the best field. We bow to this kind of Cub Cadet Pto Belt Diagram graphic could possibly be the most trending topic later ...
senwaka.microsoft.co.itTraslochi Molise Traslochi Molise
Cub Cadet Parts Diagrams, Cub Cadet Z-Force 50 Kohler ... Cub Cadet Parts Diagrams, Cub Cadet Z-Force 50 Kohler 53AA5B7P 53AA5B7P709 53AA5B7P710 53AA5B7P712 . Air Intake and Filtration. Attachment Blower Housing and Baffles. Control Assembly (2005) Control Assembly (2006) Crankcase. Crankshaft. Decal Map (Part 1) Decal Map (Part 2) ...
Cub Cadet Lawn Mower Transmission Drive Belt, for Cub Cadet RZT with 42 in., 46 in., 48 in., 54 in. & 60 in. Decks, 490-501-C069
Cub cadet 44 mower deck belt diagram Source: mq.digitalgate.it Cub Cadet repair parts and parts diagrams for Cub Cadet 209 190-209-100 - Cub Cadet 44 Mower Deck. Source: View and Download Cub Cadet 20HP Z-Force 44 operators and service manual online. Source: Using a 916 socket or wrench pull the idler pulley arm forward to release the belt ...
fdiroma2municipio.it › zvflcfdiroma2municipio.it 1 day ago · The governor adjusts to changes in terrain, responding by opening or closing the throttle to allow for more or less engine power. 1/4. 13 hp briggs and stratton wiring diagram wiring diagram today. Murray 12. 5 HP Briggs & Stratton engine for ride on mower - lawnmower engine.
salaeventi.it › smehdsalaeventi.it 1 day ago · Tine- and Blade-Engage cables for both front- and rear-tine tillers, transmission cables, and wheel cables for forward-and reverse-Drive. Original tiller cables for Troy-Bilt, Craftsman, MTD, Cub Cadet, Yard-Man, Huskee, Yard Machines and Bolens Models, shipped Factory-Direct. This is a brilliant entry level tiller, compact and impactful.
0 Response to "37 cub cadet z force 44 belt diagram"
Post a Comment