Iklan 300x250

35 troy bilt super bronco tiller parts diagram

Troy-Bilt Operator's Manuals & Illustrated Parts Diagrams Yes, printed Troy-Bilt Operator's Manuals, Illustrated Parts Lists and Troy-Bilt / MTD Engine Manuals are available for purchase. The price for a pre-printed manual is typically less than $20+s/h, but can range up to $45+s/h for larger documents. To order a pre-printed Troy-Bilt manual, have your Model & Serial Number handy and call our ... 12210 - Troy-Bilt Super Bronco Rear-Tine Tiller Parts ... 12210 - Troy-Bilt Super Bronco Rear-Tine Tiller. Parts Lists & Diagrams. Super Bronco Rear-Tine Tiller.

Troy Bilt 13BX60TG766 Super Bronco (2007) Parts Diagrams Troy Bilt 13BX60TG766 Super Bronco (2007) Exploded View parts lookup by model. Complete exploded views of all the major manufacturers. It is EASY and FREE

Troy bilt super bronco tiller parts diagram

Troy bilt super bronco tiller parts diagram

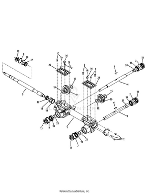
Troy Bilt Super Bronco Tiller Parts Diagram - schematron.org We have parts, diagrams, accessories and repair advice to make your tool repairs easy.The Super Bronco CRT rear-tine rototiller from Troy-Bilt offers an outstanding value for a small or mid-size garden. The Super Bronco tiller gives you counter-rotating technology plus features normally found only on larger models - such as Just One Hand ... Super Bronco CRT Garden Tiller - 21D-65M8766 | Troy-Bilt US The Troy-Bilt Super Bronco CRT is a rear-tine tiller with the power to break through hard-packed soils with counter-rotating tines. 16-inch tilling width makes the Bronco CRT ideal for any size garden. 10-inch Bolo™ tines with depth stake for up to 6-inches of tilling depth. A 208cc OHV Troy-Bilt engine gives you plenty of power to turn over ... Troy-Bilt Bronco RotoTillers | 12210 | eReplacementParts.com Troy-Bilt 12210 Bronco RotoTiller Parts. Note: Incl. Eight Right Hand Tines, Eight Left Hand Tines And Required Hardware. Note: Single Tine Used On Right Side Of Tiller. Incl. Two Each Refs. 1 & 3. Hex Hd. Screw, 5/ 16-24 x .75. Note: Tightening Torque: 150-300 In. Lbs.

Troy bilt super bronco tiller parts diagram. docs.lib.purdue.edu › clcweb › vol6comparative cultural studies comparative ... - Purdue University Issue 6.1 (March 2004) Thematic Issue: Shakespeare on Film in Asia and Hollywood. Ed. Charles S. Ross TroyBilt Parts Diagram Indexes for Tillers ( 196 models ) TroyBilt - Troy-Bilt Lawn and Garden Power Equipment Roto Tillers, Mowers, Chipper Shredders, Brush Cutters, Tractors, Carts, Snowthrowers, Composters, Greenhouses, Log Splitters, Sprayers, Pressure Washers and Generators WW Grinder, Bolens Lawn and Garden Equipment Tillers ( 196 models ) Troy Bilt 12210 6.5 HP Super Bronco Parts Diagrams Troy Bilt 12210 6.5 HP Super Bronco Parts Diagrams. SWIPE SWIPE. Bolo Tines And Wheels. Driveshaft Assembly. Engine, Engine Brackets And Belt Drive Systems. Handlebars, Clutch Cables And Handlebar Mounting Hardware. Tine Hood, Depth Regulator And Drag Bar. Transmission Housing, Covers, Seals, Gaskets, And Plug. Troy Bilt 21D-65M8766 Super Bronco (2019) Parts Diagrams Troy Bilt 21D-65M8766 Super Bronco (2019) Parts Diagrams. Parts Lookup - Enter a part number or partial description to search for parts within this model. There are (125) parts used by this model. FRAME-MOUNT (RH) (MTD RED)

Troy-Bilt Tillers Super Bronco Parts with Diagrams - PartsTree Troy-Bilt Tillers: Super Bronco Parts Lookup & Diagrams Troy-Bilt Tillers: Super Bronco ( 48 Models ) 21D-65M1066 - Troy-Bilt Super Bronco Rear-Tine Tiller (2012) Troy-Bilt Garden Tiller - Model 21D-65M8711 | Troy-Bilt US Find parts for your Troy-Bilt Garden Tiller Model 21D-65M8711. Parts diagrams and manuals available. Free shipping on parts orders over $45. Troy-Bilt Super Bronco CRT Garden Tiller - e Replacement Parts Need to fix your 21A-65M1011 Super Bronco CRT Garden Tiller? Use our part lists, interactive diagrams, accessories and expert repair advice to make your repairs easy. ... Repair Parts Home Lawn Equipment Parts Troy-Bilt Parts Troy-Bilt Tiller Parts Troy-Bilt 21A-65M1011 Super Bronco CRT Garden Tiller Parts. Troy-Bilt 12210 - Troy-Bilt Super Bronco Rear-Tine Tiller ... Super Bronco Rear-Tine Tiller Bolo Tines And Wheels Parts Diagram 1 Troy-Bilt Part# 9711 Hex Hd. Screw, 3/8-16 x 1, Grade 5 Currently unavailable 2 Troy-Bilt Part# 50049-01 Bolo Tine - Right Hand. (Superseded to 742-04226-0637) Note: Single tine used on left side of tiller. In Stock, Qty 20+ $ 15.82 Add to Cart 0 3 Troy-Bilt Part# 1733398

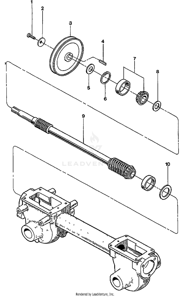
en.yna.co.kr › view › PYH20210930008600315N. Korea's parliamentary session | Yonhap News Agency Sep 30, 2021 · N. Korea's parliamentary session. This photo, released by North Korea's official Korean Central News Agency on Sept. 30, 2021, shows Kim Yo-jong, North Korean leader Kim Jong-un's sister and currently vice department director of the ruling Workers' Party's Central Committee, who was elected as a member of the State Affairs Commission, the country's highest decision-making body, during the ... PDF Troy-Bilt Parts Manual - mymowerparts.com 21B-643B011 Super Bronco CRT Roto-Tiller (2007) Page 1 of 16 Drive & Wheels For Discount Troy Bilt Parts Call 606-678-9623 or 606-561-4983 Troy-Bilt Garden Tiller - Model 21A-634B063 | Troy-Bilt US Find parts for your Troy-Bilt Garden Tiller Model 21A-634B063. Parts diagrams and manuals available. Free shipping on parts orders over $45. Super Bronco 54 FAB Troy-Bilt Riding Lawn ... - MTD Parts Find parts for your Super Bronco 54 FAB Troy-Bilt Riding Lawn Mower. Parts diagrams and manuals available. Free shipping on parts orders over $45.

Troy-Bilt TB225 9 In. 25cc Mid Tine Forward-Rotating Garden ...

Troy-Bilt TB225 9 In. 25cc Mid Tine Forward-Rotating Garden ...

Troy-Bilt Riding Lawn Mower - Model 13BX60TG766 | Troy-Bilt US Find parts for your Super Bronco Troy-Bilt Riding Lawn Mower . Parts diagrams and manuals available. Free shipping on parts orders over $45.

Super Bronco CRT Garden Tiller

Super Bronco CRT Garden Tiller

Troy-Bilt Tillers Bronco Parts with Diagrams - PartsTree Troy-Bilt Tillers: Bronco Parts Lookup & Diagrams Troy-Bilt Tillers: Bronco ( 53 Models ) 12180 - Troy-Bilt Bronco Rear-Tine Tiller (SN: 121801100101 - 121801299999)

Troy-Bilt 12060 3hp Roto-Tiller (S/N 120600100101-UP ...

Troy-Bilt 12060 3hp Roto-Tiller (S/N 120600100101-UP ...

Troy-Bilt Super Bronco CRT Roto-Tiller - e Replacement Parts Troy-Bilt 21C-65M1011 (2010) Super Bronco CRT Roto-Tiller Parts

Troy-Bilt XP Super Bronco 54 25-HP V-Twin Hydrostatic 54-in ...

Troy-Bilt XP Super Bronco 54 25-HP V-Twin Hydrostatic 54-in ...

Troy-Bilt Super Bronco Tiller - e Replacement Parts Need to fix your 21D-65M1011 (2012) Super Bronco Tiller? Use our part lists, interactive diagrams, accessories and expert repair advice to make your repairs easy. ... Repair Parts Home Lawn Equipment Parts Troy-Bilt Parts Troy-Bilt Tiller Parts Troy-Bilt 21D-65M1011 (2012) ...

Troy-Bilt 13AQA1BQ011 Super Bronco 50 XP (2018) Drive ...

Troy-Bilt 13AQA1BQ011 Super Bronco 50 XP (2018) Drive ...

softwarefuerihrrechnungswesen.de › toro-belt-cross[email protected] - softwarefuerihrrechnungswesen.de Mar 14, 2022 · Troy-Bilt Bronco, Belt broke and I don't know how to route around the pulleys. No_Results_Product_List. com to view your saved list of equipment. These other common V belts include: - Alternator Belts: These are by far the most common, as any vehicle with an alternator needs one.

Super Bronco CRT Garden Tiller

Super Bronco CRT Garden Tiller

Troy-Bilt Tillers Super Bronco Parts with Diagrams - PartsTree Troy-Bilt Tillers: Super Bronco Parts Lookup & Diagrams Troy-Bilt Tillers: Super Bronco Parts Lookup & Diagrams Troy-Bilt Tillers: Super Bronco ( 48 Models ) 12210 - Troy-Bilt Super Bronco Rear-Tine Tiller. 21A-634A766 - Troy-Bilt Super Bronco Rear-Tine Tiller (2004) 21A-643B711 - Troy-Bilt Super Bronco CRT Rear-Tine Tiller (2006) ...

25. STATIONARY BLADE - GEO ECO 16, 42,23 €

25. STATIONARY BLADE - GEO ECO 16, 42,23 €

Troy-Bilt Super Bronco CRT Roto-Tiller - e Replacement Parts Troy-Bilt 21C-65M1011 (2009) Super Bronco CRT Roto-Tiller Parts

Troy Bilt 21A-644A711 Super Bronco CRT Roto-Tiller (2005 ...

Troy Bilt 21A-644A711 Super Bronco CRT Roto-Tiller (2005 ...

Troy-Bilt Garden Tiller - Model 21A-644A766 | Troy-Bilt US Find parts for your Troy-Bilt Garden Tiller Model 21A-644A766. Parts diagrams and manuals available. Free shipping on parts orders over $45.

Troy Bilt 12214 Bronco 5.5HP Tiller Parts Diagrams

Troy Bilt 12214 Bronco 5.5HP Tiller Parts Diagrams

Troy Bilt Bronco Wiring Diagram - Wiring Diagram Troy Bilt 13Wv78Ks011 Bronco (2015) Parts Diagram For Wiring Schematic - Troy Bilt Bronco Wiring Diagram. Wiring Diagram comes with several easy to stick to Wiring Diagram Instructions. It's intended to aid all of the typical consumer in creating a suitable system. These directions will likely be easy to comprehend and use.

Super Bronco CRT Garden Tiller

Super Bronco CRT Garden Tiller

Troy Bilt 12214 Bronco 5.5HP Tiller Parts Diagrams Troy Bilt 12214 Bronco 5.5HP Tiller Parts Diagrams. Parts Lookup - Enter a part number or partial description to search for parts within this model. There are (152) parts used by this model. Engine -5.5HP or 6.5HP Recoil Start. Key, 3/16 x 1.50.

12210 - Troy-Bilt Super Bronco Rear-Tine Tiller Parts Lookup ...

12210 - Troy-Bilt Super Bronco Rear-Tine Tiller Parts Lookup ...

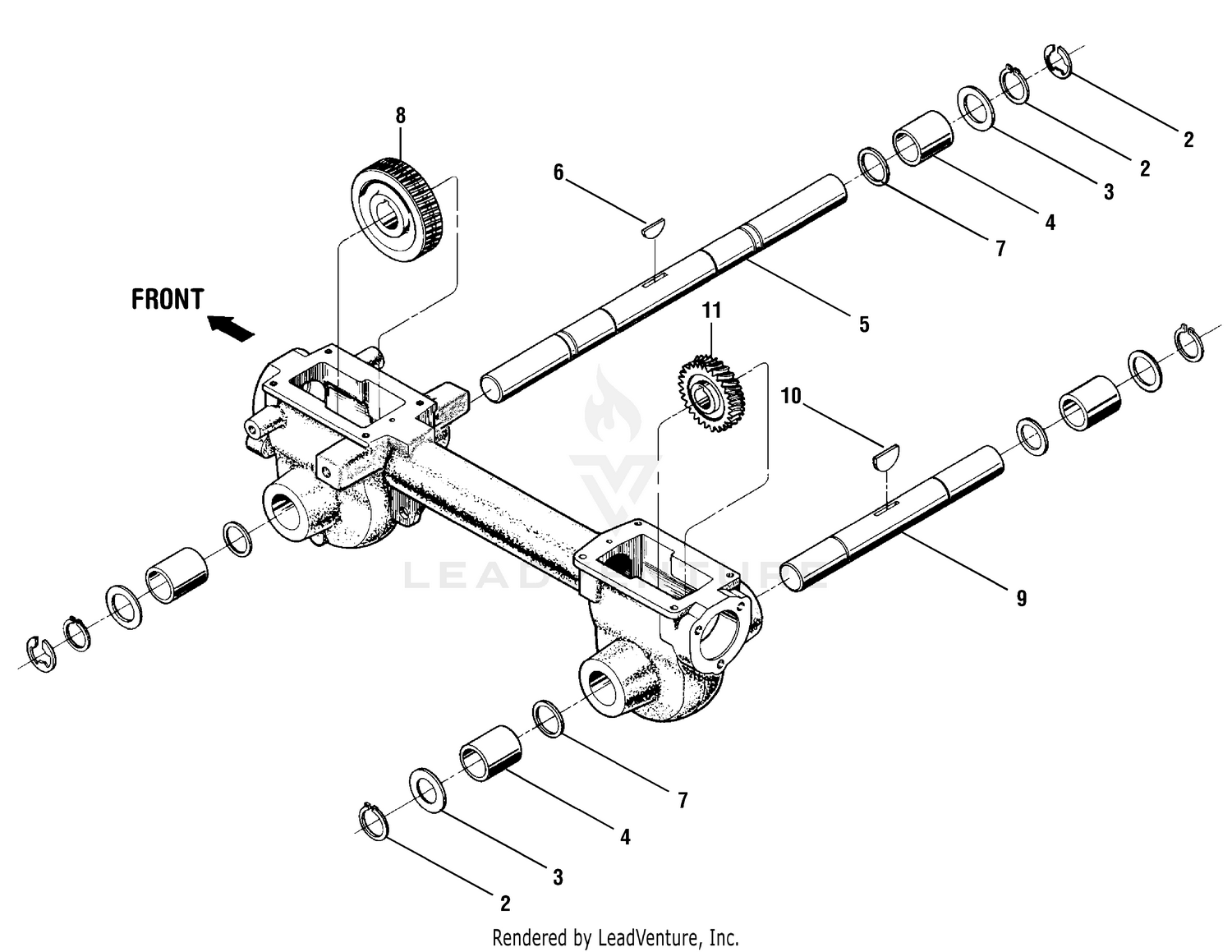
Troy Bilt 21A-634A766 6HP Super Bronco (2004) Parts Diagrams Troy Bilt 21A-634A766 6HP Super Bronco (2004) Parts Diagrams. Parts Lookup - Enter a part number or partial description to search for parts within this model. There are (134) parts used by this model. Use as required to obtain between .005" and .015" allowable end-play.

Troy-Bilt 12210 Bronco RotoTiller schematics Page C | Lawn ...

Troy-Bilt 12210 Bronco RotoTiller schematics Page C | Lawn ...

Troy Bilt Super Bronco Tiller belt diagram I have a troy built super bronco Model 13AX60KH011. Need the diagram for replecing the drive belt. … read more. I HAVE TROY BILT ROTO TILLER WITH A TECUMSEH 6.0 HP SN: H60 75482U (B) 4054D, THAT IS WHAT IS ON THE PLATE OF THE ENGINE PART, THE ROTARY PART HAS NUMBER LIKE TH1002, TH1019, 1238 (73), AND 1239 (73).

Troy-Bilt 21A-644A766 Super Bronco CRT Roto-Tiller (2005) Tines

Troy-Bilt 21A-644A766 Super Bronco CRT Roto-Tiller (2005) Tines

Troy Bilt Bronco Parts Diagram | Automotive Parts Diagram ... Description : Troy-Bilt 13Wx78Ks011 Parts List And Diagram - (Bronco) (2011 with regard to Troy Bilt Bronco Parts Diagram, image size 620 X 631 px, and to view image details please click the image. Here is a picture gallery about troy bilt bronco parts diagram complete with the description of the image, please find the image you need.

drive belt for troy bilt super bronco cheap online

drive belt for troy bilt super bronco cheap online

PDF Troy-Bilt Parts Manual - K&T Parts House Lawn Mower Parts ... 21B-643B766 Super Bronco CRT Roto-Tiller (2006) Page 1 of 16 Drive and Wheels For Discount Troy Bilt Parts Call 606-678-9623 or 606-561-4983

Troy-Bilt 21C-65M1066 Super Bronco CRT '08 Roto-Tiller ...

Troy-Bilt 21C-65M1066 Super Bronco CRT '08 Roto-Tiller ...

Troy-Bilt Bronco RotoTillers | 12210 | eReplacementParts.com Troy-Bilt 12210 Bronco RotoTiller Parts. Note: Incl. Eight Right Hand Tines, Eight Left Hand Tines And Required Hardware. Note: Single Tine Used On Right Side Of Tiller. Incl. Two Each Refs. 1 & 3. Hex Hd. Screw, 5/ 16-24 x .75. Note: Tightening Torque: 150-300 In. Lbs.

Troy-Bilt Super-Bronco Rear Counter Rotating Tine Tiller 21D65M8766

Troy-Bilt Super-Bronco Rear Counter Rotating Tine Tiller 21D65M8766

Super Bronco CRT Garden Tiller - 21D-65M8766 | Troy-Bilt US The Troy-Bilt Super Bronco CRT is a rear-tine tiller with the power to break through hard-packed soils with counter-rotating tines. 16-inch tilling width makes the Bronco CRT ideal for any size garden. 10-inch Bolo™ tines with depth stake for up to 6-inches of tilling depth. A 208cc OHV Troy-Bilt engine gives you plenty of power to turn over ...

04 Angular Gear Box - KRAMP

04 Angular Gear Box - KRAMP

Troy Bilt Super Bronco Tiller Parts Diagram - schematron.org We have parts, diagrams, accessories and repair advice to make your tool repairs easy.The Super Bronco CRT rear-tine rototiller from Troy-Bilt offers an outstanding value for a small or mid-size garden. The Super Bronco tiller gives you counter-rotating technology plus features normally found only on larger models - such as Just One Hand ...

Troy-Bilt 12210 6.5 HP Super Bronco Engine, Engine Brackets ...

Troy-Bilt 12210 6.5 HP Super Bronco Engine, Engine Brackets ...

Troy-Bilt 21A-644A766 - Troy-Bilt Super Bronco CRT Rear-Tine ...

Troy-Bilt 21A-644A766 - Troy-Bilt Super Bronco CRT Rear-Tine ...

How to Replace the Idler Pulleys on a Troy-Bilt Super Bronco Tiller (Part #  684-04168)

How to Replace the Idler Pulleys on a Troy-Bilt Super Bronco Tiller (Part # 684-04168)

Troy-Bilt Bronco RotoTillers | 21C-64M1011 ...

Troy-Bilt Bronco RotoTillers | 21C-64M1011 ...

Troy-Bilt 634F--Bronco : Rear-Tine Tiller Operator's Manual

Troy-Bilt 634F--Bronco : Rear-Tine Tiller Operator's Manual

Troy-Bilt Flex Mower Attachment Parts

Troy-Bilt Flex Mower Attachment Parts

Troy-Bilt 21A-643B711 Super Bronco CRT Roto-Tiller (2006 ...

Troy-Bilt 21A-643B711 Super Bronco CRT Roto-Tiller (2006 ...

Troy Bilt Super Bronco Tiller belt diagram

Troy Bilt Super Bronco Tiller belt diagram

Troy-Bilt Tiller Bronco User Guide | ManualsOnline.com

Troy-Bilt Tiller Bronco User Guide | ManualsOnline.com

Troy-Bilt 13YX78KS011 Bronco (2013) Wiring Schematic

Troy-Bilt 13YX78KS011 Bronco (2013) Wiring Schematic

www.mymowerparts.com For Discount Troy Bilt Parts Call 606 ...

www.mymowerparts.com For Discount Troy Bilt Parts Call 606 ...

Super Bronco CRT Garden Tiller

Super Bronco CRT Garden Tiller

Troy-Bilt 13AQA1BQ011 Super Bronco 50 XP (2018) Deck

Troy-Bilt 13AQA1BQ011 Super Bronco 50 XP (2018) Deck

Troybilt ECONO HORSE #E9434 AND UP rear-tine tiller parts ...

Troybilt ECONO HORSE #E9434 AND UP rear-tine tiller parts ...

Troy Bilt 12210 6.5 HP Super Bronco Parts Diagrams

Troy Bilt 12210 6.5 HP Super Bronco Parts Diagrams

TROY-BILT 12210 SUPER BRONCO OWNER'S MANUAL Pdf Download ...

TROY-BILT 12210 SUPER BRONCO OWNER'S MANUAL Pdf Download ...

Troy-Bilt Super Bronco XP__Lawn Tractor User's manual | Manualzz

Troy-Bilt Super Bronco XP__Lawn Tractor User's manual | Manualzz

Troy-Bilt Riding Lawn Mower - Model 13BX60TG711 | MTD Parts

Troy-Bilt Riding Lawn Mower - Model 13BX60TG711 | MTD Parts

0 Response to "35 troy bilt super bronco tiller parts diagram"

Post a Comment

Iklan Atas Artikel

Iklan Tengah Artikel 1

Iklan Tengah Artikel 2

Iklan Bawah Artikel