35 crusader 454 parts diagram
Find your Crusader Inboard parts easy, just click on the application, click on the parts group and then click on the part in the illustration. Crusader Replacement Parts . Illustrations are available for the following Crusader Engines. Please … CRUSADER V8-427 and 454 C.I.D. ALL MODELS CENTER RISER GENERIC . Part Number and Description . CHVA-1-84 Water cooled center discharge manifold to fit the big block GM engine (3/4” N.P.T. cooling hose connections). …
Crusader Engine Parts Engine Wiring 454 & 502 CID. Please Remember we stock parts and accessories for all makes and models of marine engines and boats. These catalog pages represent just a few of the parts we stock. Use the search field on the top of the page to search by part the Part Number with the abbreviation at the bottom of each page.

Crusader 454 parts diagram
other images like wiring diagram, parts diagram, replacement parts, electrical diagram, repair manuals, engine diagram, engine scheme, wiring harness, fuse box, vacuum diagram, timing belt, timing .crusaderengine-wiring ... Crusader 454 Wiring Diagram Crusader 454 Manual Following is the limited warranty applicable MODEL MP7.4L PARTS MANUAL - 2 CRUSADER MP7.4L Symbols shown throughout parts list are defi ned here or on the bottom of the individual parts list page. AR = As Required OPT = Optional NSS = Not Serviced Separately NA = Not Available SS = Single Station Control DS = Dual Station Control OS = Oversize US = Undersize NS = Not Shown TBD = To Be … Stocking thousands of OEM & aftermarket marine parts by top suppliers. Free shipping on orders over $100! ... Parts Diagrams. Crusader. V8 Small Block Engines / 5.0 Liter (305) & 5.7 Liter (350) 5.0 Liter (305) Model CM305XL ; 2002 Thru 2005 Model Years; 2006 Model Year; 2007 & Up Model Years; 5.7 Liter (350) Model CM350XL; Model CM350HT; 1998 thru Early 1999 …
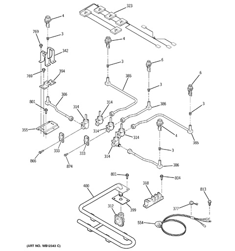
Crusader 454 parts diagram. Crusader V-8 454 CID/7.4 Litre - Model 454. Gen V Block carbureted engines. Serial #'s from 88710 and up. One Piece Main Seal. Cylinder Block Assembly. Crankshaft, Cam and Piston Assembly. Cylinder Head Assembly. Intake Manifold Assembly. Oil Pan and Oil Pump Assembly. Crusader Replacement Parts. Illustrations are available for the following Crusader Engines. Please Click Your Model Below To Begin. CRUSADER PARTS MANUALS ; Crusader MP 454XLi L510008 Captain's Choice MP 454XLi SN 101810 thru 103880, MP 7.4 SN 103538 and Above.pdf, Crusader 8.1 2005 L510009 ... Wiring Diagram Crusader 454. Crusader engine parts wiring 454 marine ilrated manual 454xli 502xli harness 305 350 wire for diagram efi perfprotech com 454xl raw water hardin schematics.
Crusader V-8 454 CID/7.4 Litre - Model 454XLI. Throttle Body Fuel Injected Engines. Serial Numbers (92882 to 103848) Alternator Assembly (Mando) Bell Housing Assembly. Crankshaft, Cam and Piston Assembly. Cylinder Block Assembly. Cylinder Head Assembly. Inboard Crusader marine engine parts and breakdowns. ... --Manifolds End Riser/Elbow GM Big Block V8 454 cu.in-Models 454XL, & 502XL. Crusader engines Marine Illustrated Parts Manual - MODEL MP5.0/5.7L SN 670001 thru 671633.pdf 3Mb Download. Crusader engines Marine Illustrated Parts Manual - MODEL MP6.0L 2004-2005 MY.pdf 2.3Mb Download. … Product Detail for Item #: CRUSADER MANUALS : Crusader Part Lookup ... Call to Order !!! Comments: Click Here to open the Crusader Parts lookup ...
Parts; MerCruiser; MerCruiser 7.4L Bravo (Gen. VI) GM 454 V-8 1996-1997 Engine & Stern Drive by All Engine Parts & Diagrams; Find MerCruiser 7.4L Bravo (Gen. VI) GM 454 V-8 1996-1997 Engine & Stern Drive by All Engine Parts & Diagrams Close You have no items in your shopping cart. Search. Search. Part manual for a 1985 crusader 454 model 350 - (separate from engine) General Boat Repair Topics; Boat Trailers looking for a parts manual for a 1985 crusader 454 model 350 in PDF if anyone has it that [PDF] Dps Injection Pump Manual.pdf Online repair service manual for your v8- 454 7.4l X Engine: V8-454 7.4l Make: Chevy Truck Gmc Truck 1985 ... Welcome to the MarineEngine.com Boat Repair and Parts Forum! You can view forums as a guest. Please register or log in to actively participate. In addition to ...
Qty. Distributor Cap (Mallory Distributor) PART # CRUR108001. Fits Crusader 5.7L Carbureted 1999-2004, Model CH350 / 454 CID, Model 350 / 454 CID up to 1987. $73.38. Qty. Oil Filter. PART # CRUR077001. Fits Crusader MP8.1L, MP7.4HO S/N#103696 & up & MP8.2L S/N#103669 & up, Model CM454XL Serial # 88710 and Above, Model CH350 / 454 CID, Model 350 / 454 CID up to 1987, 5.7L Carbureted 1999-2004, MP5.0/5.7L, 454 CID Serial # 69879 and Above.
Stocking thousands of OEM & aftermarket marine parts by top suppliers. Free shipping on orders over $100! ... Parts Diagrams. Crusader. V8 Small Block Engines / 5.0 Liter (305) & 5.7 Liter (350) 5.0 Liter (305) Model CM305XL ; 2002 Thru 2005 Model Years; 2006 Model Year; 2007 & Up Model Years; 5.7 Liter (350) Model CM350XL; Model CM350HT; 1998 thru Early 1999 …
MODEL MP7.4L PARTS MANUAL - 2 CRUSADER MP7.4L Symbols shown throughout parts list are defi ned here or on the bottom of the individual parts list page. AR = As Required OPT = Optional NSS = Not Serviced Separately NA = Not Available SS = Single Station Control DS = Dual Station Control OS = Oversize US = Undersize NS = Not Shown TBD = To Be …
other images like wiring diagram, parts diagram, replacement parts, electrical diagram, repair manuals, engine diagram, engine scheme, wiring harness, fuse box, vacuum diagram, timing belt, timing .crusaderengine-wiring ... Crusader 454 Wiring Diagram Crusader 454 Manual Following is the limited warranty applicable
0 Response to "35 crusader 454 parts diagram"
Post a Comment