39 selector switch wiring diagram
I'm considering replacing the pickups in my HSS guitar with some Alumitones, but before I do, I'd like to check that they're going to work with the rather novel switching arrangement I have wired up in this guitar, especially since I've seen that there area few things you can do with "normal" pickups that these pickups don't support. I've tried emailing Lace themselves, but I haven't had a reply. I can break it down into three parts, comprising of three switches and a five-position superswitch... Voltmeter Selector Switch Wiring Diagram Wire Switch Diagram . In diagram, selector, switch, wiring. Leave a Reply Cancel reply. You must be logged in to post a comment. Previous post Flowchart Microsoft Word. Next post Onion Root Tip Mitosis Lab Drawings. Related Post . Wiring Diagram. 2 Pin Wire Connector Plug .
Wiring diagram for 3 way switch with multiple lights staircase wiring connection using 2 two way swi. 1 million+ stunning free images to use anywhere. Selector switch lighting circuit (comitater). Source: talk.electricianforum.co.uk. Electrical wiring practices and diagrams. Source: wiki.diyfaq.org.uk. In simple light switch wiring, we don't ...
Selector switch wiring diagram
Hey guys, first time posting here, need to ask a complicated question. I'm considering building my first parts guitar project using a jazzmaster as the base. I'm selecting a body that will allow me to use 2 humbuckers (SD distortion in the bridge and a SD 59' in the neck). It will have 1 volume knob and 1 tone knob, and I have a choice of a 3 way or 5 way selector switch (whichever may make this idea easier, idk, you tell me), and of course the rhythm circuit. This was going to just be the ini... Ladder Logic Diagram Example 1 Computer Aided Manufacturing TECH 4/53350 27 Task: Draw a ladder diagram that will cause the output, pilot light PL2, to be on when selector switch SS2 is closed, push button PB4 is closed and limit switch LS3 is open. Home » Tanpa Label » 3 Phase Ammeter Selector Switch Wiring Diagram : Cam Switch Ammeter Voltmeter 3 Poles 20a 4 7 Positions Universal Changeover Rotary Switches Interruptor Ca10 B9 Lw26 Ymw26 Switches Aliexpress -
Selector switch wiring diagram. Hello fellows string torturers! For reference, here is a simple active pickup wiring diagram: [https://www.seymourduncan.com/images/wiring-diagrams/2BO\_3G\_1V.jpg](https://www.seymourduncan.com/images/wiring-diagrams/2BO_3G_1V.jpg) Everything in both power and signal paths seem to be crystal clear here, except that 3-way switch frame grounding connection. Do we ground pickup selector switch's frame to shunt any picked up outside electrical interference by the frame itself to the ground so it... Nov 28, 2018 - A complete guide of ammeter selector switch wiring diagram with current transformers and ammeter. I've built my own Td Strat but cant figure out the soldering. Im new to soldering and followed the pretty simple wiring diagram but its just not working for me. The pickup is magnetized and when I tap it with a screwdriver I hear the popping. But when I go to play theres just no distortion. I have a kemper profiler and no matter which profile I load everything is clean. When I plug in a different guitar everything is loud and distorted as its meant to be. Maybe my volume is just super low I dont... Diagram, perko battery selector switch wiring diagram kawasaki ignition best marine on twin in perko switch wiring diagram, maxresdefault in If you want this picture please proper click on and shop the photograph, thanks for visiting this internet site, we offer numerous options associated with Boat Dual Battery Switch Wiring.
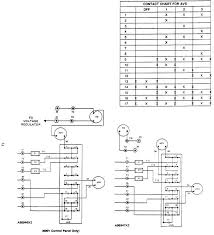
P60 'HIGH-OFF-LOW' Selector Switch P61 Special Function 3-Position Selector Switch R24 D15 4-Pole Control Relay S11 1NO-1NC Starter Auxiliary Contacts. Low Voltage Electrical Wiring Amp Lighting Systems Inspection With GE low voltage switches does is matter which wire you use for on off and common.all wires are white with copper. Like stated, I have a double neck guitar with one pickup for each neck. This one was made by Nlavk Diamond Guitars and was kind of abused, so I am trying to restore it and have to replace all of the electronics because of the poor condition of them. I have a 3 way toggle switch for selecting pickups, a volume knob for each pickup, and a tone knob for each pickup. I would have done a wiring diagram, but the wires were connected all over the place. I was trying to find some resources for this ... I'm trying to wire my current 3-way pickup selector as a killswitch, but I am dumb as a brick when it comes to anything but basic wiring, and am hoping someone smarter can lend me their wisdom. I've got an Ibanez SZ720 with only a Seymour Duncan Blackout in the bridge, wired as such: https://www.seymourduncan.com/images/wiring-diagrams/1BO_1V.jpg and a volume control, everything else is disconnected and I removed the pots/knobs, but I left the 3-way selector toggle switch in place (but disconne... The pollack valve has a wiring diagram but it shows how to wire the six terminal switch. The motorized fuel selector valve is intended to operate in a dual fuel tank refer to attached schematic for electrical wire routing and fuel line connections. The wires were ripped out of the plugs and about 2 of the wiring harness is gone. Ford fuel tank ...
Street light wiring connection . namashkar dosto,is video mai maine street light ka wiring, photocell aur auto manual selector switch ke dwara kaese karte hai uske baare mai explain kiya hu. hello friends, in this video i will show you how to connection 'street lighting panel connection'🌏 my other videos link : 👇👇👇1) f. Wiring Diagram Voltmeter Selector Switch; Lg Q6 Schematic Diagram; What Are The Three Parts Of This Simple Electric Circuit Identify Their Purpose; DISCLAIMER: All wallpapers and backgrounds found here are believed to be in the "public domain". Most of the images displayed are of unknown origin. We do not intend to infringe any legitimate ... Wiring Diagrams and Connectors mBSPTM ABS ECU Wiring Diagram 12 Harness. Off-Road ABS Switch ATC Switch 4 Section 2. Download Automotive Wiring Diagram for Android to this application allows you to deal with a problem on the car electrical circuit including. 1990 Wiring Diagram s This section is so large I made a seperate page for it. Hi guys, I’m gonna rewire my 2016 Gibson SG to have a dedicated kill switch as I use the middle position on my pickup selector quite often and I’m struggling to find a diagram with 2 push/pull pots on volume control, 1 tone and the kill switch wired between the live and ground of the output jack, any help appreciated? Also, not adverse to taking the push pulls out but would need help to understand what wires need taping off etc. Thanks!
5-Way Rotary Pickup Selector Switch. UPS Inverter Wiring Diagram With Auto Manual Changeover Switch System. Guitar Wiring Diagram Archive. Use on Les Pauls and other guitars with 3 Pickups. Inter-lock Normally Closed Normally Open Jog Run A B A B Off. Cable Clearance For 40 AWG Cables. Split knurled shaft for use with. ...
Hi all, This is my first time doing wiring myself. I have an Ibanez GRG121DX that I want to replace the pickups on. The 5 way selector switch has the ability to split the stock humbucker pickups as follows and I'm trying to do the same with the replacements . https://preview.redd.it/hbmlrdaqy4k71.png?width=601&format=png&auto=webp&s=3596b03a7781bfc3ed472b910d5aaff7d38c7c4e The Artec GVH Rock pickups have the following wiring diagram and not much else info. https://preview.redd...
Temperature Control Oven Selector Switch Wiring Diagram Read more. Latest Posts. import switch wallpaper wiring. Import 5 Way Switch Strat Wiring. 14 Nov, 2021 I know how to wire the basic 5 way switch that has the 4 soldering lugs on opposites sides. The downside to this wirin…
Awesome 3 Position Selector Switch Wiring Diagram. A couple weeks after seeing this post as I too was looking for a 3 … Baca selengkapnya 3 Way Selector Switch Symbol. Postingan Terbaru. architectural symbol wallpaper. Architectural Symbol For Electrical Outlet.
Hey there, so I got a strat with the intentions of replacing the bridge pickup with a DiMarzio super distortion rail, but after spending a few months playing with the stock pickups I really like the tone of the bridge pick up and don’t want to replace it. My idea is to squeeze a super distortion in between my middle and bridge pickups, anyone have any experience doing this? For wiring it my idea is to add a toggle switch that when engaged bypasses my 5-way selector and sends the super distortion...
Awesome 3 Position Selector Switch Wiring Diagram. A couple weeks after seeing this post as I too was looking for a 3 position selector I got to looking at an IDEC unit for another job and I downloaded the trial version of their WindLDR V8 and then learned that the download included a free copy of Symbol Factory which has thousands of symbols including graphics for selector switches in up to 5 ...
Dual battery w3 way perko wiring diagram. How to put in a marine dual battery device. Dual Battery Selector Switch Wiring. Three manner switch wiring may additionally seem complicated, but it's in reality now not. Familiarize yourself with the basics right here, so that you're organized to address the task.
I installed an H4 and H4a pick up, h4 is bridge, h4a is neck. I followed the emg diagram very closely, at first I had a hum issue when I touched the strings, so I check the bridge ground, and ground from volume knob….. looks fine to me. Then I checked the out put jack, positive and negative are in the right place, and that’s connected to master tone. Then I saw the selector switch on the diagram for “3 selector switch master tone, and 2 volumes “ was yes different from mine, but …. Wired differe...
So I have really been getting into building pedals and wanted to start building some pedals using the FV-1 chip. I am very new to electronics and schematics and what not and had been having trouble finding a platform that I wanted to develop on. I looked at the Development Board by PedalPCB but they didn't have some things in stock. I found the FV-1 DSP Submodule by Electro-Smith and decided to order it. The first issue I'm running into is figuring out the correct pots and rotary selector I wou...
I recently traded my strat for a mij Ibanez RG570. It came with Dimarzio Evolutions in the neck and bridge. It has 1 push pull pot that does a 10db boost. Id like to change this so that I can instead coil split each Evolution humbucker. Will I need to have 2 push pull pots(1 for each humbucker)? Can I just use the 1 push pull pot and coil split each Evolution humbucker when I switch positions on the selector? How do Evolutions sound when they're coil split? What does a 10db boost do?...
Need some help. I recently upgraded my daughters Audi Q5 Kids Trax from 6V to 24V system. I replaced the Weelye Controller. Everything works as it should but I have lost the ability to go from forward to reverse with the selector on the dash. It is stuck in reverse. I do have forward and reverse when using the remote. I also dismantled and checked the switch and it is working the way it should. Are there Weelye controllers that do not have the forward and reverse input from the selector? ...
Wiring Diagrams are made to be easy to understand and easy to construct. You can locate this manual easy to utilize as well as really affordable. Selector Switch Wiring Diagram Club Car | Wiring Diagram - Club Car Battery Wiring Diagram 36 Volt. You can often depend on Wiring Diagram as an crucial reference that can help you save time and money.
CG- and CH-series cam switches. For details on special or non-standard switches, please contact our local sales office. Switch Wiring Diagrams. POCKETBOOK ...92 pages
My **Logitech G613 Keyboard** is having an issue. I went to use it a couple of days ago when, after turning it on, the keyboard appeared unresponsive, with the Battery LED alternating between Red and Green at about 1/4 second intervals. This seems like an error code to me, but I can't find any information on it, and Logitech support have been less than helpful. I contacted them two days ago, and they're still unable to identify what this alternating light actually means. They told me that they'...
I would like one of the 3-way slider switches on my Squier Mustang to operate as a standard three position pickup selector. Basically it will operate like a tele but utilizing one of the existing pickup switches instead of a blade switch. I can't find any wiring diagrams for this online so I drafted one up and was hoping someone here could please help confirm if this works: https://imgur.com/gallery/sFxsBz9 I really took a guess on the ground wires coming from the pickups. I don't think I need...
Would anyone happen to have, or know how to source the wiring diagram for the Fender MIJ Thinline Special guitar? I want to fix a wiring issue with the selector switch and replace the neck humbucker, but I can’t find a MIJ diagram resource anywhere.
I’ve been building a Stratocaster for the past few weeks and when the moment came to see how it sounds, I plugged it in and nothing came out. Zilch. Volume up, strumming, nothing would make sound come out of the amplifier. I’ve retraced my wiring and everything looks kosher. The issue I think is that I didn’t use a genuine Fender 5-way switch, I ordered a 5-way switch from Solo (https://www.solomusicgear.com/product/solo-pro-5-way-selector-switch/) and it has a different layout from a genuine Fe...
Selector Switches Diagram Video And Selector Switch Product Oveview from www.galco.com If your power goes out, one of the safest and easiest ways to switch power to a portable generator to your electrical panel. Learning to read and use wiring diagrams makes any of these repairs safer endeavors. The following guidelines are for how to install a ...
Good afternoon! I've never replaced pickups on a guitar, and I might be over thinking it but I wanted to confirm before I just start soldering. I purchased this switch for a guitar that I'm rewiring ([https://reverb.com/item/17784067-5-way-rotary-pickup-selector-switch](https://reverb.com/item/17784067-5-way-rotary-pickup-selector-switch)). The wiring diagram I had gotten from Fishman is attached. Does that 4 pole 5 way diagram they send me translate directly to this switch? I think the poles i...
All wiring to be 18 ga or heavier. Download pollak 2 tank wiring diagram is 41 rev b pdf. Pollak valve wiring diagram s. Notes • all F-150 fuel pump assembelys (pump and sender hanger) are awash by wheelbase , and this is important because of breadth and abyss of the tank s on altered models. • 92 Ford F150 Fuel Pump Wiring Diagram.
Can you wire any and all possible guitar electrical configurations? If so, I have a job for you! Well... I definitely need help with this and I'm willing to pay for it. If you can handle it, DM me and let me know. Thanks!!! I've finally started my first build. I decided to have some fun with it and decided to put every tone configuration possible. 104 tones in one guitar! It's just something I want to do. You may think it's stupid, ridiculous and/or unnecessary, but please keep those comments t...
Hello!, I feel smart, yet stupid at the same time! I understand how to wire a phase switch and a series/parallel/split switch, but I don't know how to wire a simple SPDT switch as a pup selector. I have an HHH setup. Each pup is going to have it's own mini toggle to ; up = humbucker on and down = humbucker off. The 3 humbuckers are DiMarzio. DiMarzio is; Red = North Start Black = North Finish Green = South Start White = South Finish Using a SPDT mini toggle switch to turn the humbucker on o...
25 Nov 2020 — A complete guide of ammeter selector installation with ammeter selector switch wiring diagram for 3 phase with current transformer ...
This might be a noob question and I have tried looking at some wiring diagrams, but haven't quite been able to wrap my head around this. On my guitar, I have a stock 2 humbucker, 1 volume, 1 tone set up (EMG-HZ passive pickups). However, I find I rarely use the tone knob and usually just keep it on 10. I would like to change the wiring configuration to allow for each pot to work as an independent volume control for each pickup (as you might find in a guitar with 4 knob set up - minus the tone c...
Ammeter Selector Switch Wiring Diagram For 3 Phase System. In the above ammeter selector switch wiring diagram, all connections have shown how to connect the ammeter with current transformers and how to install an ammeter selector switch. A1 and A2 for the ammeter, R, S, T, are 3 phase supply wires, N is common for all current transformers.
Easy to read wiring diagrams for guitars basses with 2 humbuckers 3-way pickup selector switch. Architectural wiring diagrams take steps the approximate locations and interconnections of receptacles lighting and long-lasting electrical services in a building. House Wiring Diagram Sb2 3 Way Switch 2 Lights Wiring Diagram With Cable With Ground Home Electrical Wiring Electrical Wiring […]
I am looking to put together a partscaster with 2 humbuckers, a 5 way blade switch and A series/parallel master switch. I own a charvel dk 24 with this exact modification and I basically want to copy the circuit in that guitar. So the DPDT switch in my charvel has 12 terminals on it. However a majority of wiring diagrams I can find on the internet such as this one [http://www.1728.org/guitar10.htm](http://www.1728.org/guitar10.htm) show that I can get away with only a 6 terminal switch? does i...
2020-08-23 · Name: 3 position selector switch wiring diagram – position rotary switch as well 3 way rotary switch wiring diagram rh metroagua co; File Type: JPG ...
Hey everyone, just looking for some clarification on a wiring diagram. I've been looking through guitarelectronics.com's diagrams and I'm not sure what I'd be using. My partscaster is essentially a fender boxer strat: >HH with split coil >3 way tele pickup selector >master volume >mini toggle switch for split coil >master tone What exactly is the diagram I'll have to use with the hardware I've got? Thank you for your help!
First post removed as spam, thank you bots... I'm using the EMG J5 kit, active pickups with Volume/Volume/Tone controls. I'm looking to incorporate a 4th pot to control an onboard fuzz, and wondering where and how to wire that in. I've consulted every wiring diagram on EMG's site, and the green section of the buss seems to be exclusively used for a selector switch. And instead of a selector switch, I first considered putting the fuzz here - join the Neck/Bridge signals into the Fuzz input, and...
Pin On Electrical Wiring Diagram. Ring Main Circuit Diagram Electrical Wiring Home Electrical Wiring Circuit Diagram. Pin On Electrica. 18 Electrical Changeover Switch Wiring Diagram Transfer Switch Electrical Circuit Diagram Electricity. Toyota Power Windows Circuit 4 Trailer Light Wiring Electrical Circuit Diagram Electrical Diagram.
Solder a wire from the sleeve of the output jack to the back of the volume control. Easy to read wiring diagrams for guitars basses with 2 humbuckers 3 way pickup selector switch. Solder a wire from tab 3 of stage 1 to tab 1 of the volume pot. Options for north south coil tap series parallel more.
Hi, I have a Schecter SVSS FR with EMG Retroactive 77s. It comes with 2 volume knobs, no tone. I want to wire it so it has 1 volume for both pickups, and potentially move the pickup selector out of the way. Both the pickup switch and bridge volume get in the way of playing. Is this possible and how should I do it? I do know EMG has their wiring diagrams online but I can only find their 1 volume 1 tone diagram. I am not at all experienced in doing electronics (clearly). ​ Thanks in ...
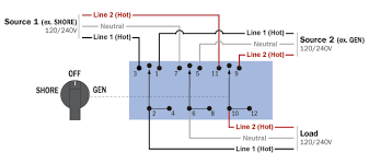
It is very important that wiring be connected according to the diagram. ... Set the Selector switch to OFF, turn the shore power breaker.3 pages
Craftsman tractor wiring diagrams fuse box 99 chevy suburban 2011 chevy traverse fuse box diagram 2008 ford f350 fuse diagram selector switch wiring schematic vstar. Sending unit, everything related to cooling. Years ago i somehow found a site that had all these different wiring diagrams for murray tractors- i printed out every one - i have a ...
Speaker Selector Switch Wiring Diagram How To Connect Speaker with Speaker Selector Switch Wiring Diagram image size 452 X 296 px and to view image details please click the image. In electrical engineering a switch is an electrical component that can break an electrical circuit interrupting the current or diverting it from one conductor to another.
Ezgo Forward Reverse Switch Wiring Diagram. November 9, 2021 · Wiring Diagram. by Anna R. Higginbotham. ezgo forward reverse switch wiring diagram - You will want a comprehensive, expert, and easy to understand Wiring Diagram. With such an illustrative manual, you'll be capable of troubleshoot, avoid, and total your tasks with ease.
Home » Tanpa Label » 3 Phase Ammeter Selector Switch Wiring Diagram : Cam Switch Ammeter Voltmeter 3 Poles 20a 4 7 Positions Universal Changeover Rotary Switches Interruptor Ca10 B9 Lw26 Ymw26 Switches Aliexpress -
Ladder Logic Diagram Example 1 Computer Aided Manufacturing TECH 4/53350 27 Task: Draw a ladder diagram that will cause the output, pilot light PL2, to be on when selector switch SS2 is closed, push button PB4 is closed and limit switch LS3 is open.





0 Response to "39 selector switch wiring diagram"
Post a Comment