Iklan 300x250

38 toyota tundra brake controller wiring diagram

The tekonsha wiring adapter # 3017-p will work with your 9-pin connector on your 2015 toyota tundra. Discount prices on toyota tundra hitch wiring at america's leading site.

CURT Venturer Electric Brake Controller & Wiring Kit for Toyota Tacoma, Tundra - 51456 & 51110 in Brake Controls.

One-Pieces, Overalls & Jum… Uniforms. Clothing Sets

Toyota tundra brake controller wiring diagram

Toyota tundra brake controller wiring diagram

Find many great new & used options and get the best deals for CURT Venturer Electric Brake Controller & Wiring Kit for Toyota Tacoma, Tundra at the best online prices at eBay! Free shipping for many products!

Need a schematic of rear brake shoe assembly for 2002 tracker posted by anonymous on apr 21 2013. Need Diagram To Replace Chevy 2002 Tracker Rear Shoes And Springs. Repair Guides Engine Mechanical Components Intake Manifold 2. Chevy Tracker Drum Brake Diagram Trop Ddnss De. Montana Van Fuse Box Wiring Diagram Database.

Toyota Tundra accessories and parts from Curt. Expert accessories and parts advice with thousands of helpful questions and answers. Curt reviews from

Toyota tundra brake controller wiring diagram.

This integrated circuit component allows the TriFlex to detect every motion of your vehicle and trailer with exact precision and to then apply the perfect amount of braking power for every situation.

[ATTACH] New factory brake controller with bezel SOLD $200 shipped Paypal as a gift only. Price is firm [ATTACH] [ATTACH] [ATTACH] [ATTACH] SOLD

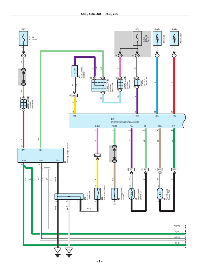
Toyota Tundra Brake Controller Wiring Diagram.Some toyota tundra wiring diagrams are above the page. The skid control ecu incorporates an open circuit detection circuit.

Click for more info and reviews of this Tekonsha Trailer Brake Controller:https://www.etrailer.com/Trailer-Brake-Controller/Tekonsha/90195.htmlCheck out some...

Engine Cooling Fan Controller. ROOM, TRANSMISSION, DOOR. 2020 Toyota Tundra. Genuine Toyota Part - 89257K0010 (89257-K0010, 8925712010)

I recently bought a used 2010 Tundra to pull my travel trailer. Before I got rid of the FJ, I took the brake controller out and need to put it in the Tundra. However, the truck did not come with the harness. Does anybody know the part number so I can get one ordered? TIA

Click for more info and reviews of this Tekonsha Trailer Brake Controller:https://www.etrailer.com/Trailer-Brake-Controller/Tekonsha/39510.htmlCheck out some...

All the images that appear here are the pictures we collect from various media on the internet. If there is a pictures that violates the rules or you want to give criticism and suggestions about Brake Controller Wiring Diagram For Toyota Tundra please contact us on Contact Us page. Thanks.

It shows the components of the circuit as simplified shapes and the power and signal contacts with the devices. Black is hot lost with rest. Universal Installation Kit For Trailer Brake Controller 7 Way Rv

Learn from my mistake! I wired in a Tekonsha Envoy brake controller this weekend using the Toyota supplied wiring pigtail. Hooked it all up, mounted it, and it didn't work. Checked all connections and splices. Took it to a trailer service center and turned out to be a simple blown fuse. (30A...

Did you know that the brake controller wiring harness for the 2015 Tundra is brand new? I work for Associated Products, we are the primary supplier of Tekonsha Brake Controllers and Harnesses for Toyota dealerships. We are in the final steps of adding these items to the program. We anticipate...

21 posts related to 2013 Toyota Tundra Brake Controller Wiring Diagram. 2015 Toyota Tundra Brake Controller Wiring Diagram. 2011 Toyota Tundra Brake Controller Wiring Diagram

Tundra OEM wire harness to Prodigy Brake Controller | Toyota ...

Tundra oem wire harness to prodigy brake controller | toyota ...

Has anyone installed a brake controller on their Tundra?? I installed one over the weekend. All went well up until I needed to hook to the brake light switch. The controller manufacturer says to use the Green w/ white stripe off the brake switch. This is most definately wrong since this wire...

Universal Installation Kit for Trailer Brake Controller - 7 ...

Universal installation kit for trailer brake controller - 7 ...

Brake controller installation on 2011 toyota tundra etrailer com hopkins plug in simple vehicle wiring harness for factory tow package 7 way and 4 flat connectors custom fit hm11143395 universal kit trailer rv 10 gauge wires accessories parts etbc7 adapter a 2018 tacoma with 2007 owners have any of you successfully installed p3 forum oem wire to prodigy… Read More »

2002 Toyota Tundra (without Tow Package) Brake Controller ...

2002 toyota tundra (without tow package) brake controller ...

I have the stock wiring harness for a 2003 Toyota Tundra for the brake controller. 8 Toyota Tundra Brake Controller Wiring Diagram Design Racing4mnd Org.

Brake Controller Installation on 2011 Toyota Tundra ...

Brake controller installation on 2011 toyota tundra ...

Toyota Tundra Trailer Brake Controller Wiring Database. Toyota Tundra Trailer Brake Controller Wiring Database. Toyota Tundra Trailer Brake Controller Wiring Toyota Tundra Trailer Brake Controller Wiring from i.pinimg.com Source: images.etrailer.com Source: images-na.ssl-images-amazon.com Source: tnstatic.net Source: static.cargurus.com Source: www.rvpartscenter.com Source: i.ytimg.com Source ...

2002 Toyota Tundra (without Tow Package) Brake Controller ...

2002 toyota tundra (without tow package) brake controller ...

Print the wiring diagram off plus use highlighters to trace the signal. When you make use of your finger or perhaps the actual circuit with your eyes, it is easy to mistrace the circuit. 1 trick that We 2 to printing a similar wiring plan off twice.

Brake Control Connection | Toyota Nation Forum

Brake control connection | toyota nation forum

Toyota Tundra Trailer Brake Wiring Diagram - A wiring diagram is actually a simplified conventional pictorial depiction of the electric circuit, having its wires and contacts represented as dots. It represents the electric powered circuits parts as simple shapes, using the real power and terrain contacts between the two as colored sectors. In electrical engineering, a Toyota Tundra Trailer ...

TEKONSHA P3 BRAKE CONTROL + WIRING HARNESS FOR TOYOTA 4RUNNER, LANDCRUISER,  SEQUOIA, TUNDRA TACOMA & LEXUS LX570 GX460 LX470 GX470. CONTROLLER + ...

Tekonsha p3 brake control + wiring harness for toyota 4runner, landcruiser, sequoia, tundra tacoma & lexus lx570 gx460 lx470 gx470. controller + ...

Trailer Brake Controller Wiring Diagram Toyota Tundra. Trailer Brake Controller Wiring Diagram Toyota Tundra from static-resources.imageservice.cloud

2007-2010 Toyota Tundra Electrical Wiring Diagrams | PDF ...

2007-2010 toyota tundra electrical wiring diagrams | pdf ...

Effectively read a cabling diagram, one offers to learn how the components in the program operate. For example , if a module is usually powered up also it sends out a new signal of 50 percent the voltage plus the technician would not know this, he'd think he provides a problem, as he would expect a 12V signal.

Brake Controller Install? | IH8MUD Forum

Brake controller install? | ih8mud forum

Primus 90160 Trailer Brake Controller For 2015-2016 Toyota ...

Primus 90160 trailer brake controller for 2015-2016 toyota ...

2007-2013 Toyota Tundra brake controller installation. No harness

2007-2013 toyota tundra brake controller installation. no harness

2018 Tundra with 4.6 engine trailer brake install | Toyota ...

2018 tundra with 4.6 engine trailer brake install | toyota ...

Tekonsha Trailer Brake Controller Harness, Compatible with Select Toyota  Tacoma, Tundra

Tekonsha trailer brake controller harness, compatible with select toyota tacoma, tundra

Brake controller wiring harness for 2000-2002 Tundra ...

Brake controller wiring harness for 2000-2002 tundra ...

Brake Controller Wiring Adapter for a 2015 Toyota Tacoma with ...

Brake controller wiring adapter for a 2015 toyota tacoma with ...

2002 Toyota Tundra (without Tow Package) Brake Controller ...

2002 toyota tundra (without tow package) brake controller ...

Details about NEW OEM TOYOTA TUNDRA 2015-2017 TRAILER BRAKE CONTROLLER &  DASH BEZEL

Details about new oem toyota tundra 2015-2017 trailer brake controller & dash bezel

2018+ Owners: Have any of you successfully installed a P3 ...

2018+ owners: have any of you successfully installed a p3 ...

CURT 51455 Quick Plug Electric Trailer Brake Controller Wiring Harness,  Select Toyota Tacoma, Tundra , Black

Curt 51455 quick plug electric trailer brake controller wiring harness, select toyota tacoma, tundra , black

Trailer Brake Controller Installation - 2007 Toyota Tundra

Trailer brake controller installation - 2007 toyota tundra

2002 Toyota Tundra (without Tow Package) Brake Controller ...

2002 toyota tundra (without tow package) brake controller ...

Trailer Brake Controller Harness (Packaged) SKU #51363 for ...

Trailer brake controller harness (packaged) sku #51363 for ...

Hidden Trailer Brake Controller install (pics) | Tacoma World

Hidden trailer brake controller install (pics) | tacoma world

Trailer Brake Controller Connector | IH8MUD Forum

Trailer brake controller connector | ih8mud forum

Brake Control Reliance | U-Haul

Brake control reliance | u-haul

2018 Tundra Brake contoler plug | Toyota Tundra Forums

2018 tundra brake contoler plug | toyota tundra forums

Trailer Brake Control for 16-20 Toyota Tacoma 15-20 Tundra ...

Trailer brake control for 16-20 toyota tacoma 15-20 tundra ...

Tundra Brake Controller Wiring Harness Adapter Installation. 7 Pin  Pre-Wired How To

Tundra brake controller wiring harness adapter installation. 7 pin pre-wired how to

Trailer Brake Control for 03-14 Toyota Tundra w/ Plug Play ...

Trailer brake control for 03-14 toyota tundra w/ plug play ...

CURT TriFlex Brake Controller & Wiring Kit for Toyota Tacoma, Tundra -  51455 & 51140

Curt triflex brake controller & wiring kit for toyota tacoma, tundra - 51455 & 51140

2018 Tundra with 4.6 engine trailer brake install | Toyota ...

2018 tundra with 4.6 engine trailer brake install | toyota ...

2002 Toyota Tundra (without Tow Package) Brake Controller ...

2002 toyota tundra (without tow package) brake controller ...

Toyota Tundra brake controller - YouTube

Toyota tundra brake controller - youtube

2015 Toyota Tundra Brake Controller | etrailer.com

2015 toyota tundra brake controller | etrailer.com

2007-2010 Toyota Tundra Electrical Wiring Diagrams | PDF ...

2007-2010 toyota tundra electrical wiring diagrams | pdf ...

Tundra 2015 Brake Controler Harness | Web3us LLC

Tundra 2015 brake controler harness | web3us llc

Trailer Brake Controller Connector | IH8MUD Forum

Trailer brake controller connector | ih8mud forum

0 Response to "38 toyota tundra brake controller wiring diagram"

Post a Comment

Iklan Atas Artikel

Iklan Tengah Artikel 1

Iklan Tengah Artikel 2

Iklan Bawah Artikel