38 husqvarna 125b carburetor diagram
Husqvarna 125BV gas leaf blower parts - manufacturer-approved parts for a proper fit every time! We also have installation guides, diagrams and manuals to help you along the way! Narrow your search down by symptom and read the amazing step by step instructions and troubleshooting tips for Husqvarna model 125BV from do-it-yourselfers just like you. We have use and care manuals for Husqvarna model 125BV and our expert installation videos for Husqvarna model 125BV below will help make your repair very easy. Husqvarna 125BV.
Husqvarna is dedicated to serving our customers to the best of our ability. If you are inquiring about an issue with your Husqvarna product, please have your model number, serial number and purchase date ready when speaking to a customer service representative. Phone. (800) 805-5523. Wish list.

Husqvarna 125b carburetor diagram
Product description. Delivering high air power, the Husqvarna 125B handheld leaf blower is ready for your next yard maintenance task. With its specially engineered fan and lightweight frame, the blower is designed to minimize stress while delivering enormous wind power. It also features a cruise-control function that maintains a constant fan ... 125B, 125BX, 125BVX EN Operator's manual 6-15 ES-MX Manual del usuario 16-26 FR-CA Manuel d'utilisation 27-37 125B28HV 1 How To Replace Fuel Lines On Husqvarna 125B. 1.1 Step 1: Clean The Area. 1.2 Step 2: Slide Off The Air Filter And Open Up The Blower Side Parts. 1.3 Step 3: Lift The Recoil And Rest Piece Then Unscrew The Carburetor. 1.4 Step 4: Put Choke Lever In Choke Position And Take The Trigger Linkage. 1.5 Step 5: Remove The Fuel Pipes From The Carburetor.
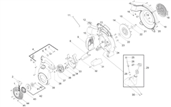
Husqvarna 125b carburetor diagram. 545103477 5/07/12 Replaces 545103477 - 3/10/11 Page: PARTS LIST HVA 125B (US-Lowes) 3 Parts List No. Date MODEL NOTE : Illustration may differ from actual model due to design changes. = New Part Number For This IPL 1. 545140201 Assy - Tube - Upper Blower w/barrier View and Download Husqvarna 125B operator's manual online. Leaf Blowers. 125B blower pdf manual download. Also for: 125bv x-series, 125bx series, 125bvx series. Husqvarna Leaf Blower Model 125BV Parts. Husqvarna Leaf Blower Model 125BV Parts are easily labeled on this page to help you find the correct component for your repair. Filter results by category, title and symptom. You can also view diagrams and manuals, review common problems that may help answer your questions, watch related videos, read insightful articles or use our repair help guide to ... ZAMA C1Q-W37 Carburetor For Husqvarna 125B 125BX 125BVX Leaf Blower Trimmer OEM# 545 08 18-11. US$ 11.38 US$ 14.22. 21:09:47. Customized Requirements. Stock ( 9999952 ) Add to Cart. Estimate Shipping Cost. Adding to cart succeed. ZAMA C1Q-W37 Carburetor For Husqvarna 125B 125BX 125BVX Leaf Blower Trimmer OEM# 545 08 18-11.
Answered escalated. I just bought a 125B blower to replace a blower that had given 10+ years of service. This was purchased at Lowe's so it came home in a box, no initial 'set-up' provided. After quick assembly and fueling, the unit started instantly. But it would not accerate. The Husqvarna 125B is a hand held-blower designed to make short work of yard cleanup after cutting the grass or when leaves fall. Featuring a 2-cycle engine for power, the 125B is set at the ... Bring a Husqvarna 125B back to life. With Fuel Line diagram, Carb Adjustment screw settings, part numbers and helpful tips. Reference videos below explain ce... Find many great new & used options and get the best deals for OEM Husqvarna 125b 125bx 125bvx Blower Carburetor 545081811 590460102 at the best online prices at eBay! Free shipping for many products!
Husqvarna repair parts and parts diagrams for Husqvarna 125BT - Husqvarna Backpack Blower Order Status Customer Support 512-288-4355 My Account Login to your PartsTree.com to view your saved list of equipment. Husqvarna 125B Gas Blower: diagram/ description to run fuel lines - Answered by a verified Technician We use cookies to give you the best possible experience on our website. By continuing to use this site you consent to the use of cookies on your device as described in our cookie policy unless you have disabled them. Husqvarna 125 R (1991-11) Carburetor Parts Exploded View parts lookup by model. Complete exploded views of all the major manufacturers. It is EASY and FREE Use our part lists, interactive diagrams, accessories and expert repair advice to make your repairs easy. 877-346-4814. Departments ... Accessories for the Husqvarna 125B. Questions & Answers. ... The fuel line will run from the tank to the purge bulb and to the carburetor. Cut the fuel line to the length you need.
Husqvarna 125B Gas Blower: diagram/ description to run fuel lines Husqvarna 125B Gas Blower. I need a picture (service Manual) or a detailed discription of how I run the new fuel lines i bought.
Hipa C1Q-W37 Carburetor with Fuel Line Hose Filter for Husqvarna 125B 125BX 125BVX Leaf Blower. 4.4 out of 5 stars. 150. $16.48. $16. . 48. Get it as soon as Mon, Nov 15. FREE Shipping on orders over $25 shipped by Amazon.
Find the cheap Husqvarna 125b Parts Diagram, Find the best Husqvarna 125b Parts Diagram deals, Sourcing the right Husqvarna 125b Parts Diagram supplier can be time-consuming and difficult. Buying Request Hub makes it simple, with just a few steps: post a Buying Request and when it's approved, suppliers on our site can quote.
Questions & Answers for the Husqvarna 545081811 Ask us about the Husqvarna 545081811 Carburetor Assembly (Use 590460102). Please no repair questions. Your Q&A may be posted to Jackssmallengines.com to help other shoppers, like you, with their purchasing decisions.
Carbhub Carburetor for Husqvarna 125B 125BVX 125BX Leaf Blower Trimmer Replaces Zama C1Q-W37 Carb with Fuel Line Kit 4.5 out of 5 stars 148 1 offer from $13.99
http://johndeere214.com/http://4strokerebuild.blogspot.com/#briggsandstratton #realmanskills #smallenginerepairSBLG43 does not guarantee against unauthorized...
Husqvarna repair parts and parts diagrams for Husqvarna 125B - Husqvarna Handheld Blower Order Status Customer Support 512-288-4355 My Account Login to your PartsTree.com to view your saved list of equipment.
Troubleshooting Husqvarna Leaf Blower Carburetor Problems . Above all the problems, you get a common solution of reassembling the carburetor. It is important to clean the carb and fix the problem issues. Now learn the tips and technics of Husqvarna 125b carburetor restoration. Step 1: Remove The Air Filter And Throttle
Hi guys gotta Husqvarna 125 Blower nice bit of kit. I have had it like 3 months from new and its hard to start sometimes it bogs down and smokes alittle. Classic sings of running too rich so normaly I would adjust the Hi Low Screws which I do frequantly on all my machines usally with great sucses...
It is exactly as I described --determine which line extends into tank with fuel filter at the end, attach this line to bottom fuel line barb on carb (choke lever side of carb. Then fuel line from top of carb attaches to the short (vaccum) hose barb on primer bulb. Then fuel line from long barb on primer goes back into tank.
Husqvarna 125b blower carburetor and fuel lines sblg43. They were yellow one. How to replace fuel lines on two cycletwo stroke engines duration. Husqvarna engine diagram wiring diagrams control husqvarna 128djx 966712501 2011 01 parts diagrams husqvarna 125b parts diagram husqvarna engine diagram. I watched a few youtube videos. ...
1 How To Replace Fuel Lines On Husqvarna 125B. 1.1 Step 1: Clean The Area. 1.2 Step 2: Slide Off The Air Filter And Open Up The Blower Side Parts. 1.3 Step 3: Lift The Recoil And Rest Piece Then Unscrew The Carburetor. 1.4 Step 4: Put Choke Lever In Choke Position And Take The Trigger Linkage. 1.5 Step 5: Remove The Fuel Pipes From The Carburetor.
125B, 125BX, 125BVX EN Operator's manual 6-15 ES-MX Manual del usuario 16-26 FR-CA Manuel d'utilisation 27-37 125B28HV
Product description. Delivering high air power, the Husqvarna 125B handheld leaf blower is ready for your next yard maintenance task. With its specially engineered fan and lightweight frame, the blower is designed to minimize stress while delivering enormous wind power. It also features a cruise-control function that maintains a constant fan ...
0 Response to "38 husqvarna 125b carburetor diagram"
Post a Comment