37 ranch king mower parts diagram
#14 riding lawn mower parting out mtd ranch king rider - $1 (benton ridge/findlay) (mower # 14) parting out a mtd ranch king riding mower all parts are $10.00 ea.except those with prices, dr. belt guard bracket,idler pulley with bracket,engine pulley,front tires and rims,gas tank with lid, f/r shifter cover, muffler heat shield, , front axle ass'y. with spindles $25.00 ,dash ass'y with all the ...
if ordering parts from a manual downloaded at this site, the customer is responsible for selecting the correct manual and parts. no refunds will be made for shipping and handling charges. the customer is responsible for return shipping costs for parts returned for credit.
Kohler CV16 Mower Starter Parts Tecumseh Carburetor Kit Briggs and Stratton Fuel Pump Kohler Fuel Pump Fuel Pump Kawasaki Gravely 00297100 Muffler Ranch King 618-3129 Quill Cub Cadet 618-04123 Spindle Cub Cadet 618-04124A Spindle

Ranch king mower parts diagram
Ranch King 46" Garden Tractor - NO ENGINE - $175 (Union Grove) Ranch King 46" Garden Tractor - NO ENGINE - Deck in good condition; Hydro transmission works; all parts except the engine. If you have a motor (was a 22HP Briggs) you could use the mower or it would be great for extra parts. Asking $175 OBO. Please call or text 262-nine nine four ...
So I thought I would be able to squeeze out one quick mow with this thing, and this happens....Ughhh! Its going to cost a lot of money to fix what stupid did...
MTD parts and MTD parts diagrams MTD and the MTD logo ® MTD Products Inc, Cleve., OH USA. MTD outdoor power equipment has earned a reputation of affordable quality. We carry the complete line of genuine MTD parts for all MTD machines including lawnmowers, snowblowers, trimmers, tractors and more.
Ranch king mower parts diagram.
How do I adjust my mower deck on my ranch king M/13as678h205 for a more even cut? Click the diagram where you think your part is located Electrical Intek Twin parts for Ranch King Lawn Tractor 13ASH / from AppliancePartsPros. Request a wiring diagram from Ranch King. Jul 04, | Garden · 1 Answer.
ranch king structural warranty: ranch king manufacturer structural warranty. dexter axle warranty: 5 year manufacturer warranty for sprung axles and 10 year torsion lippert axle warranty: 6 year manufacturer warranty for sprung axles and 11 year for torsion lionshead tire warranty ranch king trailers are equipped with lionshead radial tires and have the "no excuses guaranteed!"
Manuals & Diagrams. Towing Capacity - Riding Mower. Towing Capacity - Riding Mower. 56637 Views • May 6, 2019 • FAQ. Engine Service & Support - Technical, Parts, Manuals and Warranty. Engine Service & Support - Technical, Parts, Manuals and Warranty.
Your model number is required to find your mower owner's manual. A serial number will get you an exact match. We can also help you How to find your model number if you're not sure where to look.
Free Shipping with This Logo Call Us at 888-237-9060. About Us Contact Us Help Login / Register. Ag Manufactures. Befco; Buhler Farm King; Bush Hog. Bush Hog Finishing/Grooming Mower Parts
i have a M T D Ranch King 18 horse 46"cut 14 speed mower model#149-812-205 MFG.dateE309D serial#D364530 I got it running and put new belts on it I would like a diagram of the tactor so I could see if I have the belts on right there were no belts on when I got the mower
Ranch King repair parts and parts diagrams for Ranch King 145Q849H205 - Ranch King Garden Tractor (1995) COVID-19 UPDATE: Call Center OPEN (from home) and Warehouse SHIPPING to all 50 states (with some USPS/UPS/FedEx delays) Learn more > Order Status Customer Support 512-288-4355 My Account.
Parts list for Farm King Finish Mower models Y450R, Y550R, Y650R, Y750R, F450R, F550R, F650R, F750R We have in stock parts for Buhler Farm King Finishing Mowers. Over the years Farm King varied the sizes of many parts like pulleys, spindles, belts, blades, and wheel assemblies on each of it's models.
Mtd 13a 328 129 1999 parts diagram for wiring yard man ranch king 136 504 205 basic tractor wire most b s engines rewire machine lt 42a707 lawn tractors beetle 310 600 enhanced my 13785 8 604 h ignition forum Mtd 13a 328 129 1999 Parts Diagram For Wire Mtd 13an795s001 2017 Parts Diagram […]
We have all parts in stock and 99.8% of all orders are shipped the same day you place your order. To make sure you get the best service and highest quality parts please buy from DiscountOnlineParts. After-market OEM Quality Deck Rebuild Kit for 46″ MTD, Lawn Chief, Ranch King, White, Troy-Bilt, Yardman, and Yard Machine riding lawn mowers.
Swisher RK1360 mower attachment parts - manufacturer-approved parts for a proper fit every time! We also have installation guides, diagrams and manuals to help you along the way!
Need new/used complete 46" deck assembly (shell with pulley system) for MTD-Ranch King Model 14A5852H206. nan tilley. need hood for ranch king model#133k679g206. Arlin. I need the belt size for a ranch king lawn mower. THE SERIAL # IS 2J275C20121 tHE MODEL IS 136M75G205. 42 INCH CUT 14.5 HORSEPOWER 7 SPEED.THANKS.
ranch king owner's manual 17 HP 42″ lawn tractor [wrp asin="B0184BQF7I"] More Info & Customer Reviews [wrp asin="B0184BQF7I"] More Ranch King Lawn Tractor Products ... By Lawn Tractor Parts Posted in Ranch King. Posted on July 22, 2016 July 22, 2016. ... KU08-V7 Exact FIT SEAT Cover for KUBOTA MOWERS. ZD321, ZD323, ZD326, ZD331 ...
Swisher T844CH mower attachment parts - manufacturer-approved parts for a proper fit every time! We also have installation guides, diagrams and manuals to help you along the way!
MB Ranch King automated fish feeders easily mount to a dock or pond bank and feature the time tested eliminator spinning plate and timer. And because quality is the name of our game you can be sure our spinner plates keep away unwanted varmints and the galvanized hopper eliminates sweating. This means less time and effort for you and more ...
RFM-72 Parts Diagram. You have no items in your shopping cart. Home page; Parts
If you do not see the MTD Lawn Mower Parts you need, ... How to Find MTD Model Number. MTD Illustrated Parts Diagrams. MTD : WALK BEHIND: 11A-020B006: Parts List: Engine Breakdown. 2011: MTD : WALK BEHIND: 11A-022B700: Parts List . 2003: MTD : WALK BEHIND: 11A-08JC006 ...
Need parts for your model 13AF618G705 - Ranch King Lawn Tractor? We have the OEM parts that you're looking for! Parts orders over $50 ship free. All orders placed before 5 pm ship next day.
To buy engine parts for your Ranch King, like an air filter, oil filter, fuel filter, spark plug, tune-up kit, or carburetor parts, you will likely need to search separately on PartsTree for your engine model.On Ranch King equipment, the engine model and specification ("spec") numbers, as well as serial number and sometimes type and code, are often stamped above the muffler, by the spark plug ...
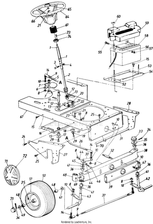
Ranch King 1986 Models Exploded View parts lookup by model. Complete exploded views of all the major manufacturers. ... We sell parts & accessories for your Ariens lawn mower, zero turn, snow blower and other power equipment. ... Ranch King 1986 Models Parts Diagrams 13513C (1986) 13514C (1986) 13517C (1986) 13618C (1986) 13648C (1986)
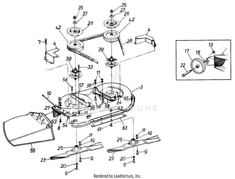
MTD Ranch King Mdl 130-670G205 42" Side Discharge Mowing Deck Exploded View parts lookup by model. Complete exploded views of all the major manufacturers. It is EASY and FREE
Ranch King Riding Mowers parts with OEM Ranch King parts diagrams to find Ranch King Riding Mowers repair parts quickly and easily. The Right Parts, Shipped Fast! Order Status; Customer Support; 512-288-4355; My Account; Order Status. Customer Support. 512-288-4355. My Account.
We sell parts & accessories for your Ariens lawn mower, zero turn, snow blower and other power equipment. ... MTD Ranch King Parts Diagrams 11-Push Walk-Behind Mowers. 12-Self-Propelled Walk-Behind Mowers. 13-Lawn Tractors. 14-Garden Tractors. 21-Tillers. 24-Chipper-Shredder & Vacs.
0 Response to "37 ranch king mower parts diagram"
Post a Comment