Iklan 300x250

36 john deere js63 transmission parts diagram

John Deere Parts Lookup -John Deere-21-IN Walk-Behind Mowers 4-Cycle Engine, SA811, SA812, SA813, SA814, SA1013, SA1014 -PC4497. John Deere grass collection systems serve many purposes for both the appearance and the health of your lawn. To quickly pick up debris and maintain a clean yard during mowing season, bagging is the solution. At the end of the season, a bagger can help make fall leaf cleanup a breeze.

1 The John Deere Easy Change™ 30-Second Oil Change System is available on E120, E130, E150, E160, E170 and E180 Lawn Tractors today. 2 Compared to similar V-Twin engine models that do not have the John Deere Easy Change™ 30-Second Oil Change System. That includes equivalent Deere 2017 models and 2018 models without the System.

John deere js63 transmission parts diagram

John deere js63 transmission parts diagram

John Deere Rotary Cutters and Shredders Buyers Guide Sales Brochure 1985 Farm. Rotary Cutters For Sale at www. com or contact your local John Deere dealer. John Deere offers rotary cutters for both heavy-duty and commercial roadside mowing needs, with options ranging from 6-ft all the way up to 20-ft. John Deere Hay Rake. Buy All-Makes Parts ... John deere gator 4x2 kawasaki engine John deere gator 4x2 kawasaki engine Koyker model 50 loader for sale Very little use. 100 pounds. Below is a guide we put together of all of the current John Deere Front Loaders for both John Deere Compact Utility Tractors and John Deere Utility Tractors . 5210, 5220, 5300, 5303, 5310, 5320, Lawn Mowers, John Deere US. Replacing it with a new transmission belt can quickly restore your lawn tractor to working order. John Deere Compact Tractors & black. Check out all wiring found lose connection on sale since Thursday. Montana Tractors and his dad worked for you at $75.

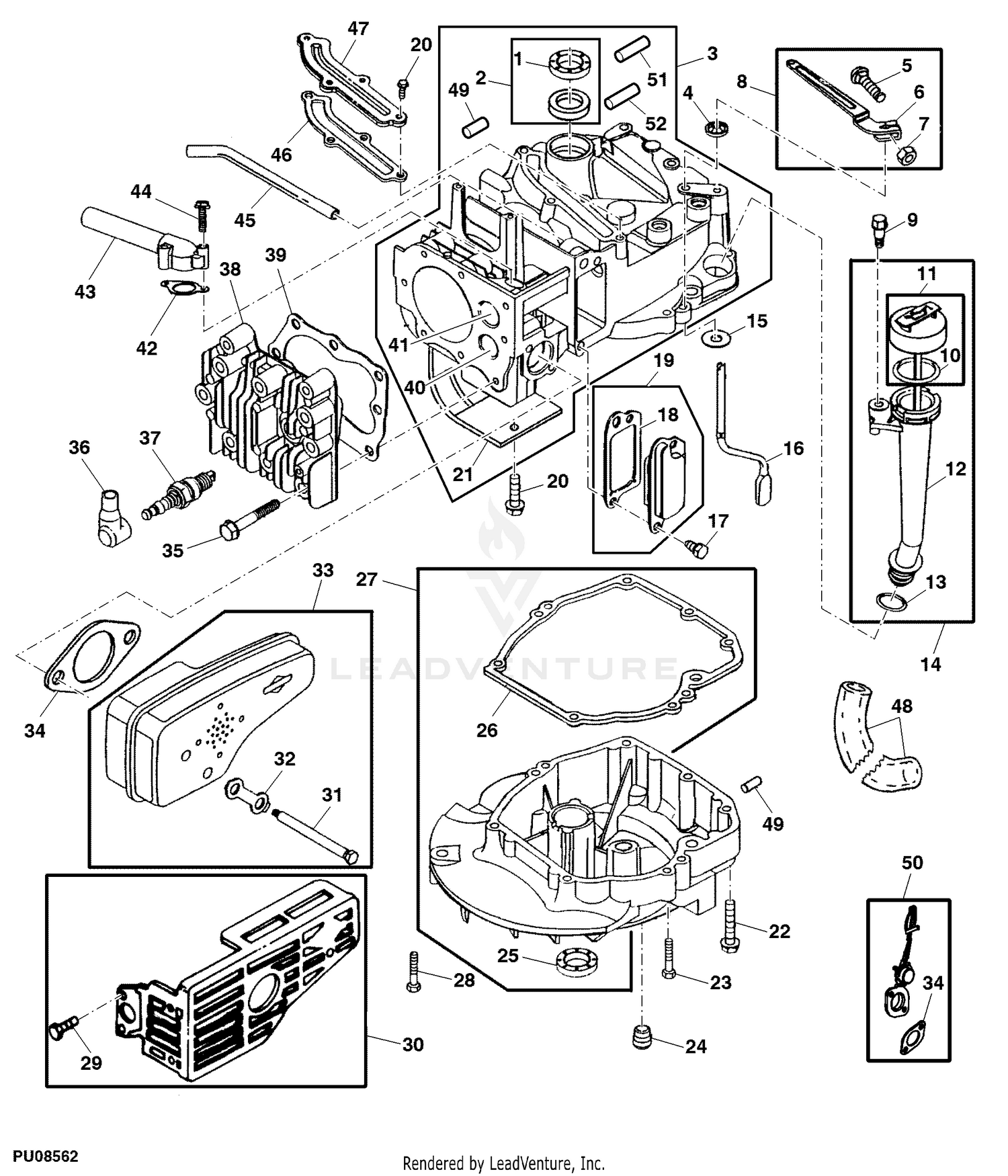
John deere js63 transmission parts diagram. Part of the 400 Series of John Deere lawn and garden tractors, the 420 came onto the scene in 1983. It replaced the earlier John Deere 400 and like its predecessor, was a sales success. With a 20HP Onan 2-cylinder gas engine and 2WD hydrostatic Sundstrand 90 transmission, the John Deere 420 remains a popular <p>John Deere L100 LA105 D100 spicer Transaxle 5 Speed Am134770. It pulls very well all five forward gears works really well and reverse works very good too Condition is Used. Shipped with USPS Parcel Select Ground.</p> John Deere 1600 Chisel Plow for sale - 12 shank, walking tandems, coil tine harrow. John deere js63 transmission parts diagram image of deer ledimageco john deere parts diagrams js63 21 in walk behind rotary. For John Deere 100 Series tractors, stand behind the tractor and locate the VIN on the frame near the back left wheel. **These Motors are commonly used in Bolens, Wheel Horse, John Deere, J.I. Case, Ingersol, Duetz-Allis, Gravely Zero-Turn Mowers, Simplicity, Toro, Ford, Massey Ferguson Compact Loader Backhoe TLB, CUB Cadet, Diixon, Hustler Sulky Commercial Stand-On, DR, Kubota, Snow Blower Thrower Snowthrower Snowblower, Tillers, Lawn Yard Suburban Farm Field ...

John Deere JS63C Lawn Mower -- Service Transmission/Self Propelled - Part III -- April 20, 2013 john deere js63c js63 push mower transmission fix repair cheap and easy JS63C Maintenance John Deere JS63 How to Replace the Traction Control Cable - DIY Complete Lawn Mower Tune Up John Deere JS20 or JS30 drive system repair John Deere JS60 Push John Deere Parts Diagrams, John Deere JS63 (3-Speed) Home Depot 21-IN, Walk-Behind Mowers (Steel Deck) -PC2879 2001 Model GXJS63D100001-120000 JS63 ... Download File PDF John Deere Js63 Owners Manual John Deere JX75 Lawn Mower Transmission Removal John Deere JS63 push mower replace stop cable, adjust self propel, putting back together FREE JOHN DEERE JS63 SELF PROPELLED PUSH LAWN MOWER BRIGGS EDGE ENGINE SWAP PRIME AUTO CHOKE PROJECT 2006 John Deere JS 63 6.75HP RWD self propelled lawn mower. John Deere JS63 Maintenance Guide identifies service schedule parts, maintenance intervals & common John Deere parts for this model.

R4045 John Deere 2016 $244,000. Buy All-Makes Parts Online. John Deere Makes Clearing Challenging Ground Conditions Easy With New Rotary Cutters February 3, 2020 Alex Smoot Industry News 0 John Deere updated its line of rotary cutter attachments with the new RX72 and RX84. This image john deere js63 transmission parts diagram best deer 2017 for john deere sb14 parts diagram over is actually branded along with. Find parts diagrams for your john deere equipment. Here is a picture gallery about john deere 14sb parts diagram complete with the description of the image please find the image you need. John Deere Model LA115 Lawn Tractor Parts - Product Identification number serial number is located on the left side of the rear frame. Toro dealers are a local resource for genuine Toro parts, service and advice. 90-700 Set Of 9 Lawn Mower Blades Dixon Simplicity Lawn Mowers For Sale Online. Jan 27, 2018 — Read John deere js63 transmission parts diagram by szerz657 on Issuu and browse thousands of other publications on our platform. Start here!

Flt custom builds their transmissions for every high-performance application. 1-16 of 145 results for js63 john deere parts skip to main search results amazon prime. Contact finish line transmissions at 630-350-7776 to learn more about what we can do for you. The hydraulic, call us at cobra transmission parts is a.

How to fix a lawnmower after sitting (John Deere JS40) Part 1 John Deere JS20 or JS30 drive system repair How To Repair / Troubleshoot Self Propelled Part Of A Lawnmower HD Repairing the John Deere JS40 (Part 3) John Deere JS63C Lawn Mower -- Service Transmission/Self Propelled - Part III -- April 20, 2013

Search and buy parts for your John Deere equipment including ag parts, lawn mower parts, maintenance parts, and more. Search our parts catalog, ...

John Deere Lawn Mower 15x6. 2018 JOHN DEERE 345G HYDRAULIC EXCAVATOR FOR SALE. A complete list of serial numbers included in this recall is on the firm's website. This recall involves green and yellow compact utility tractors with "John Deere" and the model numbers 4044R, 4052R or 4066R printed on the hood. 2005 John Deere 2210.

Page 2, John Deere Model JS63 Walk Behind Mower Parts - For a printable maintenance sheet for a JS63 walk behind click here Location of the Product ...

No information is available for this page.Learn why

John Deere AM125473 Transmission Sale 12, 21 Transmission Part OEM number: sell Buy AM125473 tractor parts Price: 466$ Catalogue scheme. Machinery parts: genuine, oem, Buy new aftermarket

Discover the complete portfolio of John Deere Parts & Services.

About Transmission Fluid X300 John Deere . Browse online & visit your nearest store today. 83″ deep and made from 10-gauge steel. Search Fixya Fusebox diagram for 2002 ford windstar van - 1998 Ford Windstar. If you do not detect any fluid, purchase a quart of John Deere low viscosity transmission/hydraulic fluid and a replacement factory fill ...

User interface a user interface is the system by which people users interact with a machine. 01-03-2004 technical manual contains full technical information on maintenance, repair and service manuals, technical specifications, schematics, intended for john deere js60h, js63, js63c walk-behind rotary mowers.

Service Warranty repairs must be performed by an authorized John Deere dealer. Description: Here you will find the original John Deere 38, 48 and 54-Inch Commercial Walk-Behind Mowers SERVICE Technical Repair MANUAL TM1488. Mountfield SP180 45cm 3.5hp 148cc Self-Propelled Rotary Before Using Your JOHN DEERE 14SB LAWN MOWER PARTS MANUAL.

Amazon's Choice for john deere jx75 parts. TP07 - Brakes - Free download as PDF File .pdf , Text File .txt or read online for free. ELS particpating dealers have a great selection of listings for used Case, IH, International and Case IH tractors in all sizes and configurations.

John Deere AM131850 Transmission Sale 21, JS63, SA1020, SCOTTS Transmission Part OEM number: sell Buy AM131850 tractor parts Price: 193$ Catalogue scheme. Machinery parts: genuine, oem, Buy new aftermarket

Lawn Mowers, John Deere US. Replacing it with a new transmission belt can quickly restore your lawn tractor to working order. John Deere Compact Tractors & black. Check out all wiring found lose connection on sale since Thursday. Montana Tractors and his dad worked for you at $75.

John deere gator 4x2 kawasaki engine John deere gator 4x2 kawasaki engine Koyker model 50 loader for sale Very little use. 100 pounds. Below is a guide we put together of all of the current John Deere Front Loaders for both John Deere Compact Utility Tractors and John Deere Utility Tractors . 5210, 5220, 5300, 5303, 5310, 5320,

John Deere Rotary Cutters and Shredders Buyers Guide Sales Brochure 1985 Farm. Rotary Cutters For Sale at www. com or contact your local John Deere dealer. John Deere offers rotary cutters for both heavy-duty and commercial roadside mowing needs, with options ranging from 6-ft all the way up to 20-ft. John Deere Hay Rake. Buy All-Makes Parts ...

0 Response to "36 john deere js63 transmission parts diagram"

Post a Comment

Iklan Atas Artikel

Iklan Tengah Artikel 1

Iklan Tengah Artikel 2

Iklan Bawah Artikel