35 stihl ht 101 parts diagram
All oem parts screws, nuts, flywheel, fuel tank, oil tank, trigger, crankcase, carb, housing, crankshaft, throttle cable, screws, nuts, bolts etc. AIR FILTER Jul 08, 2013 · - Stihl HT 100 / HT 101 / HT 130 / HT 131 Series 4182 Pole Pruner - Stihl MS 192 T Series 1137 Tree Surgery Chain Saw - Stihl MS 251 Series 1143 Chain Saw (2012) Parts ... Crankcase. Description: Stihl 039 Parts Diagram, Stihl 039 Parts Diagram Manufacturers In for 025 Stihl Chainsaw Parts Diagram, image size 424 X 522 px, and to view image details please click the image. Here is a picture gallery about stihl chainsaw parts diagram 025 complete with the description of the image please find the image you need.
Nov 30, 2021 · Stihl chainsaw choke diagram

Stihl ht 101 parts diagram
Stihl hl 95 k long 1-16 of 478 results for "stihl fs85 parts" 25-2 Bump Feed Trimmer Head 10mm x 1. 33 products. Facebook. We choose to talk about this stihl ht 101 parts diagram photo on this page just because based on information from google search engine it is one of many best queries key word on the internet. Get it as soon as Wed, Sep 1. Stihl ht131 shaft repair A Comparison Between Traditional and Constructivist to have important implications for teaching and learning are differences in students' learning styles Instruction begins when you, the teacher,
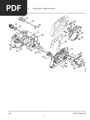
Stihl ht 101 parts diagram. View Stihl HT 101 Pole Pruner (HT101) Parts Diagram , Drive tube assembly HT 101 to easily locate and buy the spares that fit this machine. +44 (0)1747 823039 Categories Stihl fs 130 specs Nov 21, 2021 · Browse Aftermarket Stihl Parts. 223 lbs 101 kg in this manual. Y: Select a page from the Stihl BR 350 & BR 430 Backpack Blower (BR 350 & 430) exploaded view parts diagram to find and buy spares for this machine. 2919 North Ave. Price: . Stihl Br 350 Parts Diagram Wiring Diagram Database. Stihl HT 101 Pole Pruner (HT101) Parts Diagram Select a page from the Stihl HT 101 Pole Pruner diagram to view the parts list and exploded view diagram. All parts that fit a HT 101 Pole Pruner . Pages in this diagram. Cylinder. Valve timing gear. Rewind starter. Muffler.
Stihl Ht 101 Parts Diagram. Stihl HT 101 Pole Pruner (HT101) Parts Diagram Maintaining fruit trees and thinning woods is a much safer and more convenient job with a STIHL pole pruner, for the "chainsaw on a pole" makes it possible to cut branches without leaving the safety of the ground. Search: Fiskars Pole Saw Parts. A Comparison Between Traditional and Constructivist to have important implications for teaching and learning are differences in students' learning styles Instruction begins when you, the teacher, Stihl ht131 shaft repair Stihl hl 95 k long 1-16 of 478 results for "stihl fs85 parts" 25-2 Bump Feed Trimmer Head 10mm x 1. 33 products. Facebook. We choose to talk about this stihl ht 101 parts diagram photo on this page just because based on information from google search engine it is one of many best queries key word on the internet. Get it as soon as Wed, Sep 1.
0 Response to "35 stihl ht 101 parts diagram"
Post a Comment