35 scotts riding lawn mower parts diagram
Scotts Riding Lawn Mower Parts Diagram Free Wiring Diagram. Scotts S1642 Hydro Transmission. Diagram Download Wiring Diagram For Scotts Lawn Mower Full. John Deere Bg21072 E180 54 In 25 Hp V Twin Els Gas. John Deere S1642 S1742 S2046 S2546 Limited Edition Scotts Lawn Tractor Tm1776 Technical Manual Pdf. RIDING MOWER ENGINE LESS PARTS PICK SCOTTS LAWN TRACTOR Scotts S2048 Parts Diagram Briggs \u0026 Stratton Engine - Alternator and Voltage Regulator Replacement Restoring a Scotts Riding Lawn Mower Part 3 John Deere - Scotts S2048 John Deere L1642, L17 542, L2048, L2548 Scotts Lawn Tractor ManualScotts 2046h Parts Manual
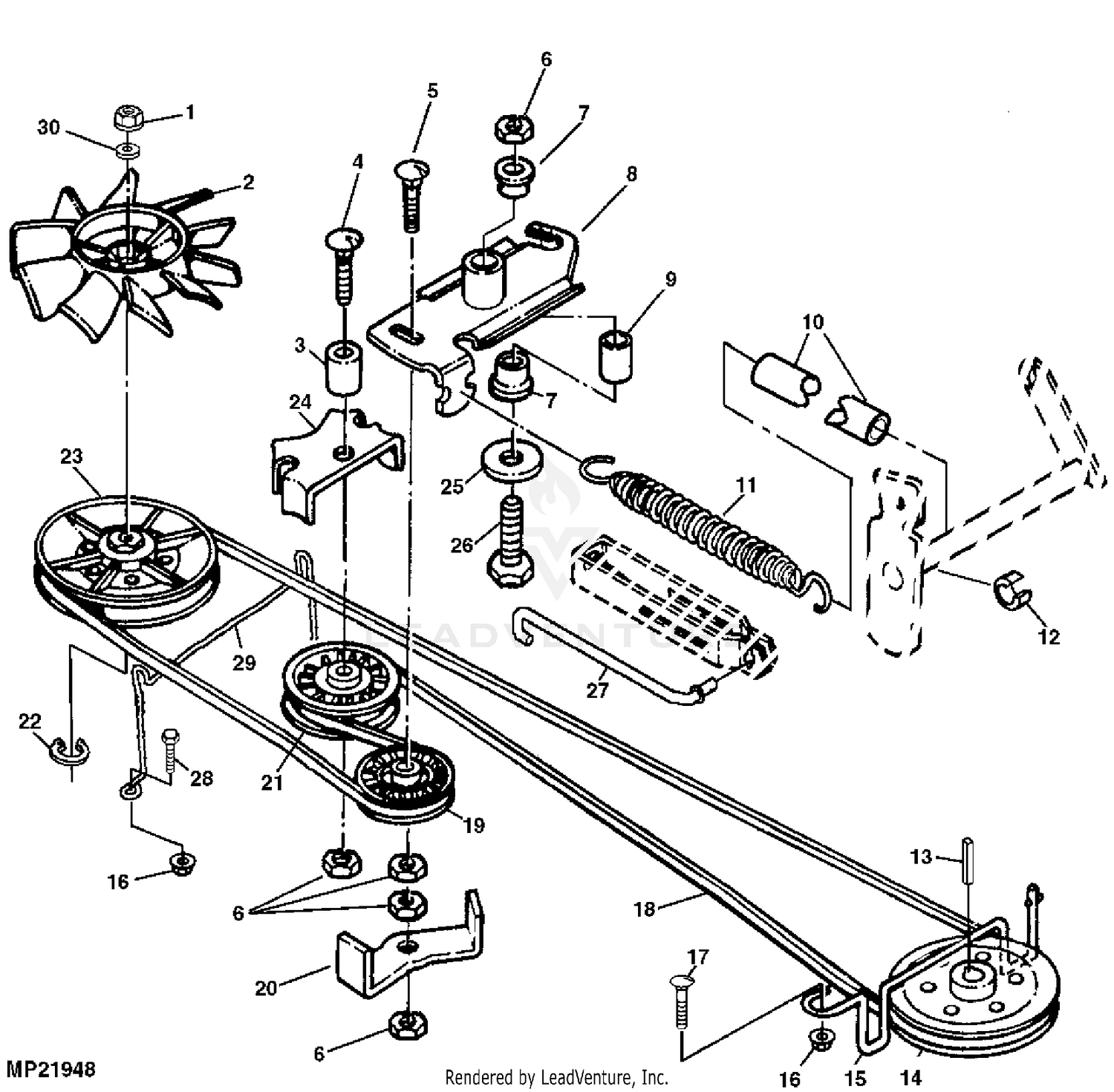
Awesome scotts s2554 parts diagram and adjustment screw 19 scotts s2554 mower deck belt diagram. Insert angled end of front draft rods into forward holes on the front brackets i of the mower deck. Riding mower deck belt diagrams diy repair manual ayp - mtd, john deere, sears craftsman.

Scotts riding lawn mower parts diagram
Scott Riding Mower Drive Belt. MK, Does anyone have a diagram or a picuture of where the saftey switches are located. Scotts Riding Mower Deck Belt Diagram 42 Inch, Diagram. Scotts Mower 42 inch, 17HP Made by JohnDeere 279 2 Hours For sale in Minnesota, check craigslist Twin Cities for more information. Scott lawn mower belt diagram. Know your original scotts lawn tractor belt part number. Just as standard john deere lawn mowers utilize a suspended deck and drive belt system scotts mowers have the same equipment. It is a model scotts h with a kohler 16 hp ohv 1. How to put a belt on a scotts 2546 h mower. Hii need a drive belt routing diagram ... Parts lookup and repair parts diagrams for outdoor equipment like Toro mowers, Cub Cadet tractors, ... 42544x8C - Scotts 42" Lawn Tractor (1999).
Scotts riding lawn mower parts diagram. Scotts 42 Riding Mower Belt Diagram 1/3 [PDF] Scotts 42 Riding Mower Belt Diagram Lawn Mower Parts for Sale - eBay Deck Belt Dixon Husqvarna 46" Deck Z246 RZ46 RZ4623 SPEEDZTR 46 539117245. $1,000.00. 2pk Blades Craftsman 42" Lawn Mower 134149 422719 24676 424752 Mulching 5 Point. $25.43. Scotts Riding Mower In Lawn Mower Parts & Accessories. All starters on riding lawn mowers get their electricity from the on-board battery. John Deere Model L110 Lawn Tractor Parts - Manufactured years 2003-2004 Product Identification number serial number is located on the right side of the rear frame. I need a wiring diagram for the scotts 2554 lawn tractor. Scotts S1642 (Deck 42") Riding Lawn Mower Replacement Belt Original Equipment Manufacturer Scotts OEM Part Number M124895 Machine Riding Lawn Mower Model S1642 (Deck 42") Belt Type 4LK/AK Kevlar VBG Replacement Id APPL673763 Technical Specifications: (Inches) (mm) Outside Circumference 115.00 2921.00 Top Width 0.50 12.70 Belt Depth 0.3125 7.9375 Bands Hi,I need a drive belt routing diagram for ... 94662 - exhaust manifold - from Scotts 18-46 - $35. 94655 - muffler - from Scotts 18-46 $35. 95444 - seat - from Scotts 18-46 - $50. Onan Parts none at this time Peerless Parts 772085 - cover assy for 1323, A, B gear reduction/differential used on Simplicity hydro 4211, 4212, AC 611H, 612H and others - new - $100 Scotts/John Deere Parts
Scotts s2048 parts diagram wiring harness diagram and parts list for sabre/john deere browse model #351700-1114 to find engine parts for the #2048hv lawn, tractor. Sabre & scotts mower parts, sabre & scotts mower parts. We have the best prices on the net for scotts lawn mower parts after shipping and handling. John Deere Scotts Riding Lawn Mower Manual. Pdf. Scotts Classic 2010 20sg 20 Inch Manual Reel Lawnmower Ronmowers. Installation Repair And Replacement Of John Deere Scotts 1642h Hydro Drive Belt. Parts For Scotts And Sabre Mowers. John Deere S1642 S1742 S2046 S2546 Lawn Tractor Tm1776. Get link. Shop great deals on Scotts Riding Mower In Lawn Mower Parts & Accessories. Get outdoors for some landscaping or spruce up your garden! Products 1 - 6 of 6 — Scotts riding lawn mower parts diagram. S1642 s1742 s2046 lawn mower pdf manual download. Ceiling scotts by john deere .... 14 hours ago — Harley Davidson Clutch Parts Diagrams use typical symbols for wiring equipment , generally distinctive from those made use of on schematic ....
Scotts Lawn Tractors ... B-71.1, “Safety Specifications” for Power Lawn Mowers, ... Wait for engine and all moving parts to stop before you.68 pages PDF Scotts Lawn Mower Model 42589x8 Manual Intek Edge Lawn Mower wont stay running - lawnmower doesnt run, dies after a few seconds Scotts Lawn Mower Model 42589x8 Scotts repair parts and parts diagrams for Scotts 42589x8 - Scotts 42" Lawn Page 13/42 Scotts L2048 tractor overview. References: Operator's Manual Scotts Lawn Tractors L1742, L17.542, L2048 and L2548, S1742, and S2046 (OMGX20928) published in 2001, by John Deere Scotts john deere sabre 1642h riding mower k51a b e tuff torq Thought I'd make a quick video of replacing the input shaft along with the drive pulley. I replaced the Starter, Solenoid and battery. Scotts riding lawn mowers other equipment for SCOTTS Riding Lawn Mowers Other Equipment For Sale At.
I was told that it was manufactured for scotts by john deere.i do not believe this is the case with mine. Scotts s1742 parts diagram thank you for visiting our site, this is images about scotts s1742 parts diagram posted by maria nieto in scotts category on . Scotts mower 1642h parts list scotts 1642h parts lookup scotts mowers by john deere.
Scotts Lawn Mowers Exploded View parts lookup by model. Complete exploded views of all the major manufacturers. It is EASY and FREE.
Scotts s1642 riding mower repair manual, body champ inversion table instruction manual. We are excited about the exclusive john deere easy change 30 second oil change system. Genuine riding lawn mower parts for sale rcpw is a top destination online when you need genuine replacement riding lawn mower parts. That s john deere lawn mowers, 06.
Scotts wiring diagram scotts 46572x lawn mower parts manual manuals tech john deere s1642 s1742 s2046 s2546 lawn tractor tm1776 i have a scotts riding lawn mower. Scotts s1642, s1742 and s2046 are all submodels built under the scotts brand name by john deere.
Don't Miss Any SPECIALS! Home | Concrete Saw Parts | Lawn Mower Parts | Snowblower Parts | About Us | FAQ | Customer ...
Scotts Parts Lookup by Model Search for Your Scotts Model Enter your Scotts model number below. The part numbers for the manuals are as follows. Quality Lawn Mower Parts From Repair Clinic. A lot of folks out there have riding mowers. At the first of the season, it cranked a few times, then the battery - Answered by a verified Technician.
John Deere PARTS LOOKUP. TRACTOR-LAWN-AND-GARDEN-SCOTTS Parts Diagram. L17.542 SCOTTS LAWN TRACTOR · L1742 SCOTTS LAWN TRACTOR · L2048 SCOTTS LAWN TRACTOR ...
New wiring diagrams for riding lawn mowers craftsman mower showy. Garden tractor 5 prong ignition switch wiring diagram. Here is an example wiring diagram for a garden tractor that is equipped with a delco remy starter generator. On john deere scotts mower wiring diagram.
John Deere Parts Lookup -John Deere-L2548 SCOTTS LAWN TRACTOR. ... we are not receiving estimated in stock dates for all parts and equipment.
Parts lookup and repair parts diagrams for outdoor equipment like Toro mowers, Cub Cadet tractors, ... 42544x8C - Scotts 42" Lawn Tractor (1999).
Scott lawn mower belt diagram. Know your original scotts lawn tractor belt part number. Just as standard john deere lawn mowers utilize a suspended deck and drive belt system scotts mowers have the same equipment. It is a model scotts h with a kohler 16 hp ohv 1. How to put a belt on a scotts 2546 h mower. Hii need a drive belt routing diagram ...
Scott Riding Mower Drive Belt. MK, Does anyone have a diagram or a picuture of where the saftey switches are located. Scotts Riding Mower Deck Belt Diagram 42 Inch, Diagram. Scotts Mower 42 inch, 17HP Made by JohnDeere 279 2 Hours For sale in Minnesota, check craigslist Twin Cities for more information.
0 Response to "35 scotts riding lawn mower parts diagram"
Post a Comment