35 kipor generator parts diagram
This manual covers the construction, function and servicing procedure of the KIPOR KGE3500Ti and Coast Distribution model KGE3000Ti generators. This manual is principally concerned with the generator specifications, function, troubleshooting and repair. There is a separate manual to cover engine overhaul which includes the starting systems.
1. Use genuine KIPOR or KIPOR-recommended parts and lubricants or their equivalents. Parts that do not meet Kipor's design specifications may damage the engine. 2. Use the special tools designed for the product. 3. Install new gaskets, O-rings, etc. when reassembling. 4.
Kipor Inverter Generator parts and service manuals for models, IG1000, IG2000, IG2000P, IG3000, IG4300, IG6000, IG6000H.
 
    Kipor generator parts diagram
Kipor Generator Parts. Kipor is a high-quality company dedicated to ensuring that they do their bit for global problems while still offering quality products to their buyers. They have an international network and they are committed to supplying the best to their customers for an affordable price.
IG2000 No. Manf. # Order # Description Qty. 1 KG158-00000 66739 Gasoline engine 1 2 KGE1000Ti-06115 Rear Case Locking Plug-in Board 8 3 KGE2000TiA-03300 66742 Right case and inlays 1
4) Install Generator on a lever surface. 2. Preparation for the engine 2-1 Initial start check Check the each part of the generator before starting. Making sure that anybody near the generator is warned, before starting the generator. Be care of these parts in the generator, such as rotary parts, hot parts, high-voltage parts.
Kipor generator parts diagram.
TATU PARTS Store. IG2000 IGNITION MODULE FOR KIPOR KG158 IG2000S IG2000P INVERTER CONTROL INDICATION PROTECTION DIGITAL PORTABLE GENERATOR IGNITER. US $13.26. 8 sold. Free Shipping. TATU PARTS Store. AVR KI-DAVR-150S Automatic Voltage Regulator Modules 220V Single Phase 15KW Kipor Generator Alternator Parts High quality. Free Return. US $44.00.
Kipor Generator's Spare Parts. We carry most of the major spare parts for repair of all Kipor generators. We are also a service center in San Diego, CA. Please contact us or repair service. We have many many more parts that we cannot be list them all here. Please email us at xtremegadget@yahoo.com.
You can also go here to find Kipor generator parts diagram and manual for many generator models or find Kipor generator physical manual on eBay. Kipor Generator DIY Repair. The faults listed above are the common ones that are experienced by Kipor generator owners. There are some quick-fix solutions that you can adopt to overcome the faults.
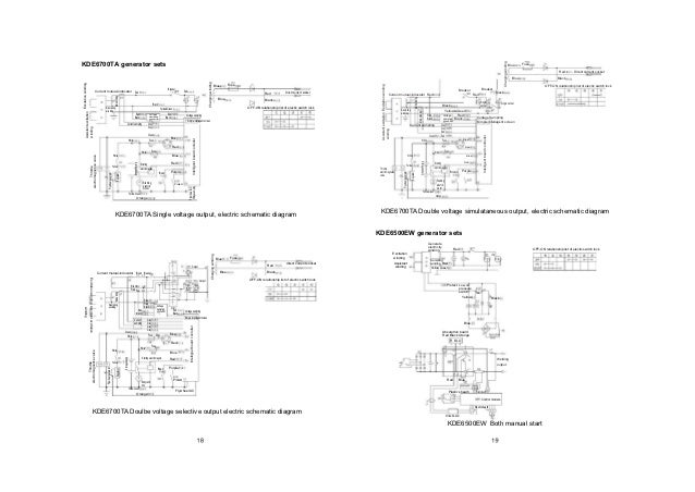
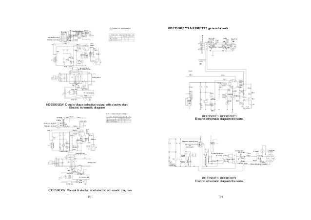
DIESEL GENERATOR SINGLE-PHASE: K DE2200X/E K DE3500X/E/T K DE5000X/E/T K DE6500X/E/T/TA K DE6700T/TA ... please order one from local KIPOR dealer. Please provide this introduction to another user whom machine will be ... 4.1Oil-line and intake/exhaust parts 4.1.1Engine Oil 4.1.2Replace Engine Oil 4.1.3Oil Tank / Fuel Oil Filter 4.1.4Oil Pipe ...
Kipor parts for inverter generators. Models, IG1000, IG2000, IG2600HP, IG3000, IG4300, IG6000H. Parts breakdowns online along with a large product listing.
KIPOR KGE1000Ti SINEWAVE INVERTER GENERATOR 1000 Watt ~ FULLY TESTED HONDA CLONE Very nice used Kipor inverter generator. This is model# KGE1000Ti and is in very nice used condition. This is a 1000 watt inverter and has 2 120 volt inputs with a 12 volt as well and the smart throttle setting.
KIPOR GENERATOR ENGINE PARTS 66415 DIPSTICK. We have in stock old new inventory 22. KIPOR GENERATOR ENGINE PARTS 66168 FUEL CAP - KDE5000E-1120. We have in stock old new inventory 10. KIPOR GENERATOR ENGINE PARTS 66424 AIR FILTER. We have in stock old new inventory 8. KIPOR GENERATOR ENGINE PARTS 66147 STEP MOTOR.
KIPOR POWER PRODUCTS CO., LTD. GENERATOR SHOP MANUAL IG2000 IG2000p IG2000s ... 1.2 WIRING DIAGRAMS IG2000/IG2000s . 4 IG2000p c. CG2000/CG2000s . 5 CG2000 IIIIIIIIIIIIIIIII AC Module. 6 2. Service Information ... · Use genuine KIPOR or KIPOR-recommended parts and lubricants or their equivalents. Parts that do not meet Kipor's design ...
Ignition Control Relay (KI65961) Price: $ 29.95. IG6000 Intake/Carb Gasket Set (67126-62499-62493) Price: $ 19.95.
kipor generators, 66669 ki-cdq-36 ki-cdq-36ah 383308-000 66957 1000 fan 66488 120/240 receptacle 66279 120v twist loc plug 66229 12vdc batter charge wires 66941 3000e charge adjuster 66633 5 kw atlternator 68670 adaptor for lt9b-4 battery 66547 alt cover 66543 alt front cover 66546 alt mounting bolt 66542 alt rear cover 65995 alternator assembly 65972 alternator assembly 66414 alternator ...
3KW Generator. KD(M)30(A)-02000. Control Panel Assembly. KGE3000Ti-13100. KG166 Gasoline Engine Assembly. Plus Screw M5X16. Washer 5. Rear Cover and Inlay.
China Kipor 17kw Portable Diesel Generator Kde19sta Sta3 China. Kde12sta Kipor Generator Wiring Diagram. Generator Control Wiring Diagram Diagram Data Schema. Kipor Generator Wiring Diagram Com Buy Wires Avr For Kipor Kama F F. 14 Wire 10kw Ats Controller Generator Controller Automatic Starting. Control Module Ki Mb Ats S2 Ats For Kipor Diesel ...
kipor generator parts. Seeking the best kipor generator parts with good quality and affordable prices from DHgate Australia site. We provide a variety of repair parts playstation online supplied by reliable sellers around the world. Helping you step by step of finding cheap parts skin is what we aim for. Enjoy exploring our range of european parts shop and find the e46 parts for sale from au ...
Kipor KDE45SS - KDE100SS Spares. We stock the largest range of. Genuine Kipor parts in the Southern Hemisphere! We are currently in the process of listing all spare parts. Please contact our Spare Parts department on 03 9544 4222 or 1300 MAC GEN (622 436) so we can help you.
103 KGE5500Ti-01020 Baffle parts 1 104 KGE5500Ti-01030 Baffle parts of cylinder end 1 105 KGE5500Ti-10122 Heat insulation of muffler cover 1 106 KGE5500Ti-17006 66475 Battery gasket 1 107 KGE3300Ti-03003 66437 Chock plug of oil outlet 1 108 KGE3300Ti-11008 Strainer 1 No. Manf. # Order # Description Qty.
KIPOR IG6000 model generator. This manual is principally concerned with the generator specifications, function, troubleshooting and repair. There is a separate manual to cover engine overhaul which includes the starting systems. These models may be of significantly different design than the original KGE7000Ti and other models
Kipor IG6000H Generator Parts Diagram. Kipor KM186F-C Diesel Engine Parts Diagram. Powerhouse 500Wi Generator Parts Diagram. Powerhouse 1000Wi Generator Parts Diagram. Powerhouse 2000Wi Generator Parts Diagram. Powerhouse PH2100PRi Generator Parts Diagram. PH2400Pi Generator Parts Diagram. Powerhouse PH2700PRi Generator Parts Diagram.
KIPOR GENERATORS AUSTRALIA : COLEMAN GENERATOR PARTS DIAGRAM : PHOTO HTML GENERATOR Kipor Generators Australia generators An apparatus for producing gas, steam, or another product A thing that generates something, in particular (generator) engine that converts mechanical energy into electrical energy by electromagnetic induction (generator) an apparatus that produces a vapor or gas A dynamo…
No. Manf. #. Order #. Description. Qty. 1. KGE1000Ti-06610. 65970 Rear case. 1. 2. KGE1000Ti-06601. 66222 Seal strip of Rear case.
KIPOR IG3000 / KGE3000Ti INVERTER GENERATOR PARTS No. Manf. # Order # Description Qty. 1 KG205GETi-00000 66577 Gasoline engine 1 2 KG205GETi-15100 66007 Electric Starter 1 3 KD(M)30(A)-02205 Stator location pin 4 4 KD(M)35(A)-02100 Stator assembly 1 5 KD(M)30(A)-02200 Rotor assembly 1 4-5 KD30-02100/02200 66008 Stator/Rotor assembly
Spare Parts Archives - Kipor Power Products. Categories. Filter by price. Price: € 20 — € 1.000. Toevoegen aan wenslijst. +. Quick View. Spare Parts. Fuel crane Kipor IG770/1000/2000/2600.
KIPOR POWER CO., LTD. DIGITAL CONVERTER GENERATOR. K G E 2 0 0 0 Tc K G E 2 0 0 0 Ts c. CONTENTS. PREFACE Thank you for purchasing our generators. 1. SAFETY INSTRUCTIONS
Buy Kipor Parts now. Advice available from the leader in Portable Generator Parts and Water Pump Parts. USA Canada UK EU AUS NZ
Browse kipor online store and get genuine generator spare parts, kipor generator spares, petrol generators, buy generator and more of the genuine spares available at Kipor leading supplier Kipor Call Now 0121 296 2041
Kipor Generators give you a saving of about 50% in size / weight. Every Kipor generator has passed the EPA phase II standards and is CE certified. and Kipor itself is ISO9001 certified. Kipor Generators compact and lightweight design allows true portability of power for in the motorhome, caravan or boat. Kipor digital generators offer the same ...
Shop now for Kipor KDE6500E Parts. Need advice? ... From the leader in Portable Generator Parts. ... Kipor Manual inc Wiring Diagram Diesel single & 3 phase.
 
    
    For kipor generator parts three phase avr 10kw automatic voltage stabilizer regulator avr ki-davr-95s3
Shop now for Kipor IG2600H Parts. Need advice? Our Engineers are always happy to help. From the leader in Portable Generator Parts. USA Canada UK EU
 
     
     
     
     
     
     
     
     
     
     
     
     
     
     
    ![Schema Generator Curent Kipor KDE 6500X - [PDF Document]](https://demo.fdocuments.in/img/378x509/reader024/reader/2021010208/55cf92b2550346f57b98d57d/r-1.jpg) 
     
     
     
     
     
     
    
0 Response to "35 kipor generator parts diagram"
Post a Comment