35 craftsman lt1000 deck diagram
Com Mr Mower Parts Ayp 42 Deck Rebuild Kit For Sears. 26 Best 42 Inch Craftsman Deck Images In 2020 Mower. Vz 7701 Craftsman Mower Deck Diagram Lawn. Sears Craftsman 21 Hp Lt1000 Lawn Mower Tractor 917 273522 Owner. Craftsman 25587 42 19 Hp Briggs Stratton Fender Hydro Automatic. Mr mower parts deck rebuild kit for craftsman poulan Husqvarna included 2 heavy duty spindles , 2 mulcher blades , 2 pulleys , deck belt 95". Search for "Mower belt for craftsman lt" 25 Products Mower belt for craftsman lt 25 items. Category Press enter to collapse or expand the menu. Lawn Mowers (25) 1/2 in. x in. for 38 in. & 42 in.
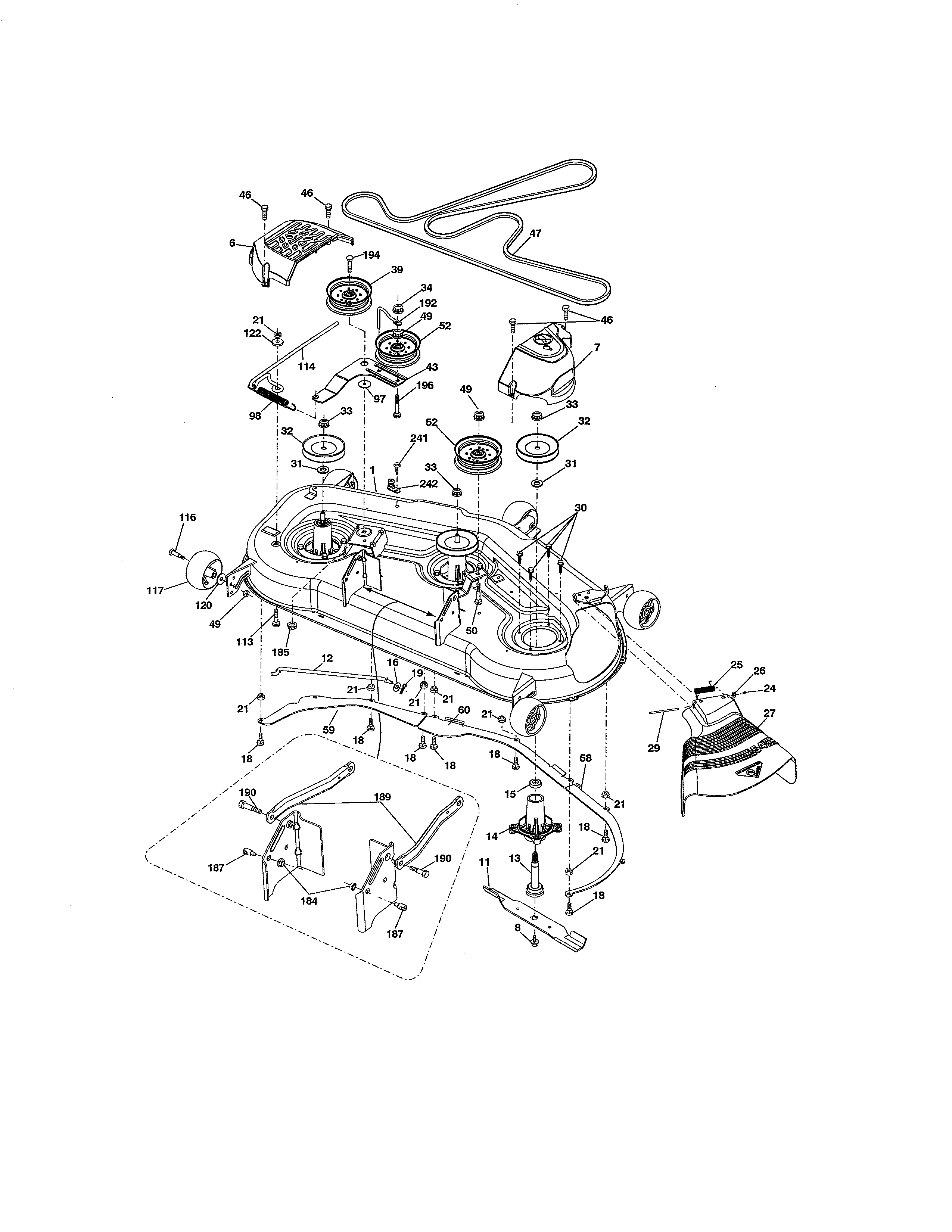
Craftsman repair parts and parts diagrams for Craftsman LT1000 (LT 1000-14) - Craftsman Lawn Tractor (1991-03) Order Status Customer Support 512-288-4355 My Account Login to your PartsTree.com to view your saved list of equipment.

Craftsman lt1000 deck diagram
Another Craftsman Lt1000 42 Deck Belt Replacement Oil Change regarding measurements 1280 X 720. Craftsman 42 Inch Mower Deck Diagram - A deck is really a gigantic prolonged place from the home, usually made from wood planks, to assistance bodyweight. For instance, if your deck will fasten a lot of daytime sun, be ready for fading and regular re-staining of pure wood decks. Description: Craftsman Lawn Tractor Deck Parts Diagram | Tractor Parts Diagram throughout Craftsman Mower Deck Parts Diagram, image size 750 X 499 px, and to view image details please click the image.. Here is a picture gallery about craftsman mower deck parts diagram complete with the description of the image, please find the image you need. ***THIS IS NOT A HOW TO DIY VIDEO! MY OPE VIDEOS ARE NOT INTENDED AS HOW TO DIY VIDEOS - LEAVE IT TO THE PROFESSIONALS!***In this video, i time-lapse a deck ...
Craftsman lt1000 deck diagram. EPR Distribution EPR Full Deck Rebuild Kit for Craftsman 42" LT1000 LT2000 130794 134149 144959 95" Belt. Sold by GrowKart. $799.00. Pro-Po Parts Shop 42" Riding Lawn Mower Deck Belt for Craftsman # 144959 POULAN PP 12012 532144959. Sold by GrowKart. $34.32 $31.20. A steering shift can be critical for the Craftsman LT 1000. This unit is designed with a small bar shape and will easily fit into the main chassis. This can be found for about twenty to thirty dollars depending on where one goes to get it. Mulching Blades Must Be Checked. The Craftsman LT 1000 works with a number of different mulching blade ... Mower Deck Rebuild Kit - https://amzn.to/2WoJ6REAndy the X-Tech - https://www.youtube.com/channel/UCFhBOVlRQMVixHcdsUNFqSgIn this video I rebuild my "new to ... Use our part lists, interactive diagrams, accessories and expert repair advice to make your repairs easy. 877-346-4814. Departments ... Repair Parts Home Lawn Equipment Parts Craftsman Parts Craftsman Lawn Tractor Parts Craftsman 917271652 Lawn Tractor Parts. ... Lawn Tractor Deck Decal. $11.59 Part Number: 581580001. Ships in 4 - 8 business ...
View or print the Sears Craftsman LT 1000 Manual. The LT 1000 model was sold by Sears Company under the brand of Craftsman for many years. If you need the Sears Craftsman LT 1000 Manual, we have provided it below. The LT 1000 is a riding lawn mower. Loading…. differently from previously built engines. Craftsman LT3000 Manual. View or print the Sears Craftsman LT3000 Manual. The LT 3000 model was sold by Sears Company under the brand of Craftsman for many years. If you need the Sears Craftsman LT2300 Manual, we have provided it below. The LT3000 is a riding lawn mower. Click here to view LT 3000 Parts Listing. Open in New Window. Sears Craftsman Help Line 5 am -5 pro, Mon- Sat Sears, Roebuck and Co., Hoffman Estates, IL 60179 U.S.A. ... failure to keep the deck clear of flammable debris, or failure to maintain the equipment according to the instructions contained in the owner's manual. • Engine (fuel system) cleaning or repairs caused by fuel determined to be contami- ... Spindles Fit for Craftsman 42 inch Deck Mower - Spindle Assembly Fit for Poulan Husqvarna Sears Craftsman LT1000 LT2000 LTX1000 Riding Mower with 36" 38" 42" Cutting Deck, Replace 130794, 137641 5.0 out of 5 stars 20
Craftsman 917275350 front-engine lawn tractor parts - manufacturer-approved parts for a proper fit every time! We also have installation guides, diagrams and manuals to help you along the way! More Information. Reviews. Custom Tab. 42 inches Deck Rebuild Kit - Sears / Craftsman - LT1000 LTX1000. Fits Mowers 130794 134149 144959 and more. (2) Spindle Assemblies - Replaces OEM. AYP: 130794. Husqvarna: 532 13 07-94. (2) Rotary Mulching Blade (6189) - Replaces OEM. Use our part lists, interactive diagrams, accessories and expert repair advice to make your repairs easy. 877-346-4814. Departments ... Repair Parts Home Lawn Equipment Parts Craftsman Parts Craftsman Lawn Tractor Parts Craftsman 247.203700 T1000 Lawn Tractor Parts. Craftsman LT2000 Parts Diagram LT 2000 Parts View or print the Sears Craftsman LT2000 Parts List. The LT2000 model was sold by Sears Company under the brand of Craftsman for many years. If you need the Sears Craftsman LT2000 Parts List, we have provided it below. Click here to view LT 2000 Parts Listing View the Craftsman LT 2000 Manual
Craftsman 917270671 front-engine lawn tractor parts - manufacturer-approved parts for a proper fit every time! We also have installation guides, diagrams and manuals to help you along the way!
Spu Electric Starter Motor for Craftsman LT1750 LT1000 Tractors 17.5HP 17HP Kohler. 0. Sold by SPU Parts. add to compare. compare now. $28.49 $25.90.
Get shopping advice from experts, friends and the community! I own a Craftsman 24hp 42 inch deck lawn tractor (model no 917.275670). Recently one of the wires from the electric clutch pulley somehow got cut by the pulley and the other wire badly frayed. I took the mower deck off to get to the electric clutch pulley wires and repair the damaged wire.
Sears Craftsman LT1000 42" Lawn Mower Deck Parts Kit 130794 134149 Oregon Blades. Rating * Name *Email *Review Subject *Comments 1 Review Hide Reviews Show Reviews 5 Riding mower spindles and blades. Posted by Mike geczi on May 22nd 2020 Fast shipping, great fit ! Find Similar Products by Category ...
Craftsman Lt2000 Belt Diagram. craftsman lt2000 belt diagram imageresizertool craftsman lt2000 belt diagram moreover transmission drive belt kevlar manual geared only fits some husqvarna lt151 models replaces 613 p how to replace craftsman lt2000 mower deck belt this video shows how to replace the deck belt on an lt2000 tractor but this also applies to the lt1000 and many other models ...
Belt Diagram For Craftsman Riding Mower Lt1000. I did a search for lawn mower manuals and found this site: There is a belt diagram on all craftsman L&G troctors located under running board. The Craftsman LT is a basic riding mower designed to cut residential lawns. Over time, the drive belt that turns the mower blades can wear down or break.
EPR Deck Rebuild Kit for Craftsman 42" LT1000 LT2000 130794 134149 173436 144959 Belt 95 1/2". 4.4 out of 5 stars. 368. $75.99.
Craftsman Dlt 3000 Deck Diagram. Did your Craftsman model lawn, tractor break down? SAVE money and To check the belt lower the deck to the lowest position and donĂ¢€™t start the engine. Visually inspect Craftsman lawn tractor DLT A: Thank you for. Parts Diagrams (11) Sears Lawn tractor keeps eatin the pulley and shaft on mower deck.
Cutter Deck Assembly diagram and repair parts lookup for Craftsman LT1000 (LT 1000-14) - Craftsman Lawn Tractor (1991-03) Order Status Customer Support 512-288-4355 My Account Login to your PartsTree.com to view your saved list of equipment.
Mtd 13al78st299 247288861 2012 Parts Diagram For Mower Deck 46 Inch throughout size 1180 X 1527. Craftsman 46 Mower Deck Belt Diagram - In the past few years, it Is simple to comprehend why hardwood decking Has become increasingly more prevalent. Hardwood decking is really durable because it's sourced from wood that is slow growing in tropical ailments.
27 Craftsman Dls 3500 Parts Diagram Wiring List. Craftsman Riding Mower Steering Parts 3000 Lawn Tractor Cut Book. Craftsman Riding Lawn Mower Parts Diagram The Garden. Steering Assembly Diagram Parts List For Model 917273070. 35 Craftsman Lt1000 Drive Belt Diagram Wiring List. Xv 2766 Craftsman Mower Deck Diagram Lawn.
***THIS IS NOT A HOW TO DIY VIDEO! MY OPE VIDEOS ARE NOT INTENDED AS HOW TO DIY VIDEOS - LEAVE IT TO THE PROFESSIONALS!***In this video, i time-lapse a deck ...
Description: Craftsman Lawn Tractor Deck Parts Diagram | Tractor Parts Diagram throughout Craftsman Mower Deck Parts Diagram, image size 750 X 499 px, and to view image details please click the image.. Here is a picture gallery about craftsman mower deck parts diagram complete with the description of the image, please find the image you need.
Another Craftsman Lt1000 42 Deck Belt Replacement Oil Change regarding measurements 1280 X 720. Craftsman 42 Inch Mower Deck Diagram - A deck is really a gigantic prolonged place from the home, usually made from wood planks, to assistance bodyweight. For instance, if your deck will fasten a lot of daytime sun, be ready for fading and regular re-staining of pure wood decks.
0 Response to "35 craftsman lt1000 deck diagram"
Post a Comment