Iklan 300x250

33 suzuki samurai carburetor diagram

Oil Filter. Samurai, Sidekick. Swift. Esteem. X-90. 1.3 & 1.6L. 1998-01. 1995-97. $8.82 . Add to Cart

Our 1.3 Samurai carburetor rebuild kit is meant for the Hitachi (not AISIN) OEM carb and replaces all of the wear items that cause your carburetor to behave poorly. Hesitations, flat spots in acceleration, and cutting out are a thing of the past with a rebuilt carb. US model Samurais typically have the Hitachi carburetor, while Canadian models ...

Race Driven OEM Replacement Carburetor Rebuild Repair Kit Carb Kit for Suzuki QuadSport LT80 LT 80 Product Description & Features: Brand New Race-Driven OEM Replacement. Read more. Carburetor Carb Vaporizer Replacement for Suzuki Ozark 250 LTF250 ATV 2002-2010 LTZ250 2004-2009 13200-05G01.

Suzuki samurai carburetor diagram

Suzuki samurai carburetor diagram

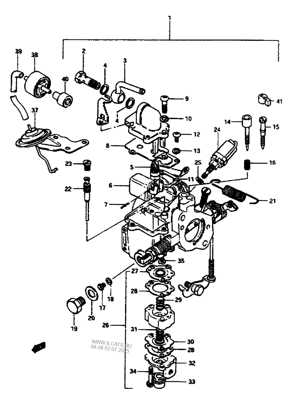
Carburetor (CARBURETOR) Diagram Suzuki SAMURAI 3815916-328279. After adjustment, remove the carburetor from the engine and press-fit the idle mixture adjusting.THIS IS A NEW SUZUKI SAMURAI. Only fit's Suzuki Samurai's with a L Engine. unit for the Samurai. We are the Largest Carburetor Distributor in the Nation! There are a lot of Suzuki Samurai.

SOURCE: I have a suzuki samurai First ck for a vacuum leak listen for a small slight hisssing noise. and ck pcv hose and valve. the normal rpm is 750 to 850 from the front of the vehicle look on the right side of the carburator youll see a screw at the base of carburator turn it in and you lean the vehicle out which you dont want. turn it 1/4 out and see if it idles smooth, if neither reacts ...

Suzuki Samurai is a successor of Suzuki LJ, in various different country it also called as Santana, Caribbean, Sierra and Holden Drover. This service manual/workshop manual contains great deal informations on maintenance, service, troubleshoot, overhaul, inspection of the Suzuki Samurai specially for 1988 model year.

Suzuki samurai carburetor diagram.

Looking for genuine OEM Carburetor for - Suzuki SAMURAI SJ413 (U.S.A. sales region, , 3819745-328897)? Check on MegaZip at discounted price from manufacturers' warehouses in Japan, USA, UAE. Detailed diagrams & catalogues. Worldwide shipping. Easy to find parts & order online. Buy now!

hello from overseas ;) im from germany and need some help with my carburetor. hopefully my english is good enough :D i got an old samurai and try to fix it. i replaced a lot: timing belt, all ignition parts, filters, hoses, v belt, water pump and so on. set to correct valve lash and checked...

In this video, I remove all the vacuum lines on a Suzuki Samurai 1.3L engine. I talk about the locations of each vacuum line and other misc informationlink t...

1986-1989 Suzuki Samurai Mechanical Fuel Pump Carbureted Model 1.3L G13A Engine (SKU# SER-FPM) Installation Instructions For additional copies of these and other instructions go to: www.lowrangeoffroad and click on the "Instructions" tab. Instructions Created by an: Notice: It is recommended that you replace the fuel filter

Looking for genuine OEM Carburetor for - Suzuki SAMURAI SJ413 (U.S.A. sales region, , 3819641-328889)? Check on MegaZip at discounted price from manufacturers' warehouses in Japan, USA, UAE. Detailed diagrams & catalogues. Worldwide shipping. Easy to find parts & order online. Buy now!

The most common problem with Samurais is the choke setting. Choke Operation Perform the following adjustment with the air intake case removed from the engine, and the engine should be cold. Using your finger, check the choke valve for smooth movement. When the ambient temperature is below 77°F (25°C) and the engine is cold, ensure that the choke valve is almost completely closed.

Suzuki motorcycle service manuals, Suzuki FZ50 FZ 50 Illustrated Parts List Diagram Manual. Suzuki GN125 GN 125 Carburetor Exploded View Diagram. Suzuki Samurai OEM Hitachi Carburetor Rebuild Kit Download Installation Instructions. We have been asked by many if we have a carburetor …

Chassis Wiring Samurai Models. Chassis Wiring Sidekick & Tracker. Samurai Complete Wiring Diagram (carbureted model) 1986-1988 Suzuki Samurai Air Conditioning Electrical Diagram : Engine Electrical - 1986-1989 1.3L Engines. Engine Electrical - 1990-1995 1.3L Engines. Engine Electrical - 1989-1990 1.6L TFI Engines

1-16 of 268 results for "suzuki samurai carburetor kit" Amazon's Choice for suzuki samurai carburetor kit. Walker Products 151101A Carburetor Kit. 4.5 out of 5 stars 15. $24.35 $ 24. 35. Get it as soon as Tue, Nov 30. FREE Shipping on orders over $25 shipped by Amazon. Only 20 left in stock - order soon.

The Suzuki Samurai Carburetor is a simple mechanism which injects fuel into the combustion chamber. Protect your car's critical systems by only installing the most outstanding high-quality engine components. If you invested in your high-performance vehicle because it had high-end power and performance, insure that investment by buying only the ...

Access our free Carburetor Repair Guide for Suzuki Samurai, Sidekick, Tracker 1986-1998 through AutoZone Rewards. These diagrams include: Fig. View of 2.8L & 3.6L Camshaft Position (CMP) Sensors-Actuators. Fig. View of 4.6L Camshaft Position (CMP) Sensor. Fig. View of 5.7L Camshaft Position (CMP) Sensor. Access our Suzuki Samurai, Sidekick ...

Suzuki SJ413 and Suzuki Samurai Carburetor Parts and Service Kits. On this page you will find service kits and carburetor parts for the Suzuki SJ413 and Samurai series that we can supply. If your carburetor isn't listed yet, please contact us by email as chances are that we can help you anyway. Our Contact Page can be found HERE.

CARBURETOR (AUTO CHOKE TYPE : SEE NOTE 1) SUZUKI samurai+sj ...

Carburetor (auto choke type : see note 1) suzuki samurai+sj ...

Re: Stock Hitachi Mystery Carb Adjustment Screw. « Reply #1 on: May 18, 2019, 01:18:22 PM ». I figured it out. It is the cold/fast idle adjustment screw. Should be set to ~1,500 RPM for a completely cold engine. Warm idle setting (the upper adjustment screw) is ~800 RPM at warm operating temperature. Logged.

CARBURETOR ASSY for LT50 1999 (X) GENERAL UK BRAZIL S-ARAB ...

Carburetor assy for lt50 1999 (x) general uk brazil s-arab ...

Reviewer: fauzilukmanalawi - favorite favorite favorite favorite favorite - October 24, 2014 Subject: suzuki samurai . very helpfull . Reviewer: lmas2013 - favorite favorite favorite favorite - June 10, 2013 Subject: Nice . This is the best see it . 80,443 Views . 18 Favorites ...

Karburator Cocok untuk Suzuki F10A SJ410 465Q Carry ST100 Jimny Samurai  Sierra Super, 13200-82780

Karburator cocok untuk suzuki f10a sj410 465q carry st100 jimny samurai sierra super, 13200-82780

SUZUKI SAMURAI 1.3 LITER TO TOYOTA 3K CARBURETOR SWAP KIT. - $110.00 Shipped! This kit has everything required to swap your troublesome stock Suzuki or aftermarket Weber carburetor for the desirable Toyota 3K Carburetor onto the stock 1.3L Samurai engine (uses TOY250 or 21100-24034 carburetors NOT INCLUDED). Kit has 18 page instructions sheets ...

87 samurai backfiring/heavy fuel smell | Suzuki Forums

87 samurai backfiring/heavy fuel smell | suzuki forums

Suzuki Samurai/Sidekick/Tracker Repair Guide . Carburetor (CARBURETOR) Diagram Suzuki SAMURAI 3815916-328279 After adjustment, remove the carburetor from the engine and press-fit the idle mixture adjusting.THIS IS A NEW SUZUKI SAMURAI. Only fit's Suzuki Samurai's with a L Engine. unit for the Samurai.

I have a 1988 suzuki samurai 1.3 i just insaled a webber on ...

I have a 1988 suzuki samurai 1.3 i just insaled a webber on ...

SUZUKI: 1987: SAMURAI: 1.3L L4: ... Carburetor Fuel Inlet Fitting. Carburetor Repair Kit. Carburetor Return Spring. ... Throttle Linkage & Ball Joint. Throttle Linkage Clip. Intentionally blank: Intentionally blank: Related Parts. SUZUKI > 1987 > SAMURAI > 1.3L L4 > Fuel & Air > Carburetor. Price: Alternate: No parts for vehicles in selected ...

SUZUKI SAMURAI

Suzuki samurai

Carburetor (CARBURETOR) Diagram Suzuki SAMURAI 3815916-328279. After adjustment, remove the carburetor from the engine and press-fit the idle mixture adjusting.THIS IS A NEW SUZUKI SAMURAI. Only fit's Suzuki Samurai's with a L Engine. unit for the Samurai. We are the Largest Carburetor Distributor in the Nation! There are a lot of Suzuki Samurai.

INTAKE MANIFOLD (W/CARBURETOR) SUZUKI samurai+sj Samurai/SJ ...

Intake manifold (w/carburetor) suzuki samurai+sj samurai/sj ...

Suzuki Samurai Hitachi carb manual. Just got an used Hitachi carburetor from a 1987 Suzuki Samurai & placed it on a Suzuki Sidekick wich has 1.6Lt 8v engine, looked for some info before so I placed intake manifold together with the carb to the receptor engine, engine starts & car runs but after a while is like the carb needs a little help so I ...

53 Suzuki PDF Manuals Download for Free! - Сar PDF Manual ...

53 suzuki pdf manuals download for free! - сar pdf manual ...

Pictured is a Toyota 3K carburetor (21100-24034/35). Noted for its simplicity and ease of use. We buy chinese manufactured carburetors (there are no American Made carburetor replacements available for these older model Toyota Carburetors). The 3K is best used on smaller displacement engines like the Suzuki Samurai 1.3 Liter.

Suzuki Samurai idle (2) - YouTube

Suzuki samurai idle (2) - youtube

Carburetor Carb For. Carburetor Carb For Suzuki Samurai 1986 1988 1 3l For Toyota 1968 1978. $81.99.

Suzuki Vacuum Diagrams – Zuki Offroad

Suzuki vacuum diagrams – zuki offroad

Suzuki Samurai Sidewinder CV Carburetor Adapter Kit (SKU# SEU-CVCK-40 ) Instructions also apply to: SEU-CVCK-44 Installation Instructions For additional copies of these and other instructions go to: www.lowrangeoffroad and click on the "Instructions" tab. Instructions Created by an: Revised 09-22-15

Please help me with a carburetor vacuum tubes ! | Suzuki ...

Please help me with a carburetor vacuum tubes ! | suzuki ...

Carburetor Gasket Jet Nozzle Repair Kit (Japan) Suzuki Samurai Santana 1.3 SJ413 (Fits: Suzuki Samurai) $49.90. $8.00 shipping. SPONSORED. Suzuki Samurai Jimny SJ Drove Carburettor Boot Air Cleaner Rubber Dust Hose (Fits: Suzuki Samurai) $20.97. Was: $22.07.

Suzuki Samurai Carburetor Diagram Price [Dec 2021] Found 270 ...

Suzuki samurai carburetor diagram price [dec 2021] found 270 ...

suzuki Samurai JA I have 87 suzuki samurai 1.3 carb. When ...

Suzuki samurai ja i have 87 suzuki samurai 1.3 carb. when ...

Weber carburetor - SUZUKI-4WD

Weber carburetor - suzuki-4wd

CARBURETOR (E24) SUZUKI samurai+sj Samurai/SJ SJ413-8, -9

Carburetor (e24) suzuki samurai+sj samurai/sj sj413-8, -9

SOLVED: Can i get a vacuum diagram for a suzuki 8.88 sj80 - Fixya

Solved: can i get a vacuum diagram for a suzuki 8.88 sj80 - fixya

Asia, Samurai / SJ, SJ410K-4 (E01), Engine, 13 - CARBURETOR ...

Asia, samurai / sj, sj410k-4 (e01), engine, 13 - carburetor ...

Motor | Suzuki Samurai/SJ SJ413 SJ413Q-3 (E01) Parts Catalogs ...

Motor | suzuki samurai/sj sj413 sj413q-3 (e01) parts catalogs ...

Open Ds Repair Kit Carburator Karbu Karburator Suzuki Jimny ...

Open ds repair kit carburator karbu karburator suzuki jimny ...

Aisin Carb Strip Down Guide - Suzuki Club UK

Aisin carb strip down guide - suzuki club uk

CARBURETOR SUZUKI SAMURAI/SJ SJ410/SJ410Q/SJ410V (E01:TYPE 2)

Carburetor suzuki samurai/sj sj410/sj410q/sj410v (e01:type 2)

Karburator Baru Pengganti Suzuki Samurai Dirakit 1986-1988

Karburator baru pengganti suzuki samurai dirakit 1986-1988

Difflock :: View topic - suzuki sj 410 carb adjustment

Difflock :: view topic - suzuki sj 410 carb adjustment

CARBURETOR (MANUAL CHOKE TYPE) SUZUKI SAMURAI/SJ SJ413 (E01)

Carburetor (manual choke type) suzuki samurai/sj sj413 (e01)

Carburetor for - Suzuki SAMURAI SJ413 | Africa sales region ...

Carburetor for - suzuki samurai sj413 | africa sales region ...

All Regions, Samurai / SJ, SJ413 (E03,E33:MY 1986), Engine ...

All regions, samurai / sj, sj413 (e03,e33:my 1986), engine ...

Engine | Suzuki Samurai/SJ SJ413 SJ413-2 (E01) Parts Catalogs ...

Engine | suzuki samurai/sj sj413 sj413-2 (e01) parts catalogs ...

Do you have a good condition 88.5 Samurai? Please read ...

Do you have a good condition 88.5 samurai? please read ...

Fuel | Suzuki Samurai/SJ SJ413 SJ413 (E01) Parts Catalogs ...

Fuel | suzuki samurai/sj sj413 sj413 (e01) parts catalogs ...

Ack's FAQ Samurai SJ-413 Carburetor Vacuum Line Maintenance

Ack's faq samurai sj-413 carburetor vacuum line maintenance

CARBURETOR (MANUAL CHOKE TYPE) CHEVROLET samurai+sj Samurai ...

Carburetor (manual choke type) chevrolet samurai+sj samurai ...

Suzuki G engine - Wikipedia

Suzuki g engine - wikipedia

0 Response to "33 suzuki samurai carburetor diagram"

Post a Comment

Iklan Atas Artikel

Iklan Tengah Artikel 1

Iklan Tengah Artikel 2

Iklan Bawah Artikel