Iklan 300x250

38 john deere bc1600 parts diagram

John Deere Amber Lens - LVU18745. (20) $10.71. Usually available. Add to Cart. Quick View. Homelite repair parts and parts diagrams for Homelite BC 1600 (UT-15198) - Homelite Brush Cutter Order Status Customer Support 512-288-4355 My Account Login to your PartsTree.com to view your saved list of equipment.

Parts lookup and repair parts diagrams for outdoor equipment like Toro mowers, Cub Cadet tractors, Husqvarna chainsaws, Echo trimmers, Briggs engines, etc. Order Status Customer Support 512-288-4355 My Account. Login to your PartsTree.com to view your saved list of equipment.

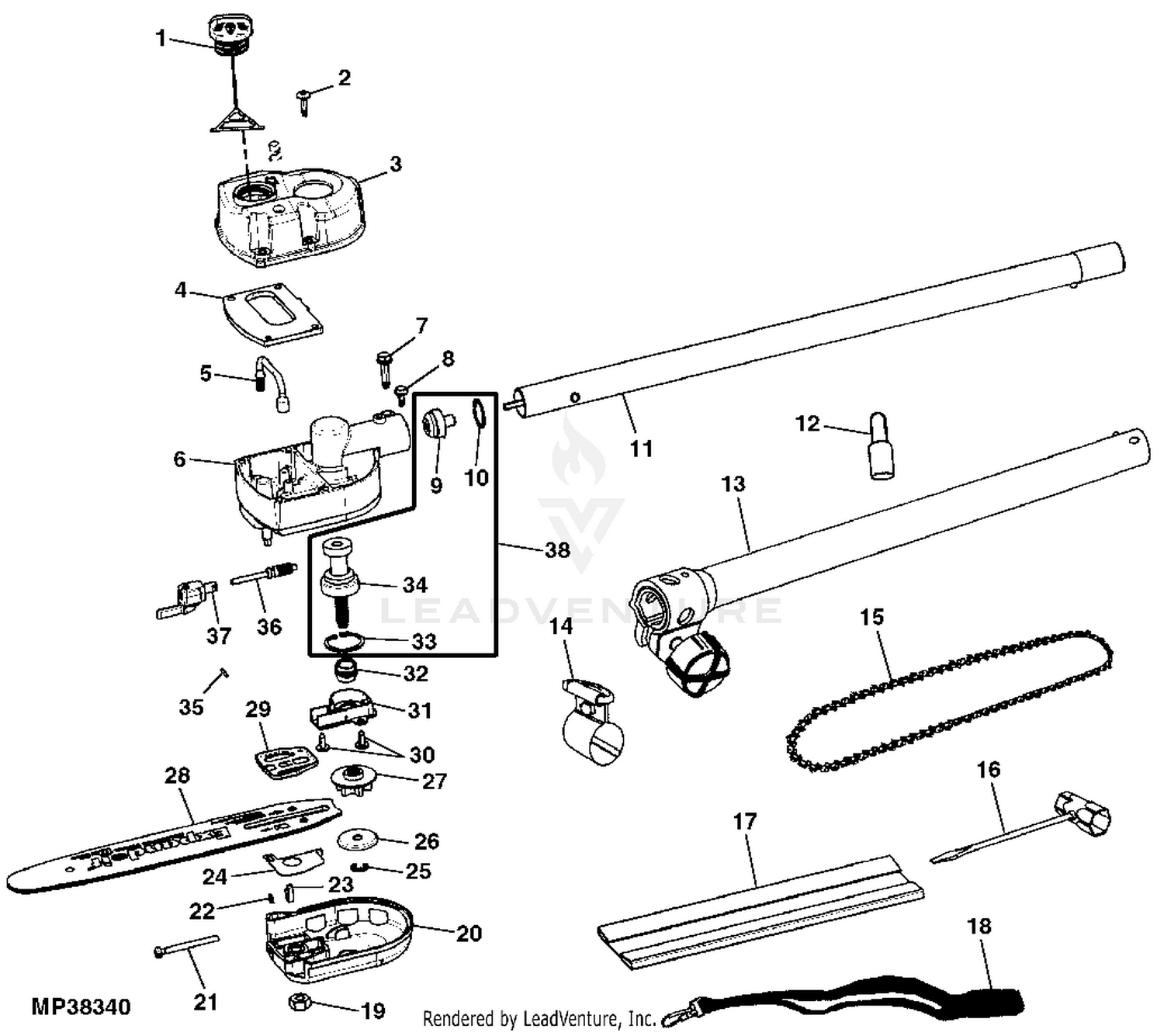
John deere bc1600 parts diagram

John deere bc1600 parts diagram

Due to the employee strike at John Deere, we are not receiving estimated in stock dates for all parts and equipment. John Deere PARTS LOOKUP. BC1600-String-Trimmer-Brushcutter--PC2904 Parts Diagram. BLOWER ATTACHMENT: ATTACHMENTS. EDGER ATTACHMENT: ATTACHMENTS. Use our part lists, interactive diagrams, accessories and expert repair advice to make your repairs easy. 877-346-4814. Departments Accessories Appliance Parts Exercise ... (BC1600) Trimmer Parts. John deere bc1600 parts diagram. Complete exploded views of all the major manufacturers. John deere parts lookup john deere bc1600 string trimmerbrushcutter pc2904. John deere c1200 parts diagram as well poulan weed eater parts diagram furthermore homelite weed eater parts diagram in conjunction with ryobi weed eater parts diagram in addition ...

John deere bc1600 parts diagram. Item 24 - 31 — Homelite BC1600 Trimmer/Brushcutter UT-15198 Parts Diagrams ... Parts Lookup - Enter a part number or partial description to search for parts within ... Homelite BC1600 Trimmer/Brushcutter UT-15198 Shaft - Spool & String - Grass Deflector Exploded View parts lookup by model. Complete exploded views of all the major manufacturers. It is EASY and FREE John Deere Parts Lookup -John Deere-BC1600 String Trimmer/Brushcutter -PC2904. BC1600 Trimmer/Brushcutter UT-15198 Page 1 of 10 Carburetor - Fuel Tank For Homelite Discount Parts Call 606-678-9623 or 606-561-4983 www.mymowerparts.com

( Brand: JOHN DEERE ), ( model : BC1600 ) Review (mpn: BC1600 for sale) BC1600 JOHN DEERE 30 Cc String Trimmer Gas Tank. Up for sale is a JOHN DEERE 30 cc string trimmer - gas tank. Please look at the pictures carefully and ask any questions that you may have before purchasing. I started this trimmer before it was taken apart and ran fine. John deere bc1600 parts diagram. Complete exploded views of all the major manufacturers. John deere parts lookup john deere bc1600 string trimmerbrushcutter pc2904. John deere c1200 parts diagram as well poulan weed eater parts diagram furthermore homelite weed eater parts diagram in conjunction with ryobi weed eater parts diagram in addition ... Use our part lists, interactive diagrams, accessories and expert repair advice to make your repairs easy. 877-346-4814. Departments Accessories Appliance Parts Exercise ... (BC1600) Trimmer Parts. Due to the employee strike at John Deere, we are not receiving estimated in stock dates for all parts and equipment. John Deere PARTS LOOKUP. BC1600-String-Trimmer-Brushcutter--PC2904 Parts Diagram. BLOWER ATTACHMENT: ATTACHMENTS. EDGER ATTACHMENT: ATTACHMENTS.

Green Parts Direct Com

Green Parts Direct Com

John Deere S1400 Clutch Cup Housing Trimmer Part Homelite Ut20810 Bin 46 18 43 Picclick Uk

John Deere S1400 Clutch Cup Housing Trimmer Part Homelite Ut20810 Bin 46 18 43 Picclick Uk

John Deere Bc1600 Owners Manual

John Deere Bc1600 Owners Manual

Homelite Sears Craftsman John Deere Cylinder Up06940 Bc1600 C1200 S Randy S Engine Repair

Homelite Sears Craftsman John Deere Cylinder Up06940 Bc1600 C1200 S Randy S Engine Repair

Stafair Ristekdikti Go Id

Stafair Ristekdikti Go Id

Comfortably Its String Trimmer Head Fit For Homelite Ryobi Ry30260 Ry 70101 70107 Toro Store Jabar Bkkbn Go Id

Comfortably Its String Trimmer Head Fit For Homelite Ryobi Ry30260 Ry 70101 70107 Toro Store Jabar Bkkbn Go Id

Oregon 55 265 450 Speed Feed Trimmer Head Straight Shaft Trimmers Lawnmower Pros

Oregon 55 265 450 Speed Feed Trimmer Head Straight Shaft Trimmers Lawnmower Pros

John Deere Bc1600 String Trimmer Brushcutter Pc2904 Fuel Tank Carburetor Bc1600 Stringtrimmer Brushcutter

John Deere Bc1600 String Trimmer Brushcutter Pc2904 Fuel Tank Carburetor Bc1600 Stringtrimmer Brushcutter

Carburetor 984549001 Ryobi John Deere Homelite Trimmer Randy S Engine Repair

Carburetor 984549001 Ryobi John Deere Homelite Trimmer Randy S Engine Repair

John Deere Bc1600 String Trimmer Brushcutter Pc2904 Pruner Attachment Attachments

John Deere Bc1600 String Trimmer Brushcutter Pc2904 Pruner Attachment Attachments

Weingartz Com

Weingartz Com

Weingartz Com

Weingartz Com

John Deere C1200 Weed Trimmer Manual

John Deere C1200 Weed Trimmer Manual

1200 Brushcutter Starter Ignition System Epc John Deere Up05270 Cce Online Avs Parts

1200 Brushcutter Starter Ignition System Epc John Deere Up05270 Cce Online Avs Parts

Homelite Bc1600 Trimmer Brushcutter Ut 15198 Parts And Accessories Partswarehouse

Homelite Bc1600 Trimmer Brushcutter Ut 15198 Parts And Accessories Partswarehouse

Cuisinart Dgb 500grd Grinder Small Kitchen Appliances Coffee Tea Espresso Parts Coffee Tea Espresso Makers

Cuisinart Dgb 500grd Grinder Small Kitchen Appliances Coffee Tea Espresso Parts Coffee Tea Espresso Makers

String Head Adapter 678019002 For Lawn Equipments Ereplacement Parts

String Head Adapter 678019002 For Lawn Equipments Ereplacement Parts

Up00034 Kit Fits John Deere Aftermarket Supply

Up00034 Kit Fits John Deere Aftermarket Supply

Homelite Genuine Gas Fuel Tank Kit C1200 Bc1600 C300 Bc900 Bc800 Us Seller Home Garden Garden Patio Suneducationgroup Com

Homelite Genuine Gas Fuel Tank Kit C1200 Bc1600 C300 Bc900 Bc800 Us Seller Home Garden Garden Patio Suneducationgroup Com

Bump Head Spool For John Deere C1200 S1400 Bc1600 Da98912d Da98912e Up00145 Up04807 Up06762 String Trimmer

Bump Head Spool For John Deere C1200 S1400 Bc1600 Da98912d Da98912e Up00145 Up04807 Up06762 String Trimmer

John Deere Bc1600 Weed Eater Hash Auctions

John Deere Bc1600 Weed Eater Hash Auctions

Weedeater Carburetor Rebuild Fuel Line Repair Part 3 Of 3 Youtube

Weedeater Carburetor Rebuild Fuel Line Repair Part 3 Of 3 Youtube

Kiskadi Tst Wzsuite Com Br

Kiskadi Tst Wzsuite Com Br

John Deere Owners Manuals John Deere Owners Manual Free Download Bc1600 Ut15198

John Deere Owners Manuals John Deere Owners Manual Free Download Bc1600 Ut15198

John Deere Bc1600 Cylinder W Crank Part No Up06940 For Sale Online Ebay

John Deere Bc1600 Cylinder W Crank Part No Up06940 For Sale Online Ebay

Ngk Zundkerzen 2016 By Walchli Bollier Issuu

Ngk Zundkerzen 2016 By Walchli Bollier Issuu

John Deere T26sb String Trimmer Parts List And Owners Manual On Popscreen

John Deere T26sb String Trimmer Parts List And Owners Manual On Popscreen

John Deere Bc1600 Weed Whacker For Parts Only On Popscreen

John Deere Bc1600 Weed Whacker For Parts Only On Popscreen

Bracket Battery For Cs340es Ovation 1992 Order At Cmsnl

Bracket Battery For Cs340es Ovation 1992 Order At Cmsnl

Fuel Tank Assembly 308123004 For Lawn Equipments Ereplacement Parts

Fuel Tank Assembly 308123004 For Lawn Equipments Ereplacement Parts

Amazon Com C1u H46 Homelite Ryobi Carburetor 984549001 120900026 Patio Lawn Garden

Amazon Com C1u H46 Homelite Ryobi Carburetor 984549001 120900026 Patio Lawn Garden

John Deere Bc1600 Cylinder W Crank Part No Up06940 For Sale Online Ebay

John Deere Bc1600 Cylinder W Crank Part No Up06940 For Sale Online Ebay

John Deere Bc1600 String Trimmer Brushcutter Pc2904 Fuel Tank Carburetor Bc1600 Stringtrimmer Brushcutter Reconditioned

John Deere Bc1600 String Trimmer Brushcutter Pc2904 Fuel Tank Carburetor Bc1600 Stringtrimmer Brushcutter Reconditioned

Zama New C1u H46 Genuine Oem Carburetor Buy Online In Ecuador At Desertcart Ec Productid 73918866

Zama New C1u H46 Genuine Oem Carburetor Buy Online In Ecuador At Desertcart Ec Productid 73918866

Pin On John Deere

Pin On John Deere

John Deer Weed Eater Repair Youtube

John Deer Weed Eater Repair Youtube

John Deere C1200 Parts Manual Deere C1200 Parts Manual Repair John Deere C1200 Rcc200 String Trimmer

John Deere C1200 Parts Manual Deere C1200 Parts Manual Repair John Deere C1200 Rcc200 String Trimmer

Homelite Bc1600 Trimmer Brushcutter Ut 15198 Parts And Accessories Partswarehouse

Homelite Bc1600 Trimmer Brushcutter Ut 15198 Parts And Accessories Partswarehouse

0 Response to "38 john deere bc1600 parts diagram"

Post a Comment

Iklan Atas Artikel

Iklan Tengah Artikel 1

Iklan Tengah Artikel 2

Iklan Bawah Artikel