37 yardman lawn mower parts diagram
Popular Yard Man Lawn Mower Parts. $ 27.83. In Stock. Add to cart. Mulching Blade. Fix Number FIX9169783. Manufacturer Part Number 942-0741A. This is a mulching blade for your lawn mower. It is located underneath the lawn mower deck, and cuts the grass by rotating. MTD 13AC762F755 (2007) Deck Assembly 38 Inch Parts Diagram. SWIPE SWIPE. .Quick Reference 762F765. Deck Assembly 38 Inch.
MTD parts and MTD parts diagrams MTD and the MTD logo ® MTD Products Inc, Cleve., OH USA. MTD outdoor power equipment has earned a reputation of affordable quality. We carry the complete line of genuine MTD parts for all MTD machines including lawnmowers, snowblowers, trimmers, tractors and more.

Yardman lawn mower parts diagram
HOLDWELL Control Cable 746-1130 946-1130 compatible with MTD Ryobi Bolens Cub Cadet Troy Bilt Yardman Lawn Mower Engine Conduit Length 40" Inner Wire Length 53". 2.5 out of 5 stars. 2. $7.90. Yard-Man Lawn & Garden Tractors parts with OEM Yard-Man parts diagrams to find Yard-Man Lawn & Garden Tractors repair parts quickly and easily Order Status Customer Support 512-288-4355 My Account Login to your PartsTree.com to view your saved list of equipment. Find parts for your Yard-Man Push Lawn Mower Model 11A-439Q755. Parts diagrams and manuals available. Free shipping on parts orders over $45.
Yardman lawn mower parts diagram. Yard-Man®. Yard-Man® strives to ensure you enjoy your yard by providing the best buy on the American landscape. Our diverse lineup of quality lawn equipment with great features gets the job done fast, allowing you to focus on what's important in life. Yard Man Riding Lawn Mower Model 13ap615p755 Mtd Parts. Mtd 13a 328 129 1999 parts diagram riding lawn mower wiring for yard man tractor machine model rewire lt b s 42a707 tractors 604 h 136 504 014 1986 electrical reverse gear issues ignition forum basic wireing key switch he 4160 134b561b190 30 r 10 bolens m 762 f huskee manual elect 13av90gs897 2018 turf pro 134y450f009 1994 13ao772g055 ... Find Parts by Diagram. Find all the genuine replacement parts for Yard-Man on our Parts Diagram. We carry everything for your machine and the Parts Diagram helps visualize every component found in your equipment. Give it a try and if you can't find what you are looking for or need assistance installing the new part, call 1-800-269-6215 today. Quality Yard-Man Lawn Mower Replacement Parts From Repair Clinic. If you depend on a Yard-Man 21-inch push or self-propel mower, or a Yard-Man 46-inch staggered lawn tractor, to maintain your yard, Repair Clinic has what you need to keep that equipment working hard.
Find genuine MTD oem parts for your lawn and outdoor equipment! ... of our popular links to find parts for your equipment. Part Finder; Shop Parts; Diagrams ... Yard-Man Walk-Behind Mowers parts with OEM Yard-Man parts diagrams to find Yard-Man Walk-Behind Mowers repair parts quickly and easily Order Status Customer Support 512-288-4355 My Account Login to your PartsTree.com to view your saved list of equipment. Yardman Drive Belt Diagram. Changing the drive belt on a MTD Yardman riding mower is part of a routine maintenance schedule. MTD, the maker of Yardman products, suggests changing. I need a diagram showing for a 20hp yardman tractor model number 13ATG We have parts, diagrams, accessories and repair advice to make your tool repairs Yard Man 13BTH ... Yard Man Lawn Tractor parts that fit, straight from the manufacturer. Use our interactive diagrams, accessories, and expert repair help to fix your Yard Man Lawn Tractor 877-346-4814. Departments ... 13AC76LF055 (2010) Yard Man Ride on Lawn Mower Parts 13AC76LF055 (2011) Yard Man Ride on Lawn Mower Parts 13AD604G401 (1999) ...
Parts lookup for Yardman power equipment is simpler than ever. Enter your model number in the search box above or just choose from the list below. Welcome to Yard-Man Spares. 16 November 2015 09:50 We stock a full range of Yard-Man spares and parts for all Yardman garden and lawn tractors, petrol and electric mowers, leaf blowers, blower vacuums, battery mowers, lawn edgers, snow throwers, tillers and lots more. Yard-Man®. Yard-Man® strives to ensure you enjoy your yard by providing the best buy on the American landscape. Our diverse lineup of quality lawn equipment with great features gets the job done fast, allowing you to focus on what's important in life. Yard-Man manufactures a wide range of lawn equipment, including riding and push mowers, lawn sweepers, edgers, chippers and shredders, snow removal equipment and cultivators. With proper maintenance and upkeep, you can expect to enjoy the capabilities these lawn machines have to offer for many years to come.
If you do not see the MTD Lawn Mower Parts you need, please complete the Lawn Mower Parts Request Form and we will be happy to assist you. How to Find MTD Model Number. MTD Illustrated Parts Diagrams. MTD : WALK BEHIND: 11A-020B006: Parts List: Engine Breakdown. 2011: MTD : WALK BEHIND: 11A-022B700: Parts List . 2003: MTD : WALK BEHIND ...
Find Parts by Diagram. Find all the genuine replacement parts for Yard-Man on our Parts Diagram. We carry everything for your machine and the Parts Diagram helps visualize every component found in your equipment. Give it a try and if you can't find what you are looking for or need assistance installing the new part, call 1-800-269-6215 today.
Yard Man 13an791g755 Yard Man Lawn Tractor 2005 Walmart Deck Assembly 42 Inch Parts Lookup With Diagrams Partstree
In fact, Yard-Man brand has been introduced as a part of the MTD family since 1975. Whatever lawn care needs you have, Yard-Man has developed a line of high-powered and innovative products (walk-behind mowers, trimmers, lawn tractors, snow throwers and others) to help you accomplish any garden job.
Lookup Parts by Diagram. Find the replacement parts you need to keep your lawn mower, snow blower and other outdoor power equipment performing strong and running like new. You can Browse our catalogs, or Search by Part Number or 11-digit factory Model Number to find your product's exploded Diagram Assemblies.
Yard Man Lawn Mower parts that fit, straight from the manufacturer. Use our interactive diagrams, accessories, and expert repair help to fix your Yard Man Lawn Mower . 877-346-4814. Departments Accessories Appliance Parts Exercise ...
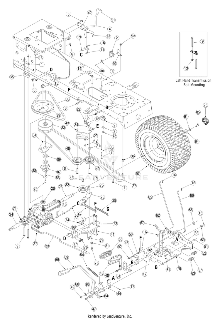
Description: Yard Man 126-849C401 Parts List And Diagram - (1996 with regard to Yardman Lawn Mower Parts Diagram, image size 590 X 711 px, and to view image details please click the image.. Here is a picture gallery about yardman lawn mower parts diagram complete with the description
Belt diagram for 46" mtd yard machine riding mower Belt diagram for 46" mtd. diagram of how to put the Blade belt on my Yardman 42' riding lawnmower I can& #39;t get my blade belt on Yeah, these belts can seem impossible to figure out.Fix your Yard Man Lawn Mower today with parts, diagrams, accessories and repair advice from eReplacement Parts!
Yardman 2003 Models Parts Lookup by Model. Order Status. Get Support. 1-877-737-2787. Hours of Operation. M-F 9a-6p ET. Sat 9a-5p ET. Contact Us ».
Yard-Man Lawn Mower 1060-5. Yard-Man 18 Inch Power Mower, 21 Inch Power Mower Manual. Pages: 11. See Prices. Yard-Man Lawn Mower 1060-6. Yard-Man Power Mower Owner's Operating Manual And Parts List. Pages: 12.
Wiring diagram for an MTD Yardman? I am looking for a wiring diagram for an MTD Yardman riding lawn mower Model 13BXG40 with a 42" deck and a hydrostatic transmission. The engine is a kohler 16 h.p. model CV16S. Any Help greatly appreciated. Displaying Wiring Diagram parts for the MTD 13ABB - Yard Machines Lawn Tractor (Builder's Square).
Amazon Com Mtd 918 0138c Spindle Assembly For 38 Inch And 42 Inch Decks Lawn Mower Belts Patio Lawn Garden
Description: Yard Man 126-849C401 Parts List And Diagram - (1996 with regard to Yardman Lawn Mower Parts Diagram, image size 590 X 711 px, and to view image details please click the image.. Here is a picture gallery about yardman lawn mower parts diagram complete with the description of the image, please find the image you need.
Small Engine Parts Specialists. Yardman Lawn Mower Replacement Parts. We carry a large inventory of lawnmower replacement parts. New parts are being. added on a regular basis. If you don't see the part you're looking for just ask for it. and we might have it in stock. Nous avons un gros inventaire de pièces de tondeuses.
YARD MAN (BY MTD) MODEL # 13ACF WIRING DIAGRAM.Wiring diagram for an MTD Yardman? I am looking for a wiring diagram for an MTD Yardman riding lawn mower Model 13BXG40 with a 42" deck and a hydrostatic transmission. The engine is a kohler 16 h.p. model CV16S. Any Help greatly appreciated. Fix your Yard Man Lawn Mower today with parts, diagrams ...
Amazon Com Hifrom Recoil Starter Pull Start Assembly Compatible With Mtd Yardman Troy Bilt Lawn Mower 751 10299 951 10299 1p61p0 951 10299a Patio Lawn Garden
Find parts for your Yard-Man Push Lawn Mower Model 11A-439Q755. Parts diagrams and manuals available. Free shipping on parts orders over $45.
Yard-Man Lawn & Garden Tractors parts with OEM Yard-Man parts diagrams to find Yard-Man Lawn & Garden Tractors repair parts quickly and easily Order Status Customer Support 512-288-4355 My Account Login to your PartsTree.com to view your saved list of equipment.
HOLDWELL Control Cable 746-1130 946-1130 compatible with MTD Ryobi Bolens Cub Cadet Troy Bilt Yardman Lawn Mower Engine Conduit Length 40" Inner Wire Length 53". 2.5 out of 5 stars. 2. $7.90.
46 Deck Manual Pto Diagram Parts List For Model 13ap605h755 Yardman Parts Riding Mower Tractor Parts Searspar Lawn Tractor Tractor Parts Workshop Layout
Mtd 13ah660f033 Mtd Lawn Tractor 2000 Ace Hardware Deck Lift Hanger Assembly Parts Lookup With Diagrams Partstree Lawn Tractor Yard Machine Tractors
Mtd Genuine Factory Parts 54 In Deck Spindle Assembly For Cub Cadet Troy Bilt And Mtd Riding Lawn Mowers And Zero Turn Mowers 918 06978 The Home Depot
Yard Machine Lawn Mower Manual Yard Man 12ae46ja001 21 Inch 173cc Mtd Ohv Gas Powered Side Discharge Bagging Mulching Fwd Self Propelled Lawn Mower From Yard Man
0 Response to "37 yardman lawn mower parts diagram"
Post a Comment