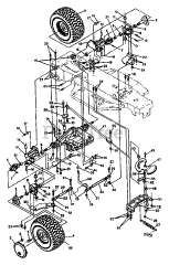
37 craftsman lt1000 deck engagement cable diagram
27 Craftsman Dls 3500 Parts Diagram Wiring List. Craftsman Riding Mower Steering Parts 3000 Lawn Tractor Cut Book. Craftsman Riding Lawn Mower Parts Diagram The Garden. Steering Assembly Diagram Parts List For Model 917273070. 35 Craftsman Lt1000 Drive Belt Diagram Wiring List. Xv 2766 Craftsman Mower Deck Diagram Lawn. Mower Deck 42-Inch diagram and repair parts lookup for Craftsman 247.289020 (13AJ77SS099) - Craftsman LT2000 Lawn Tractor (2010) (Sears) Order Status Customer Support 512-288-4355 My Account. Login to your PartsTree.com to view your saved list of equipment. ... Deck Cable Engagement Bracket. Part# 783-06243-0637.
How-to install a cable engagement on a craftsman lawn tractor.Craftsman, Poulan, AYP, Husqvarna part 175067, 169676 Deck clutch cable with spring..https://am...

Craftsman lt1000 deck engagement cable diagram
Gimiton 175067 169676 Deck Clutch Cable fit for Craftsman 42 inch Riding Mower for Poulan 169676 532169676 532175067 21547184 Craftsman LT1000 LT2000. 4.7 out of 5 stars. 56. $13.89. $13. . 89. Get it as soon as Wed, Aug 18. FREE Shipping on orders over $25 shipped by Amazon. Craftsman LT1000 (LT 1000-14) -Craftsman Lawn Tractor Craftsman Ltx Parts Diagram ~ welcome to our site, this is images about craftsman ltx parts diagram, replacement parts, electrical diagram, repair manuals, engine diagram, engine scheme, wiring harness, fuse box, vacuum . Provenpart craftsman lt1000 42 deck blade belt combo 138971 144959 ... Belt Diagram For Craftsman Riding Mower Lt1000. Simplicity 50 Mower Deck Belt Diagram. Gravely Mower Deck Belt Diagram. Husqvarna 54 Inch Deck Belt Diagram. Craftsman Riding Lawn Mower Drive Belt Diagram. Husqvarna Yth2348 Mower Deck Belt Diagram. Mtd Yard Machine 42 Inch Deck Belt Diagram. John Deere D130 42 Inch Deck Belt Diagram.
Craftsman lt1000 deck engagement cable diagram. Forum discussion: I have a Craftsman LT1000 ride on. It seems the cable to engage the blades has "e;strecthed"e; or come loose. After crawling on the ground for an hour, I simply cant find ... Craftsman Lawn Mower Model 917.272761 Parts. Craftsman Lawn Mower Model 917.272761 Parts are easily labeled on this page to help you find the correct component for your repair. Filter results by category, title and symptom. You can also view diagrams and manuals, review common problems that may help answer your questions, watch related videos, read insightful articles or use our repair help ... EFP Mower Blade Engagement Cable for AYP 532408319, 532435110, 435110, 408319 fits 42-inch and 46-inch Decks. 0. Sold by APS. $5.99. Craftsman Poulan Husqvarna Cable For 130861, 532130861. Engine Stop Cable For Craftsman, Poulan, Husqvarna. Description: Craftsman Riding Tractor Parts Diagram | Tractor Parts Diagram And regarding Craftsman Mower Deck Parts Diagram, image size 399 X 352 px, and to view image details please click the image.. Truly, we have been remarked that craftsman mower deck parts diagram is being one of the most popular topic at this moment. So we attempted to identify some great craftsman mower deck parts ...
MTD 13BL78ST099 (247.288853) (LT2000) (2013) Exploded View parts lookup by model. Complete exploded views of all the major manufacturers. It is EASY and FREE Belt Diagram For Craftsman Riding Mower Lt1000. I did a search for lawn mower manuals and found this site: There is a belt diagram on all craftsman L&G troctors located under running board. The Craftsman LT is a basic riding mower designed to cut residential lawns. Over time, the drive belt that turns the mower blades can wear down or break. Lawn Mower Steering Parts. 1bf63 Craftsman Lt2000 18 Hp Manual Wiring Library. Wrg 4423 Signature 2000 Lawn Mower Wiring Diagram. Solved Repair Manual For Craftsman Riding Mower. Craftsman Lt1000 Parts. 697ae Wiring Diagram For Craftsman Engines Library. 917 287241 Craftsman 21 Hp 46 Inch Automatic Lawn Tractor Manual. Craftsman LT3000 Manual. View or print the Sears Craftsman LT3000 Manual. The LT 3000 model was sold by Sears Company under the brand of Craftsman for many years. If you need the Sears Craftsman LT2300 Manual, we have provided it below. The LT3000 is a riding lawn mower. Click here to view LT 3000 Parts Listing. Open in New Window.
This video provides step-by-step instructions for replacing the clutch cable on Craftsman riding lawn mowers. The most common reason for replacing the cable ... Craftsman repair parts and parts diagrams for Craftsman LT1000 (LT 1000-14) - Craftsman Lawn Tractor (1991-03) Order Status Customer Support 512-288-4355 My Account Login to your PartsTree.com to view your saved list of equipment. Mtd 13al78st299 247288861 2012 Parts Diagram For Mower Deck 46 Inch throughout size 1180 X 1527. Craftsman 46 Mower Deck Belt Diagram - In the past few years, it Is simple to comprehend why hardwood decking Has become increasingly more prevalent. Hardwood decking is really durable because it's sourced from wood that is slow growing in tropical ailments. Get shopping advice from experts, friends and the community! I am trying to help an old neighbor. Sears Lawn Tractor, model 917272672; I looked at Manage my life and found on page 44 of the manual the no. 152, which I am very sure is the part she needs. I have the top piece of that cable with a little ball at the end and the bottom piece, the spring.
Oakten Lawn Mower Deck Engagement Cable For Mtd 746 04092 946 04092 Mtd Troy Bilt Super Bronco On 600 Series 23 0010 The Home Depot
Craftsman LT2000 Parts Diagram LT 2000 Parts View or print the Sears Craftsman LT2000 Parts List. The LT2000 model was sold by Sears Company under the brand of Craftsman for many years. If you need the Sears Craftsman LT2000 Parts List, we have provided it below. Click here to view LT 2000 Parts Listing View the Craftsman LT 2000 Manual
Amazon Com Ayp Lt1000 42 Deck Rebuild Kit Fits Sears Craftsman Mowers Lawn Mower Deck Parts Patio Lawn Garden
Get shopping advice from experts, friends and the community! I recently replaced my factory installed mower blades with a mulching kit. I attached the mulching kit and reattached the deck and the Deck Engagement cable. The Cable broke within 5 hrs of operation... The deck seemed to vibrate more than usually and I believe it was improper installation that caused it to break in the first place.
Craftsman Lawn Mower Model 917.272912 Parts. Craftsman Lawn Mower Model 917.272912 Parts are easily labeled on this page to help you find the correct component for your repair. Filter results by category, title and symptom. You can also view diagrams and manuals, review common problems that may help answer your questions, watch related videos, read insightful articles or use our repair help ...
MILLOR Deck Engagement Cable for Craftsman 42" Riding Mower 175067 169676 532169676. 4.3 out of 5 stars. 32. $10.98. $10. . 98. Get it as soon as Wed, Sep 22. FREE Shipping on orders over $25 shipped by Amazon.
Craftsman LT1000 Mower Deck Parts. Need craftsman lt1000 mower deck parts? We have parts diagrams for craftsman lt1000 mower deck parts and many more. View the parts diagrams to find your part number and price..
Lawn Tractor Blade Engagement Cable, 38 to 46-in 193235 parts - manufacturer-approved parts for a proper fit every time! We also have installation guides, diagrams and manuals to help you along the way!
Craftsman 917270671 front-engine lawn tractor parts - manufacturer-approved parts for a proper fit every time! We also have installation guides, diagrams and manuals to help you along the way!
Craftsman Dlt 3000 Deck Diagram. Did your Craftsman model lawn, tractor break down? SAVE money and To check the belt lower the deck to the lowest position and donĂ¢€™t start the engine. Visually inspect Craftsman lawn tractor DLT A: Thank you for. Parts Diagrams (11) Sears Lawn tractor keeps eatin the pulley and shaft on mower deck.
@houseofdavid, David , You may have to remove the gas tank if in the way, cable loops behind deck, then gets secured in a wire hanger or if missing, tie strap(use a couple) as you feed cable along, to inside frame rail/body above deck feeding it up to the control lever through slot/hole/opening.It is actually easier to hook cable up to the lever first and feed down from the top along frame ...
For Craftsman 42 Deck Engagement Clutch Cable Riding Mower Tractor 532175067" $10.78. ... 42" Deck Clutch Cable Fits Craftsman LT1000 DLT Lawn Mower Fits Husqvarna Poulan. $11.99. Free shipping Free shipping Free shipping. Picture Information. Image not available. Mouse over to Zoom-Click to enlarge. Hover to zoom. X. OEM CRAFTSMAN 197257 38 ...
EPR Distribution EPR Full Deck Rebuild Kit for Craftsman 42" LT1000 LT2000 130794 134149 144959 95" Belt. Sold by GrowKart. $76.99. All world Bearings 42" DECK REBUILD Replacement KIT for Husqvarna/ Sears / Craftsman LT 1000 and LT 2000 . ... SEARS CRAFTSMAN AYP 175067 Mower Deck Engagement Cable for Craftsman 42" Mower.
Belt Diagram For Craftsman Riding Mower Lt1000. Simplicity 50 Mower Deck Belt Diagram. Gravely Mower Deck Belt Diagram. Husqvarna 54 Inch Deck Belt Diagram. Craftsman Riding Lawn Mower Drive Belt Diagram. Husqvarna Yth2348 Mower Deck Belt Diagram. Mtd Yard Machine 42 Inch Deck Belt Diagram. John Deere D130 42 Inch Deck Belt Diagram.
Craftsman LT1000 (LT 1000-14) -Craftsman Lawn Tractor Craftsman Ltx Parts Diagram ~ welcome to our site, this is images about craftsman ltx parts diagram, replacement parts, electrical diagram, repair manuals, engine diagram, engine scheme, wiring harness, fuse box, vacuum . Provenpart craftsman lt1000 42 deck blade belt combo 138971 144959 ...
Gimiton 175067 169676 Deck Clutch Cable fit for Craftsman 42 inch Riding Mower for Poulan 169676 532169676 532175067 21547184 Craftsman LT1000 LT2000. 4.7 out of 5 stars. 56. $13.89. $13. . 89. Get it as soon as Wed, Aug 18. FREE Shipping on orders over $25 shipped by Amazon.
Craftsman Lt1000 Mower Deck Repair And Belt Replacement And Deck Install Youtube Deck Repair Building A Deck Diy Deck
Craftsman 247 288820 13a277ss099 Craftsman Lt1500 Lawn Tractor 2013 Parts Lookup With Diagrams Partstree
Craftsman Lawn Mower Wiring Diagram Wiring Diagram Collection In 2021 Craftsman Riding Lawn Mower Electrical Diagram Diagram
0 Response to "37 craftsman lt1000 deck engagement cable diagram"
Post a Comment