36 subaru o2 sensor wiring diagram
FORD Car Fault Codes DTC - Focus, Fusion, Mondeo, Transit, Kuga, EcoSport, C-Max, Fiesta, Maverick, Galaxie, Explorer, Escape, Ranger.. FORD Common Faults P0000 Code P0000 means that no errors were detected in the memory of the control unit P1000 EOBD system not tested before use. The P1000 code does not indicate a malfunction, but indicates a self-tuning EOBD. P1101: Intake airflow -incorrect: Wiring, mechanical fault, engine coolant temperature (ECT) sensor, barometric pressure (BARO) sensor, intake air temperature (IAT)sensor, manifold absolute pressure (MAP) sensor,mass air flow (MAF) sensor, throttle position (TP)switch: P1105: Secondary Vacuum Sensor Circuit: P1106 I just bought a 2017 chevy cruze for 8k with 91k miles as a backup car for my …
4 Wire Oxygen Sensor Wiring Diagram – 4 wire 02 sensor wiring diagram, 4 wire lambda sensor wiring diagram, 4 wire o2 sensor wiring diagram honda, Every electric arrangement is made up of various unique parts. Each component ought to be placed and linked to different parts in particular way. If not, the structure will not work as it ought to be.
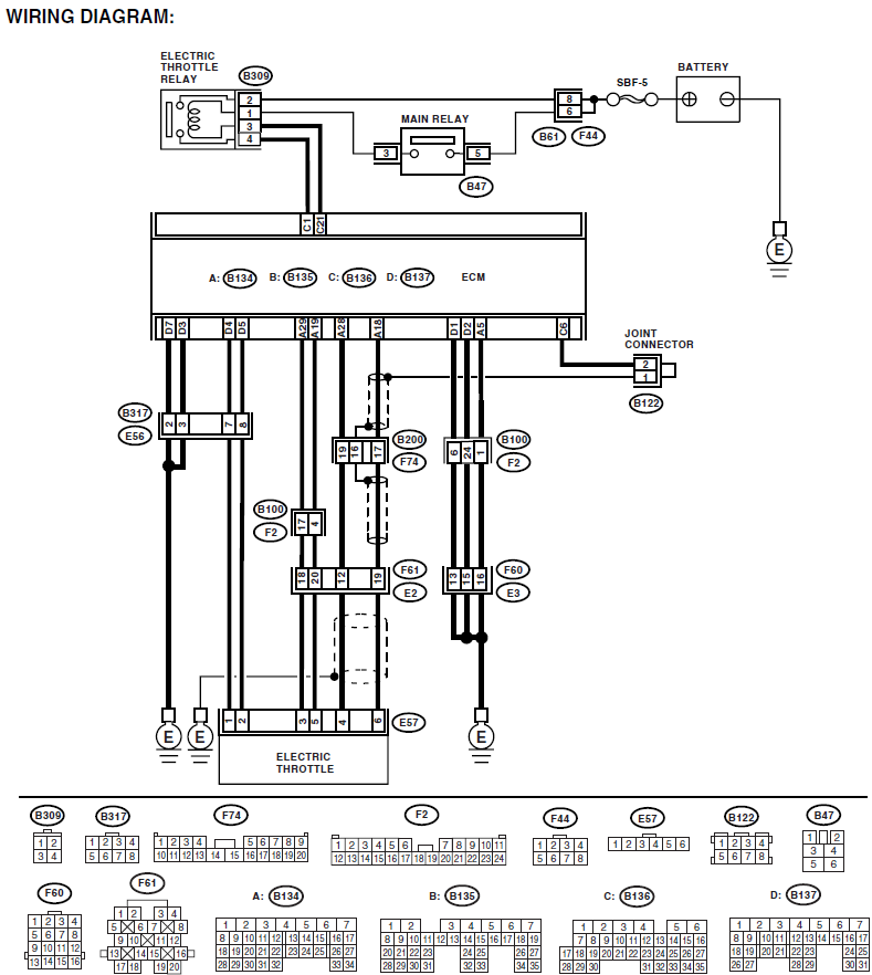
Subaru o2 sensor wiring diagram
The 2010+ international maxxforce 11, 13 engine wiring diagram provides information to assist with the correct servicing and troubleshooting of engine electrical systems and is essential for all mechanics carrying out repairs or diagnostics. 2007 international 4300 DT466 bad cam sensor symptoms and location Maxxforce 13: EGR valve replacement ... U0155 fix ... U0155 fix If you are saying the sensor lead is over 8 volts then you either have a mis-wired sensor or something inside the ECU is bad. The sensor voltage should be between .1 and .9 volts for the sensor wire. Under normal running conditions the voltage should be around a steady .45 volts. Either way, I doubt the shield wire is causing a problem.
Subaru o2 sensor wiring diagram. Google's not helping - everyone else's wiring harness uses different colors from mine - I have a unique subaru. :evilatyou: Some details, pics - JDM SF5 2000 (US MY2001), 3 wire sensor. 2 white, 1 black. On the harness side white, yellow/red, grey/white. The sensor is the one just below the axle. I know that the black wire is the critical one. 28 Jun 2009 — Thanks Bobby - I checked thru the wiring diagram and didn't see any reference to an O2 sensor? Seems like all the other sensors are there, ... 3 wire O2 sensor wiring. Help needed. Just installed UEL headers on the 98 forester and I accidentally ripped out the o2 wires out of the connector. (front o2 sensor before cat). I was curious if someone could reference me a pic or wiring diagram so that I know in what order the wires connect. o2 sensor has 2 white and 1 black one. O2 sensor wiring and test on 2001 subaru outback. This is the oxygen sensor wiring subaru forester owners forum of a imagine i get via the oxygen sensor wiring color codes package. I checked with the obdii scanner which showed that no dtcs were present but that the o2 and eva tests had not run yet.
O2 Sensor & Wiring DiagramsAmazon Printed Bookshttps://www.createspace.com/3623928Amazon Kindle Editionhttp://www.amazon.com/Automotive-Electronic-Diagnostic... 11 Jul 2011 — Does anyone have the wiring diagram for the front O2 sensor? Trying to disconnect the plug I ended with all the cables in my hand. 9 Sep 2012 — I accidentally pulled the wires off the plug, front sensor, ... For a 2004, the diagram I have shows two whites, a yellow/red and a black. 13 Feb 2019 — Have a 2003 forester xs the harness for the downstream o2 sensor broke from the ... The wiring diagram below is for the '03-'04 NA engine.
Oxygen sensor install mistake, dont know order of wires. I was installing a post cat (rear) o2 sensor on a 2001 subaru legacy gt wagon (2.5L sohc) and I made a mistake. I pulled out the 4 wires of the old o2 sensor from the “pig tail” connector. It looked like they were supposed to be removed. Anyway, now I don’t know the order of the wires. Hello I'm new and have just joined. I can't get my 2002 Subaru Forester inspected due to a wiring problem with the bank2 Oxygen sensor. Does anyone have a wiring harness diagram specifically for my 2002 Forester L? I saw something about a FSM but that was for a WRX and I don't know if they are the same. O2 Sensor Wiring Diagram. Unique- Welcome to help the blog, in this time period We’ll teach you in relation to o2 sensor wiring diagram. . And after this, this can be a first graphic: O2 Sensor Wiring Diagram Chevy Inspirational Magnificent Gm In from o2 sensor wiring diagram , source:mihella.me. 1998 Jeep Cherokee Xj Wiring Diagram Valid ... 498 Posts. Discussion Starter · #10 · May 16, 2014. plain OM said: If those wires were pulled out of the car's wiring harness connector, then they should be a white, a black, a white with black stripe, and a yellow with black stripe. Here's a diagram of the car's wiring harness connector looking face on, that is, not the end that the wires go ...
16 May 2016 — I have purchased a denso DX-0120 universal rear o2 sensor for my subaru forester 2001 non turbo. ... Relevant wiring diagram for you.
6 Dec 2007 — HI!! There , i have a 01 forester wiring schematic, but they leaven you with N.C.A.=no colour avail. when they get to rear oxygen sensor Its ...
If you are saying the sensor lead is over 8 volts then you either have a mis-wired sensor or something inside the ECU is bad. The sensor voltage should be between .1 and .9 volts for the sensor wire. Under normal running conditions the voltage should be around a steady .45 volts. Either way, I doubt the shield wire is causing a problem.
U0155 fix ... U0155 fix
The 2010+ international maxxforce 11, 13 engine wiring diagram provides information to assist with the correct servicing and troubleshooting of engine electrical systems and is essential for all mechanics carrying out repairs or diagnostics. 2007 international 4300 DT466 bad cam sensor symptoms and location Maxxforce 13: EGR valve replacement ...
Subaru Legacy Service Manual Dtc P0138 O2 Sensor Circuit High Voltage Bank 1 Sensor 2 Diagnostic Procedure With Diagnostic Trouble Code Dtc
Motors Lambda Probes Sensors Suneducationgroup Com For Toyota Corolla 1 3 1 4 1 5 Front 4 Wire Direct Lambda Oxygen Sensor 03408
P0030 Positive Voltage Coming From Negative Side O2 Sensor Heater Circut When Engine Off Ignition Switch Off Subaru Outback Forums
2004 Sienna Le Want To Splice Into My O2 Sensor For P0420 Code Hack Need Help With Resistor Capacitor Barrel Diode Toyota Sienna Forum Siennachat Com
 
     
     
     
     
     
     
     
     
     
     
     
     
     
     
    
0 Response to "36 subaru o2 sensor wiring diagram"
Post a Comment