Iklan 300x250

36 bolens 13am762f765 belt diagram

Bolens Lawn Mower Model 13AM762F765/2005 Parts. Bolens Lawn Mower Model 13AM762F765/2005 Parts are easily labeled on this page to help you find the correct component for your repair. Filter results by category, title and symptom. You can also view diagrams and manuals, review common problems that may help answer your questions, watch related videos, read insightful articles or use our repair ... Bolens 13AM762F065 (Deck 38") Riding Lawn Mower Replacement Belt Original Equipment Manufacturer Bolens OEM Part Number 95404062 Machine Riding Lawn Mower Model 13AM762F065 (Deck 38") Belt Type 4LK/AK Kevlar VBG Replacement Id APPL679657 Technical Specifications: (Inches) (mm) Outside Circumference 77.00 1955.80 Top Width 0.50 12.70 Belt Depth 0.3125 7.9375 Bands

Bolens repair parts and parts diagrams for Bolens 13AM762F765 - Bolens Lawn Tractor (2007) Order Status Customer Support 512-288-4355 My Account Login to your PartsTree.com to view your saved list of equipment.

Bolens 13am762f765 belt diagram

Bolens 13am762f765 belt diagram

Collection of bolens 13am762f765 wiring diagram. A wiring diagram is a simplified standard photographic representation of an electrical circuit. It reveals the components of the circuit as streamlined shapes, and the power and also signal connections between the gadgets. A wiring diagram typically offers information concerning the loved one ... Description: Bolens 11A-418A765 Parts List And Diagram - (2006 in Bolens Riding Mower Parts Diagram, image size 590 X 764 px, and to view image details please click the image.. Honestly, we have been remarked that bolens riding mower parts diagram is being just about the most popular issue at this time. So we tried to locate some terrific bolens riding mower parts diagram graphic for your needs. This particular picture (Bolens 13Am762F065 Parts List And Diagram - (2008 in Bolens Riding Mower Parts Diagram) previously mentioned is actually branded using: bolens 38 riding mower parts diagram, bolens lawn mower parts diagram model 13am762f765, bolens lawn mower parts manual, . put up by means of CARPNY TEAM from April, 1 2016.

Bolens 13am762f765 belt diagram. Product Description Replacement V-Type Belt For Some Lawn Mower Models V-Belt Replacement Works With Lawn Tractor Models From Bolens MTD Replacement Part Numbers: 954-04001A, 95404001A, 754-04001A, 75404001A Fits Bolens Lawn Mower Models: 13AC650F765, 13AG683G163, 13AG683H163, 13AM662F163, 13AM662F765, 13AM662G765, 13AM761F065, 13AM761F265, 13AM762F065, 13AM762F265, 13AM762F765, 13AN683G163 ... Bolens 13am762f765 Wiring Diagram Bolens tractor, Model no. 13AMF and have mispl;aced my owners manual. Cant find motor Model number on Bolens MTD Riding mower hp I/C OHV. bolens manuals what size belt model#13AMF Check with diagramweb.net help desk. Belt diagram for bolens riding mower - Answered by a verified Technician We use cookies to give you the best possible experience on our website. By continuing to use this site you consent to the use of cookies on your device as described in our cookie policy unless you have disabled them.Mtd model 13AMF lawn, tractor genuine partsMtd model ... We show you little of what is needed to be done to change a belt on a Bolens Tractor!Any questions feel free to ask ill best describe how to fix your issues....

MTD 13AM762F765 front-engine lawn tractor parts - manufacturer-approved parts for a proper fit every time! We also have installation guides, diagrams and manuals to help you along the way! Here you find the spare parts for Bolens Wiring diagram 13AM762F765 (2006) and you can order them online. We are your partner for Bolens spare parts. Diagram I-P: Diagram Q-X: Use the Chart to find your model, then the corresponding diagrams: Wisconsin engine instruction and illustrated parts manuals: S7d and S8d: S-10d, S-12d and S-14d: Tr10d, Tra10d, and Tra12d: Sam's Bolens, LLC P.O. Box 565 Crown Point, Indiana 46308 PHONE: (219) 661-1405: Updated 8-8-18: PHONE HOURS MON-FRI 9:00 am to 5 ... Need to fix your 13AM762F765 (2006) Lawn Tractor? Use our part lists, interactive diagrams, accessories and expert repair advice to make your repairs easy.

*Parts listed below*How to Replace the drive belts on a Bolens (MTD) riding mower with the Varidrive belt system. The Varidrive system uses two belts rather ... Ryobi 13AM762F765 (2005) Parts Diagrams. Parts Lookup - Enter a part number or partial description to search for parts within this model. There are (347) parts used by this model. SPACER 5/8 ID X 2. You probably know already that bolens 38 deck belt diagram is one of the top topics over the internet today. According to info we had from google adwords, bolens 38 deck belt diagram has a lot of search in google search engine. Bolens Lawn Mower Parts Diagram Model 13amf Displaying sections and components for the MTD 13AMF - Bolens Lawn Tractor ... 36 bolens riding mower belt diagram Written By Christine J. Bell. Tuesday, November 23, 2021 Add Comment Edit. Find Parts by Diagram. Find all the genuine replacement parts for Bolens on our Parts Diagram. We carry everything for your machine and the Parts Diagram helps visualize every component found in your equipment. Give it a try and if you ...

Montgomery Ward Lawn Tractor

Montgomery Ward Lawn Tractor

Bolens riding mower owneroperating manual 36 pages. To service the drive belt. Bolens Mtd Lawn Mower Riding Parts Teamtab Co How to replace the drive belts on a bolens mtd riding mower with the varidrive belt system. Bolens 38 inch riding mower belt diagram. Mtd 783 04602c 0638 replaces 783 04602a 0638 belt cover red. Lawn garden tractor parts.

Mtd Yard Machines 38 Inch Mower Deck Installation And Removal Youtube

Mtd Yard Machines 38 Inch Mower Deck Installation And Removal Youtube

Download the manual for model MTD 13AM762F765 front-engine lawn tractor. Sears Parts Direct has parts, manuals & part diagrams for all types of repair projects to help you fix your front-engine lawn tractor!

Oem Bolens Lawn Tractor Parts 13am762f765 Repair Videos Diagrams Fix Com

Oem Bolens Lawn Tractor Parts 13am762f765 Repair Videos Diagrams Fix Com

20% Off Your Lowe's Advantage Card Purchase: Accounts Opened in Store: One-time 20% off discount is not automatic; you must ask cashier to apply discount (bar code) at time of in-store purchase.Accounts opened online, via Text-to-Apply or QR code: You will receive one-time 20% off coupon/promotional code, which may be used in store or online. Max discount is $100 with this offer.

Bolens 38 Deck Belt Cheap Online

Bolens 38 Deck Belt Cheap Online

Gallery Of Bolens 13am762f765 Wiring Diagram Sample. Assortment of bolens 13am762f765 wiring diagram. A wiring diagram is a streamlined standard pictorial depiction of an electrical circuit. It reveals the parts of the circuit as simplified forms, and the power and signal connections between the devices. A wiring diagram normally gives info ...

Mtd 13am762f765 Operator S Manual Pdf Download Manualslib

Mtd 13am762f765 Operator S Manual Pdf Download Manualslib

The best way to find parts for Bolens lawn tractor model 13AM762F765 / 2006 is by clicking one of the diagrams below. You can also browse the most common parts for Bolens lawn tractor model 13AM762F765 / 2006.

Bolens 13am762f765 2005 Lawn Tractors Partswarehouse

Bolens 13am762f765 2005 Lawn Tractors Partswarehouse

How do I install the Deck Belt & PTO Belt on a 38-in Bolens MTD Lawn Tractor? I can't get it onto the Idler Bracket. ... have gone by diagram but belt isn't tight enough to engage the mower. Can you call me. ... I have a 13am762f765 bolen mower and the spring broke on the deck and I have tried to get a clear pic where the springs go and cant ...

Bolens Lawn Tractor Parts Cheap Online

Bolens Lawn Tractor Parts Cheap Online

Find parts for your Bolens Riding Lawn Mower Model 13AM762F765. Parts diagrams and manuals available. Free shipping on parts orders over $45.

Venta Bolens 38 Inch Riding Mower Drive Belt En Stock

Venta Bolens 38 Inch Riding Mower Drive Belt En Stock

Belt diagram for bolens riding mower - Answered by a verified Technician. We use cookies to give you the best possible experience on our website. ... HI ,I bought Bolens 15.5 hp 38 in riding mower model # 13am762f765… HI ,I bought Bolens 15.5 hp 38 in riding mower model # XXXXX ...

Venta Bolens 13am762f765 En Stock

Venta Bolens 13am762f765 En Stock

MTD 13AM762F765 (2007) Drive Parts Diagram. SWIPE SWIPE. .Quick Reference 762F765. Deck Assembly 38 Inch. Drive. Engine Accessories.

Bolens Lawn Tractor 13am762f765 Ereplacementparts Com

Bolens Lawn Tractor 13am762f765 Ereplacementparts Com

BOLENS 13AM762F765 MANUAL, INDIA READ KALBELA. India read kalbela. Parts list diagram, ltx16 twin hydro, bolens l0403072. Mtd 420/38 broken belt replacement.

Venta Bolens 38 Inch Riding Mower Drive Belt En Stock

Venta Bolens 38 Inch Riding Mower Drive Belt En Stock

Need parts for your model 13AM762F765 - Bolens Lawn Tractor? We have the OEM parts that you're looking for! Parts orders over $50 ship free. All orders placed before 5 pm ship next day.

Oem Bolens Lawn Tractor Parts 13am762f765 Repair Videos Diagrams Fix Com

Oem Bolens Lawn Tractor Parts 13am762f765 Repair Videos Diagrams Fix Com

This particular picture (Bolens 13Am762F065 Parts List And Diagram - (2008 in Bolens Riding Mower Parts Diagram) previously mentioned is actually branded using: bolens 38 riding mower parts diagram, bolens lawn mower parts diagram model 13am762f765, bolens lawn mower parts manual, . put up by means of CARPNY TEAM from April, 1 2016.

Solved How Do I Adjust The Brakes On My Bolens Lawn Fixya

Solved How Do I Adjust The Brakes On My Bolens Lawn Fixya

Description: Bolens 11A-418A765 Parts List And Diagram - (2006 in Bolens Riding Mower Parts Diagram, image size 590 X 764 px, and to view image details please click the image.. Honestly, we have been remarked that bolens riding mower parts diagram is being just about the most popular issue at this time. So we tried to locate some terrific bolens riding mower parts diagram graphic for your needs.

Mtd 13am772g755 2007 Parts Diagram For Drive

Mtd 13am772g755 2007 Parts Diagram For Drive

Collection of bolens 13am762f765 wiring diagram. A wiring diagram is a simplified standard photographic representation of an electrical circuit. It reveals the components of the circuit as streamlined shapes, and the power and also signal connections between the gadgets. A wiring diagram typically offers information concerning the loved one ...

Mtd 13ac762f755 2007 Parts Diagram For Drive

Mtd 13ac762f755 2007 Parts Diagram For Drive

Bolens Lawn Tractor 13am761f065 Ereplacementparts Com

Bolens Lawn Tractor 13am761f065 Ereplacementparts Com

Uzl8onvf1wugvm

Uzl8onvf1wugvm

Mtd 38 In Deck Drive Belt For Riding Mower Tractors 17 In L In The Lawn Mower Belts Department At Lowes Com

Mtd 38 In Deck Drive Belt For Riding Mower Tractors 17 In L In The Lawn Mower Belts Department At Lowes Com

Mtd Lawn Tractor 13am762f765 Ereplacementparts Com

Mtd Lawn Tractor 13am762f765 Ereplacementparts Com

Bolens Lawn Tractor 13am762f765 Ereplacementparts Com

Bolens Lawn Tractor 13am762f765 Ereplacementparts Com

1

1

Parts For Bolens 13am762f765 2006 Deck Assembly 38 Inch Parts Appliancepartspros Com

Parts For Bolens 13am762f765 2006 Deck Assembly 38 Inch Parts Appliancepartspros Com

Mtd Lawn Mower Parts Diagram Wiring Site Resource

Mtd Lawn Mower Parts Diagram Wiring Site Resource

Bolens Lawn Tractor 13am762f765 Ereplacementparts Com

Bolens Lawn Tractor 13am762f765 Ereplacementparts Com

13am762f765 Deck Belt Off 56

13am762f765 Deck Belt Off 56

Bolens 13am762f765 Parts Off 67

Bolens 13am762f765 Parts Off 67

Solved I Need A Diagram Of A Bolens 15 5hp 38 Fixya

Solved I Need A Diagram Of A Bolens 15 5hp 38 Fixya

Solved I Own A 2005 Bolens 38 Lawn Tractor 15 5 Horse Fixya

Solved I Own A 2005 Bolens 38 Lawn Tractor 15 5 Horse Fixya

Bolens Deck Belt Routing The Tractor Guys

Bolens Deck Belt Routing The Tractor Guys

Bolens 13am762f765 Bolens Lawn Tractor 2007 Parts Lookup With Diagrams Partstree

Bolens 13am762f765 Bolens Lawn Tractor 2007 Parts Lookup With Diagrams Partstree

Bolens 13am762f765 2006 Lawn Tractors Partswarehouse

Bolens 13am762f765 2006 Lawn Tractors Partswarehouse

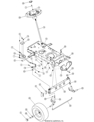
Mtd 13am762f765 2007 Parts Diagram For Steering

Mtd 13am762f765 2007 Parts Diagram For Steering

Mtd 13am762f765 2007 Parts Diagram For Deck Assembly 38 Inch

Mtd 13am762f765 2007 Parts Diagram For Deck Assembly 38 Inch

Mtd 13am762f765 2007 Parts Diagram For Deck Assembly 38 Inch

Mtd 13am762f765 2007 Parts Diagram For Deck Assembly 38 Inch

I Have A Huskee Supreme Slt 4200 Trying To Change The Drive Belt But Can T Find A Diagram Or Video Of How To Anywhere I

I Have A Huskee Supreme Slt 4200 Trying To Change The Drive Belt But Can T Find A Diagram Or Video Of How To Anywhere I

Ryobi 13am762f765 2006 Parts Diagrams

Ryobi 13am762f765 2006 Parts Diagrams

0 Response to "36 bolens 13am762f765 belt diagram"

Post a Comment

Iklan Atas Artikel

Iklan Tengah Artikel 1

Iklan Tengah Artikel 2

Iklan Bawah Artikel