35 mclane reel mower parts diagram
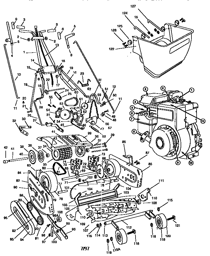
Mclane reel mower parts diagram. Home mcclane walk behind lawn mower parts mcclane walk behind lawn mower parts 20 3rp 7 mcclane walk behind lawnmower gas. Push or engine both use a superior induction heat treated reel and bedknife to give a high quality cut. Cant find your part or want to change an order. McLane 25" Bed Knife for Front Throw Mower Genuine Part#4103-a Made in U.s.a. $174.95 New. McLane Edger Pivot Bolt W/2x Flat Washer 7/16" Genuine Part# 2049 & 1120. $13.99 New. McLane Edger Shaft With Pulley 2033. $48.95 New. $20.00 Used. McLane 20" Front Throw Reel Mower Sprocket Set 1069 1088 1091-a. $44.95 New.
mclane reel mower parts diagram Files for free and learn more about mclane reel mower parts diagram. These Files contain exercises and tutorials to improve your practical skills, at all levels! These Files contain exercises and tutorials to improve your practical skills, at all levels!

Mclane reel mower parts diagram
View and Download Mclane 20'' owner's handbook manual online. ... 20'' lawn mower pdf manual download. ... Front Throw Reel Mower Repair Parts. McLane Reel Mower Parts. Retail Customers: Your order may be fulfilled by a local retail dealer to expedite shipment and honor our contractual agreements. SOME BROWSERS MAY REQUIRE THAT YOU RIGHT CLICK AND OPEN THESE LINKS IN A NEW WINDOW: CLICK HERE For McLane Reel Mower Parts Book. CLICK HERE For McLane Parts Price List. Mclane Reel Mowers and Edgers are available with your choice of Honda or Briggs & Stratton Engines. If you have questions, need additional information, or prefer to place your equipment order by phone, please call (800) 992-0177. Our hours of operation are Monday-Thursday 9am-4pm Eastern Standard Time, and 9am-12 noon on Fridays. .
Mclane reel mower parts diagram. 3 Front Throw Reel Mower Features ... 12-14 Lawn Mower Parts Illustration ... Read the Operating and Service Instruction Manual carefully. Refer to the Front Throw Reel Mower Repair Parts illustration.Mclane Front Throw Mower 20"- 25" Front Caster Wheel & Tire Complete Mclane Reel Lawn Mower 2-Link Chain with Master Link Genuine Original Equipment Manufacturer (OEM) Part by Mclane. Mclane Reel Mower Parts Diagram ~ thank you for visiting our site, this is images about mclane reel ... Front Throw Reel Mower Features. Assembly ... For two years from purchase (60 days for commerciat use) McLane Manufacturing ... Reel and main drive bearings.16 pages McLane Manufacturing, Inc. NOTE: Operator abuse and improper assembly of product is not covered by any written or implied warranty. Read your Owner's. Manual ...14 pages
1075-ANut (1075-A) McLane. $1.35. Nut by McLane Mower SKU: 1075-A Will fit both 20” and 25” McLane Reel Mowers For more detailed INFO, please consult our parts diagrams. $1.35. Sale. Quick shop. Add to cart. Sale. Mclane Parts Diagram. For two years from purchase (60 days for commerciat use) McLane Manufacturing. Inc., will replace for the odginaI purchaser, free of charge, any part or parts, found upon examination by instructions described in the owner's manual. Routine. List of available parts for Mclane lawn edgers. list it so you can place your order. 17 TEETH SPROCKET FOR 25″ MOWER $ 53.44 Add to cart Quick View; Sale! 17″ DRIVE SPRING $ 8.82 $ 8.22 Add to cart Quick View; 17″ MOWER RIGHT CATCHER HOOK $ 7.78 Add to cart Quick View; 2-LINK CHAIN WITH MASTER LINK $ 6.27 Add to cart Quick View; Sale! 20″ BACKLAPPING KIT AFTER 1990 $ 113.00 $ 110.00 Add to cart Quick View; 20 ... I have backlapped a McLane mower before, so I have the gear puller needed to remove the sprocket from the reel. I'm acquainted with the three bolts that hold the reel and which must be loosened and retightened when adjusting reel to bedknife clearance. That's the limit of my experience in messing with the reel.
Results 1 - 16 of 7000+ — Price and other details may vary based on product size and color. Amazon's Choicefor MCLANE PARTS · GW Belts Reel Mower Drive ... Mclane Reel Mowers and Edgers are available with your choice of Honda or Briggs & Stratton Engines. If you have questions, need additional information, or prefer to place your equipment order by phone, please call (800) 992-0177. Our hours of operation are Monday-Thursday 9am-4pm Eastern Standard Time, and 9am-12 noon on Fridays. . McLane Reel Mower Parts. Retail Customers: Your order may be fulfilled by a local retail dealer to expedite shipment and honor our contractual agreements. SOME BROWSERS MAY REQUIRE THAT YOU RIGHT CLICK AND OPEN THESE LINKS IN A NEW WINDOW: CLICK HERE For McLane Reel Mower Parts Book. CLICK HERE For McLane Parts Price List. View and Download Mclane 20'' owner's handbook manual online. ... 20'' lawn mower pdf manual download. ... Front Throw Reel Mower Repair Parts.
0 Response to "35 mclane reel mower parts diagram"
Post a Comment