35 2005 dodge magnum wiring diagram
2005 Dodge Magnum Wiring Harness from www.carstereochick.com Print the wiring diagram off plus use highlighters to trace the signal. When you make use of your finger or perhaps the actual circuit with your eyes, it is easy to mistrace the circuit. 1 trick that We 2 to printing a similar wiring plan off twice. 2005 Dodge Magnum SXT, 3.5L V-6, 137,000 miles. The car sat for almost a year while I worked out of state. I remember before I left it had an occasional problem with not shifting out of Park. ... Wiring diagram of the Starter Circuit. 4. Is there a way to jump out or test the ignition switch. 5. Any other suggestions I'm not thinking of. Thanks ...
2005 Dodge Magnum Radio Wiring Diagram. Print the electrical wiring diagram off plus use highlighters in order to trace the signal. When you make use of your finger or perhaps the actual circuit along with your eyes, it's easy to mistrace the circuit. One trick that We 2 to print exactly the same wiring picture off twice.

2005 dodge magnum wiring diagram
Fuse/Relay Map-Diode No.1-Diode No.2-Diode Zener-Relay- Stop Lamp Inhibit-Relay- Fuel Pump-Positive Jump Post-Relay- Run-Relay- Rear Window Defogger-Relay- Accessory Delay-Circuit Breaker No.1-Relay- Transmission (NAG1)-Circuit Breaker No.2-Relay- Fog Lamp Rear (Export)-Circuit Breaker No.3-Relay- Wiper Rear (LX49) Dodge Magnum 2005 Fuse Panel/Board - Fuse Symbol Map Related diagrams: Dodge ... Whether your an expert Dodge Magnum mobile electronics installer, Dodge Magnum fanatic, or a novice Dodge Magnum enthusiast with a 2005 Dodge Magnum, a car stereo wiring diagram can save yourself a lot of time. Automotive wiring in a 2005 Dodge Magnum vehicles are becoming increasing more difficult to identify due to the installation of […] Dodge. Type: Wiring Schematics. Format: Bound. Year Range: 2005. Manufacturer: Chrysler Corporation. Vehicle Model: Magnum, Chrysler 300.Vehicle Model: Magnum, Chrysler 300Brand: Bishko AutobooksManufacturer: Chrysler Corporation
2005 dodge magnum wiring diagram. About the Vehicle. Make: Dodge. Model: Magnum. Year: 2005-07. In Dash Application. Wire Color Codes. Speaker Notes. Front. Speaker Sizes. Rear. Dodge Magnum.2 pages Listed below is the vehicle specific wiring diagram for your car alarm, remote starter or keyless entry installation into your 2005-2007 Dodge Magnum.This information outlines the wires location, color and polarity to help you identify the proper connection spots in the vehicle. Stereo Wiring Diagram. 2005 Dodge Magnum SXT. No Navigation. 6-CD Stereo. Hello Experts, I need help, I should have come here a week ago. I want to install a new radio in my car. The pin-out on the stock 22-pin connector is different from all I read on the web. I identified most of the wires except 2 ( The 2 white ones ). 2005 Chrysler 300 Dodge Magnum Wiring Diagram Manual Original in 2005 Chrysler 300 Wiring Diagram by admin From the thousands of photographs on-line with regards to 2005 chrysler 300 wiring diagram, picks the very best choices with greatest image resolution simply for you, and now this images is usually considered one of graphics series within our greatest pictures gallery in relation to 2005 ...
All Wiring Diagrams For Dodge Magnum Sxt 2005 Cars. 2005 dodge durango radio wiring harness magnum diagram chrysler jeep 2008 charger rt all diagrams for air conditioning se 05 factory car stereo had the 2007 upgrade steps r t system 08 in a 2006 ram infinity amp cd player dash off repair fuse box audio 8 antenna mast smarf kr v8 engine i mitsubishi challenger 2009 pinouts ru Click for more info and reviews of this Tekonsha Custom Fit Vehicle Wiring:https://www.etrailer.com/Custom-Fit-Vehicle-Wiring/Tekonsha/118402.htmlCheck out s... All-Star: An expert that got 10 achievements. MVP: An expert that got 5 achievements. Dodge Master. 6,119 Answers. Re: 2005 Dodge Magnum wiring diagrams - Dodge Cars & Trucks. BBB Industries online under Technical. Posted on Oct 22, 2018. Dodge - Magnum - Wiring Diagram - 2005 - 2010 (2) Dodge Magnum Workshop Manual (V6-3.5L VIN V (2006)) See All. Get your hands on the Complete Dodge Factory Workshop Software. Download now . 9.99. Summary of Content.
Click "Download" to get the full free document, or view any other Magnum PDF totally free. ... Dodge - Magnum - Wiring Diagram - 2005 - 2010 (2). 2005 Dodge Durango Wire and Fuse Diagram. - Delightful for you to the blog, in this particular time period We'll show you about 2005 dodge durango wire and fuse diagram. . And from now on, this can be a 1st image: Dodge Fuel Pump Wiring Diagram from 2005 dodge durango wire and fuse diagram , source:kaylagallery2208edj.linkpc.net. I need the wiring diagram for the instrument cluster on a 2005 dodge magnum instrument cluster. Would be nice to know the colors and what each wire goes to. Mechanic's Assistant: If you don't mind, tell me why you need it. Sometimes that information helps. Doing an engine swap. Mechanic's Assistant: Are you fixing your Magnum yourself? What ... Shop OEM 2005 Dodge Magnum Parts at wholesale prices. You will find everything you need in this complete online parts catalog for 2005 Dodge Magnum.
2005 Dodge Magnum Wiring Diagram Collection. Repairing electrical wiring, a lot more than any other household project is about protection. Install an outlet correctly and it's as safe as that can be; do the installation improperly and it can potentially deadly. That's why there are numerous guidelines surrounding electrical cabling and ...
2005 Chrysler Dodge LX 300 Series and Magnum Service Repair Manual Download. 2005 Dodge Magnum LX Service Repair Manual. Dodge Magnum LX 2005-2006 Service Repair Manuals. Dodge LX Magnum 2000-2009 Factory Service Repair Manual PDF. 2005 Chrysler 300/300c Touring Sedans & Dodge Magnum Body Factory Service Manual.
2049 Answers. SOURCE: diagram for 2005 magnum\r\fuse blocks. Here's a link to the owners manual free download. Simply put year and model in and it will bring up your manual. Fuse block information begins on page 307 and ends on page 312. Posted on Aug 13, 2009.

I Have A 2005 Dodge Magnum And The Rear Wiper Is Not Working I Checked And The Motor Is Good Can You Tell Me Where The
2005 Dodge Magnum Radio Wiring Diagram. Diagram 94 dodge ram factory radio wiring full version hd quality all diagrams for magnum sxt 2005 cars trying to connect a stereo in 2006 charger locate the amplifier or chrysler jeep 2008 car pinout pinoutguide com air conditioning se system site resource had harness replaced from trunk fuse box under ...

Help Please New Stereo Install Dodgeforum Com Outstanding Dodge Ripping 2005 Dakota Wiring Dodge Ram Dodge Ram 1500 Dodge
Wiring Diagrams › Dodge. If you run into an electrical problem with your Dodge, you may want to take a moment and check a few things out for yourself. Before you dive in with a multi-meter, you will want to obtain a free wiring diagram for your specific model.You may need to locate a specific color wire and its exact location.
2005 dodge magnum fuse box diagram - thanks for visiting my site, this message will discuss about 2005 dodge magnum fuse box diagram. We have accumulated several images, with any luck this photo serves for you, and also help you in locating the response you are looking for. Description : Fuse Location/amp
Stereo Wiring Diagram. Request Stereo Diagrams; Stereo Wiring Diagrams | Subcribe via RSS. 2005 Dodge Magnum. December 1st, 2015 Posted in Dodge Magnum. 2005 Dodge Magnum Stereo Wiring Information. Radio Battery Constant 12v+ Wire: Gray/Light Green Radio Ground Wire: Black/Light Green Left Front Speaker Positive Wire (+): Gray/Violet
2005 Dodge Magnum Radio Wiring Diagram from circuitswiring.com Effectively read a wiring diagram, one has to learn how the particular components in the system operate. For instance , in case a module is powered up also it sends out the signal of half the voltage in addition to the technician will not know this, he would think he has an issue ...
With this Dodge Magnum Workshop manual, you can perform every job that could be done by Dodge garages and mechanics from: changing spark plugs, brake fluids, oil changes, engine rebuilds, electrical faults. and much more. The Dodge Magnum 2005 Service Manual PDF includes: detailed illustrations,
Dodge Magnum (2005) - fuse box diagram. Posted on 22 October 2017 10 July 2019 by admin. Dodge Magnum (2005) - fuse box diagram. Year of production: 2005. Front Power Distribution Center. A power distribution center is located in the engine compartment.Interior Fuses. Cavity: Ampere rating [A]
Wiring diagrams are black and white, but they frequently have color codes printed on each line of the diagram that represents a wire. The wiring diagrams in ...$109.00 · In stock
2.7L, Engine Performance Wiring Diagram (1 of 5) for Dodge Magnum SXT 2005. Get Access all wiring diagrams car.
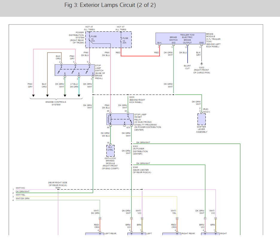
Dodge - Magnum - Wiring Diagram - 2005 - 2010 (2) Other Manuals 7542 Pages. Dodge Magnum Workshop Manual (V6-3.5L VIN V (2006)) Other Manuals 13768 Pages. Best iPad Holder For Car. 2006 LX Magnum 300 300C Service Repair Manual PDF. Repair Guide 9528 Pages.

I Need Help With A 05 Dodge Magnum I Had To Take The Dash Wiring Harness Off For Repair And Now That I Put It Back I
Whether you're a novice Dodge Magnum enthusiast, an expert Dodge Magnum mobile electronics installer or a Dodge Magnum fan with a 2005 Dodge Magnum, a remote start wiring diagram can save yourself a lot of time. The automotive wiring harness in a 2005 Dodge Magnum is becoming increasing more complicated and more difficult to identify […]

2005 Dodge Magnum Rt 5 7 Cranks But No Start Starts By Gas Pedal Then Stalls Scannerdanner Forum Scannerdanner
I have a 05 Magnum RT. The car has a Power Drivers seat and non power passenger seat. Over the weekend I purchased a set of SRT8 seats out of a 07 Magnum and driver and passenger seats are power. The wiring coming out the drivers floor of my 05 doesn't mate up with the wiring harness of the SRT8 drivers seat.
DOWNLOAD. Wiring Diagram Sheets Detail: Name: 2005 dodge ram 1500 fuel pump wiring diagram - Pic 100×1200 To Nissan Frontier Fuel Pump Relay 240sx Wiring Diagram. File Type: JPG. Source: bjzhjy.net. Size: 220.33 KB. Dimension: 1360 x 1008. READ 5 Pin Boat Trailer Wiring Diagram Sample. DOWNLOAD.
Dodge. Type: Wiring Schematics. Format: Bound. Year Range: 2005. Manufacturer: Chrysler Corporation. Vehicle Model: Magnum, Chrysler 300.Vehicle Model: Magnum, Chrysler 300Brand: Bishko AutobooksManufacturer: Chrysler Corporation
Whether your an expert Dodge Magnum mobile electronics installer, Dodge Magnum fanatic, or a novice Dodge Magnum enthusiast with a 2005 Dodge Magnum, a car stereo wiring diagram can save yourself a lot of time. Automotive wiring in a 2005 Dodge Magnum vehicles are becoming increasing more difficult to identify due to the installation of […]
Fuse/Relay Map-Diode No.1-Diode No.2-Diode Zener-Relay- Stop Lamp Inhibit-Relay- Fuel Pump-Positive Jump Post-Relay- Run-Relay- Rear Window Defogger-Relay- Accessory Delay-Circuit Breaker No.1-Relay- Transmission (NAG1)-Circuit Breaker No.2-Relay- Fog Lamp Rear (Export)-Circuit Breaker No.3-Relay- Wiper Rear (LX49) Dodge Magnum 2005 Fuse Panel/Board - Fuse Symbol Map Related diagrams: Dodge ...

05 Magnum New Computer New Plugs New Transmission New O2 Sensor Bank 1 New Sensor Bank 2 Sensor 1 Enso 4 Wire
0 Response to "35 2005 dodge magnum wiring diagram"
Post a Comment